电脑桌面
添加小米粒文库到电脑桌面
安装后可以在桌面快捷访问

基坑土方开挖及边坡支护施工方案VIP免费

基坑土方开挖及边坡支护施工方案_第1页
1/20
基坑土方开挖及边坡支护施工方案_第2页
2/20
基坑土方开挖及边坡支护施工方案_第3页
3/20
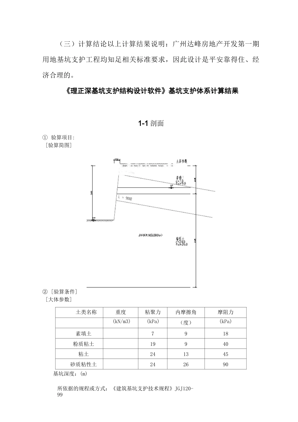
基坑土方开挖及边坡支护施工方案一、工程概况广州达峰房地产开发一期用地商住楼工程,位于广州市增城市石滩镇三江四丰村张尾岭华立学院旁,靠广汕公路北侧。项目总用地面积 38700m2,总建筑面积 64225m2,其中地下一层停车库,建筑面积 8061m2,按设计要求地下部份需进行大量土方开挖,开挖部位详见《基坑支护总平面图》,开挖深度为 5m。现场实际土质为残积土、全风化及强风化,详见勘探报告。按相关标准规定,该基坑支护平安品级为三级。二、编制依据一、《第一期用地计划总平面(图号 2005B166-ST)》增城市城市计划设计室。二、《建筑基坑支护技术规程》(JGJ120-99)。3、现场踏勘及同类工程体会。三、基坑支护设计依照本工程的地质条件、环境条件,从经济、有效、平安、施工方便的原那么动身,提出如下支护方案:一、基坑西侧(AB 段)离相邻围墙距离只有 3 米,围墙高 2 米,无放坡空间,故采纳 1:有限放坡结合 2 道④ 25 钢筋 L=9M@2000 锚杆,面上加 18a 槽型钢梁焊固,护坡面挂网喷锚进行支护(详见 1-1 剖面)。二、基坑北侧(DE 段)有必然的放坡空间,但相邻有一高边坡,此刻加固处置,为保证基坑与边坡的平安,故采纳 1:有限放坡结合 2道虫 25 钢筋 L=9M@2000 锚杆,面上加 1000X1000X100 钢筋砼端头,钢筋网为虫 10@100,横向焊接 2①16 增强筋后焊接压筋,锚杆弯头在砼端头锚固,护坡面挂网喷锚进行支护(详见 2-2 剖面)。3、基坑北侧(BCD、EF 段)、东侧(FG 段)及南侧(GHIA 段)周围较空旷,故采纳 1:1 自然放坡打入钢筋短土钉结合挂钢筋网的喷锚支护(详见 3-3 剖面)。4、基坑坡面设泄水管,基坑坡顶、坡脚各设一道 300X300 的砖砌排水沟,以截排地表水,并在坑底南向设置 1200X1200X1500 的集水井10 口,以排泄基坑内的地下水汇入三级沉淀池后排入市政管网。五、基坑开挖、护坡分二次进行,第一次开挖深-4M,基坑底向南向找坡 200 伽,以便排水;第二次开挖、护坡与地下室承台、地梁一路施工。四、基坑支护计算书(一)计算手腕采纳《理正深基坑支护结构设计软件 F-SPW》进行基坑支护体系计算。(二)土层物理力学参数依照岩土工程勘探报告,结合周边地域同类工程体会,各土层物理力学参数取值如下:所依据的规程或方式:《建筑基坑支护技术规程》JGJ120-99X讣上 * 丄 H + L JJ■M** 1 * 丄 J 丄 * :」•」』』 EE* pZj,z,z/zz/zz?i?7zz//2/z/z2zz/27z>...

1、当您付费下载文档后,您只拥有了使用权限,并不意味着购买了版权,文档只能用于自身使用,不得用于其他商业用途(如 [转卖]进行直接盈利或[编辑后售卖]进行间接盈利)。
2、本站所有内容均由合作方或网友上传,本站不对文档的完整性、权威性及其观点立场正确性做任何保证或承诺!文档内容仅供研究参考,付费前请自行鉴别。
3、如文档内容存在违规,或者侵犯商业秘密、侵犯著作权等,请点击“违规举报”。

碎片内容

基坑土方开挖及边坡支护施工方案

您可能关注的文档

确认删除?
VIP
微信客服
  • 扫码咨询
会员Q群
  • 会员专属群点击这里加入QQ群
客服邮箱
回到顶部