电脑桌面
添加小米粒文库到电脑桌面
安装后可以在桌面快捷访问

50-某烧结机施工组织设计(DOC68页)VIP免费

50-某烧结机施工组织设计(DOC68页)_第1页
1/65
50-某烧结机施工组织设计(DOC68页)_第2页
2/65
50-某烧结机施工组织设计(DOC68页)_第3页
3/65
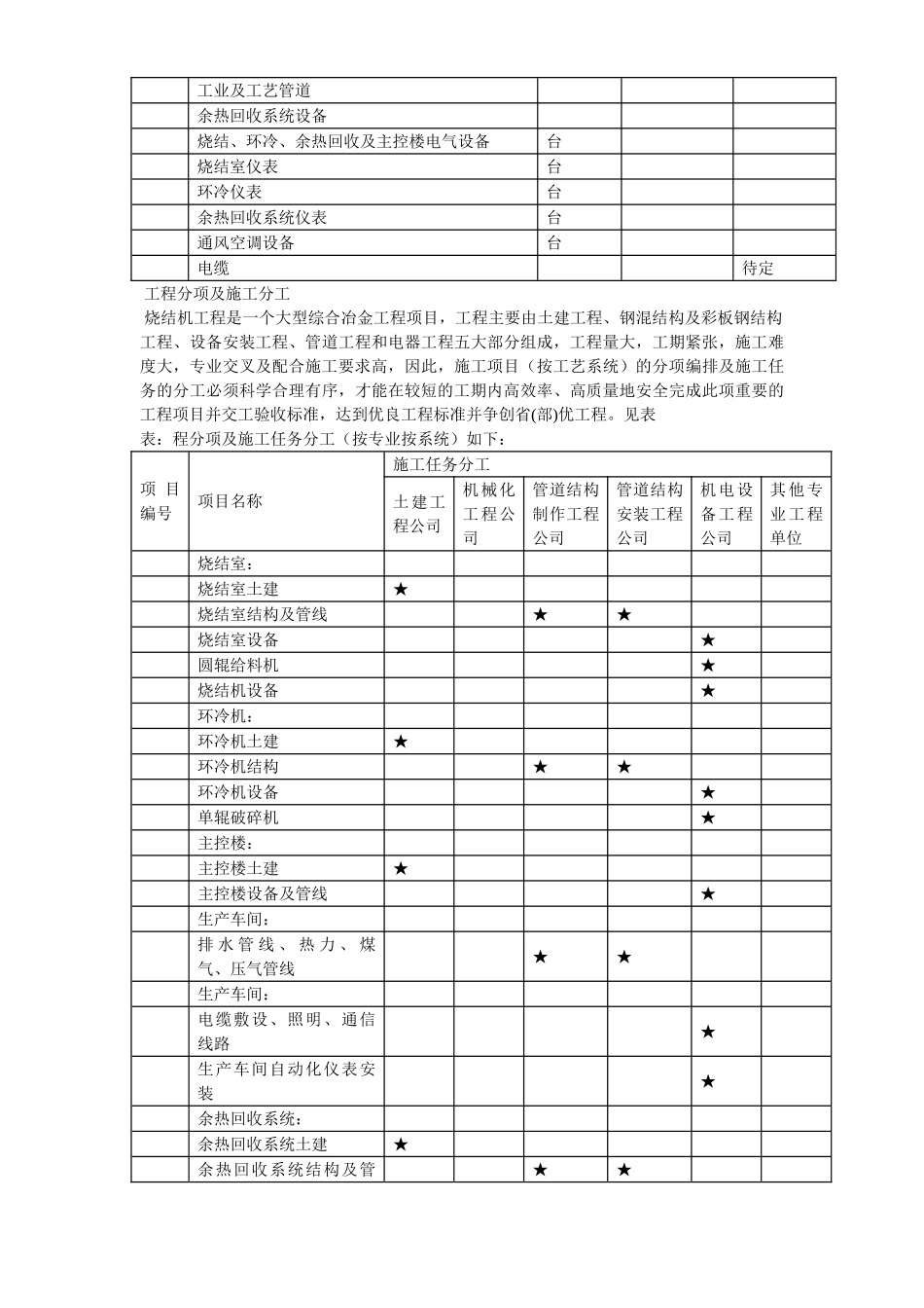
目录工程概况 工程概况**集团有限公司 烧结机工程建设地点位于**集团有限公司二烧结厂内。根据我们的经验厂区占地面积约为,建(构)筑屋占地面积约为。建筑结构类型为钢混结构及彩板钢结构工业厂房。工程主要内容为:烧结机厂房、主控楼、环冷、余热回收系统、 长的原料皮带通廊及机电设备安装、给排水、通风等工程的施工、安装、调试、空负荷联动试车,并配合热负荷试车。本工程要求质量标准为优良工程,争创省(部)优工程。我们初步确定本工程要求工期为 个月(不包含地基处理),具体开工日期为 年 月 日,竣工日期为 年 月 日。 工程特点 施工工期紧迫:本工程工期 个月,较以往我公司承建的类似大型烧结机工程合同工期缩短了一半,加上烧结机工程是多专业立体交叉施工作业,同时很大一部分施工为露天作业,这就使得工期异常的紧迫,必须在人力、物力、财力及技术措施等各个方面采取多方面综合措施,才能保证工程按期完成。 施工平面窄小:这是由烧结机工程的工艺布置特点及厂房、设备设置所决定,施工场地十分紧张。必须科学合理地规划和布置施工总平面,充分照顾到各专业的施工用地平面和施工材料堆放和周转及设备用地。同时还必须严格执行各项施工工艺流程,综合进度及施工总平面管理制度及安全措施,安全文明地进行施工作业。 施工管理复杂:烧结机工程施工为多专业立体交叉作业,很大一部分为露天高空作业,所以各专业施工的配合及交接管理内容量大且复杂,安全施工的管理要求很高。由于现场有大量的施工用材料需堆放倒运,施工作业及吊装机械多且同时作业,对施工平面管理及施工管理提出了很高的要求。此外现场的文明施工管理也非常复杂。 主要工程实物量由于尚无设计施工图纸等技术资料,本工程主要工程实物量依据我公司以往类似烧结机工程施工技术资料及经验数据经过类比而得出,待设计施工技术太钢集团有限公司 烧结机工程施工组织设计大纲资料交付后再最后确定。主要工程实物量见表。表:主要工程实物量序号工程内容单位数量备注烧结室、主控楼、环冷及余热回收系统挖土烧结室、主控楼、环冷及余热回收系统运土烧结室、主控楼、环冷及余热回收系统回填土烧结室混凝土主控楼混凝土环冷混凝土、、 小计烧结室钢筋主控楼钢筋环冷钢筋、、 小计钢结构烧结、环冷工艺设备工业及工艺管道余热回收系统设备烧结、环冷、余热回收及主控楼电气设备台烧结室仪表台环冷仪表台余热回收系统仪表台通风空调设备台电缆待定 工程...

1、当您付费下载文档后,您只拥有了使用权限,并不意味着购买了版权,文档只能用于自身使用,不得用于其他商业用途(如 [转卖]进行直接盈利或[编辑后售卖]进行间接盈利)。
2、本站所有内容均由合作方或网友上传,本站不对文档的完整性、权威性及其观点立场正确性做任何保证或承诺!文档内容仅供研究参考,付费前请自行鉴别。
3、如文档内容存在违规,或者侵犯商业秘密、侵犯著作权等,请点击“违规举报”。

碎片内容

50-某烧结机施工组织设计(DOC68页)

确认删除?
VIP
微信客服
  • 扫码咨询
会员Q群
  • 会员专属群点击这里加入QQ群
客服邮箱
回到顶部