电脑桌面
添加小米粒文库到电脑桌面
安装后可以在桌面快捷访问

-66R1-03民用航空器部件修理人员执照考试大纲VIP免费

-66R1-03民用航空器部件修理人员执照考试大纲_第1页
1/28
-66R1-03民用航空器部件修理人员执照考试大纲_第2页
2/28
-66R1-03民用航空器部件修理人员执照考试大纲_第3页
3/28
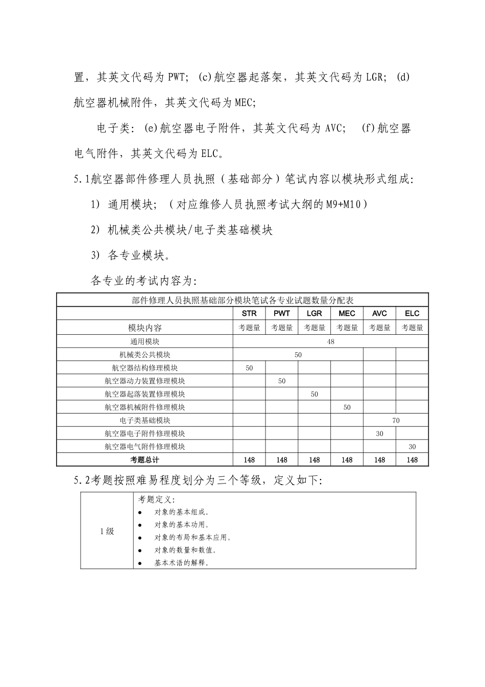
中 国 民 用 航 空 总 局咨询通告编 号:AC-66R1-03颁发日期:2006 年 10 月 30 日批 准 人: 标题:民用航空器部件修理人员执照考试大纲1. 目的和依据 本咨询通告依据 CCAR-66R1 第 66.24 条制定,目的是为民用航空器部件修理人员执照(以下简称修理人员执照)基础部分的考试提供标准。2. 适用范围本咨询通告适用于欲取得修理人员执照基础部分的人员,同时适用于民用航空器维修人员执照考试管理中心(以下简称考管中心)。3. 撤销 备用4. 生效日期本咨询通告中基本技能考试大纲于本通告下发之日起生效,本通告完全生效日期为 2007 年 1 月 1 日。5. 笔试大纲说明部件修理人员执照基础部分按下列专业划分:机械类:(a)航空器结构,其英文代码为 STR;(b)航空器动力装置,其英文代码为 PWT;(c)航空器起落架,其英文代码为 LGR;(d)航空器机械附件,其英文代码为 MEC;电子类:(e)航空器电子附件,其英文代码为 AVC; (f)航空器电气附件,其英文代码为 ELC。5.1航空器部件修理人员执照(基础部分)笔试内容以模块形式组成:1) 通用模块;(对应维修人员执照考试大纲的 M9+M10)2) 机械类公共模块/电子类基础模块3) 各专业模块。各专业的考试内容为:部件修理人员执照基础部分模块笔试各专业试题数量分配表STRPWTLGRMECAVCELC模块内容考题量考题量考题量考题量考题量考题量通用模块48机械类公共模块50航空器结构修理模块50航空器动力装置修理模块50航空器起落装置修理模块50航空器机械附件修理模块50电子类基础模块70航空器电子附件修理模块30航空器电气附件修理模块30考题总计1481481481481481485.2考题按照难易程度划分为三个等级,定义如下:1 级考题定义:对象的基本组成。对象的基本功用。对象的布局和基本应用。对象的数量和数值。基本术语的解释。2 级考题定义:对象的基本工作原理。对象的具体功用。利用数学表达式计算和物理定律描述对象。对象的图表、框图和视图描述。对象的指示和警告。对象的操作程序。对象元件的具体位置。工具和设备的使用。安全注意事项。对象标牌、牌号、标识、规格的解释。3 级考题定义:对象的详细工作原理。在实际工作具体对象元件的功用。通过数学公式分析影响因素。通过图表、框图和视图分析问题。对象的指示和警告分析。操作程序条款的原因和解释。对象在各系统中的关联应用。对象的检查、测量、校装和调节。...

1、当您付费下载文档后,您只拥有了使用权限,并不意味着购买了版权,文档只能用于自身使用,不得用于其他商业用途(如 [转卖]进行直接盈利或[编辑后售卖]进行间接盈利)。
2、本站所有内容均由合作方或网友上传,本站不对文档的完整性、权威性及其观点立场正确性做任何保证或承诺!文档内容仅供研究参考,付费前请自行鉴别。
3、如文档内容存在违规,或者侵犯商业秘密、侵犯著作权等,请点击“违规举报”。

碎片内容

-66R1-03民用航空器部件修理人员执照考试大纲

书海行舟+ 关注
实名认证
内容提供者

热爱教学事业,对互联网知识分享很感兴趣

确认删除?
VIP
微信客服
  • 扫码咨询
会员Q群
  • 会员专属群点击这里加入QQ群
客服邮箱
回到顶部