电脑桌面
添加小米粒文库到电脑桌面
安装后可以在桌面快捷访问

劳动力机械设备和材料投入计划VIP免费

劳动力机械设备和材料投入计划_第1页
1/7
劳动力机械设备和材料投入计划_第2页
2/7
劳动力机械设备和材料投入计划_第3页
3/7
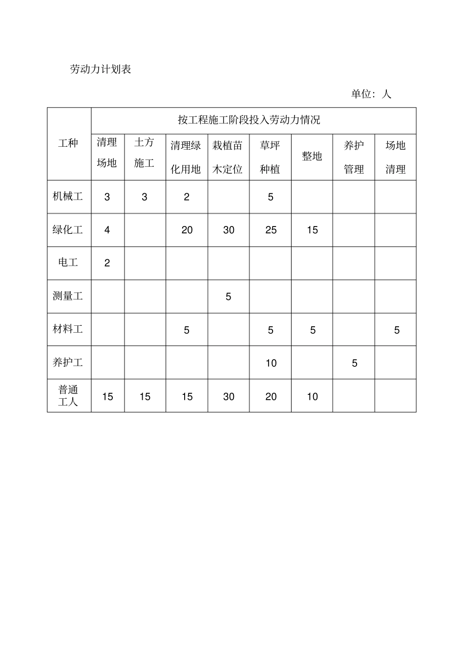
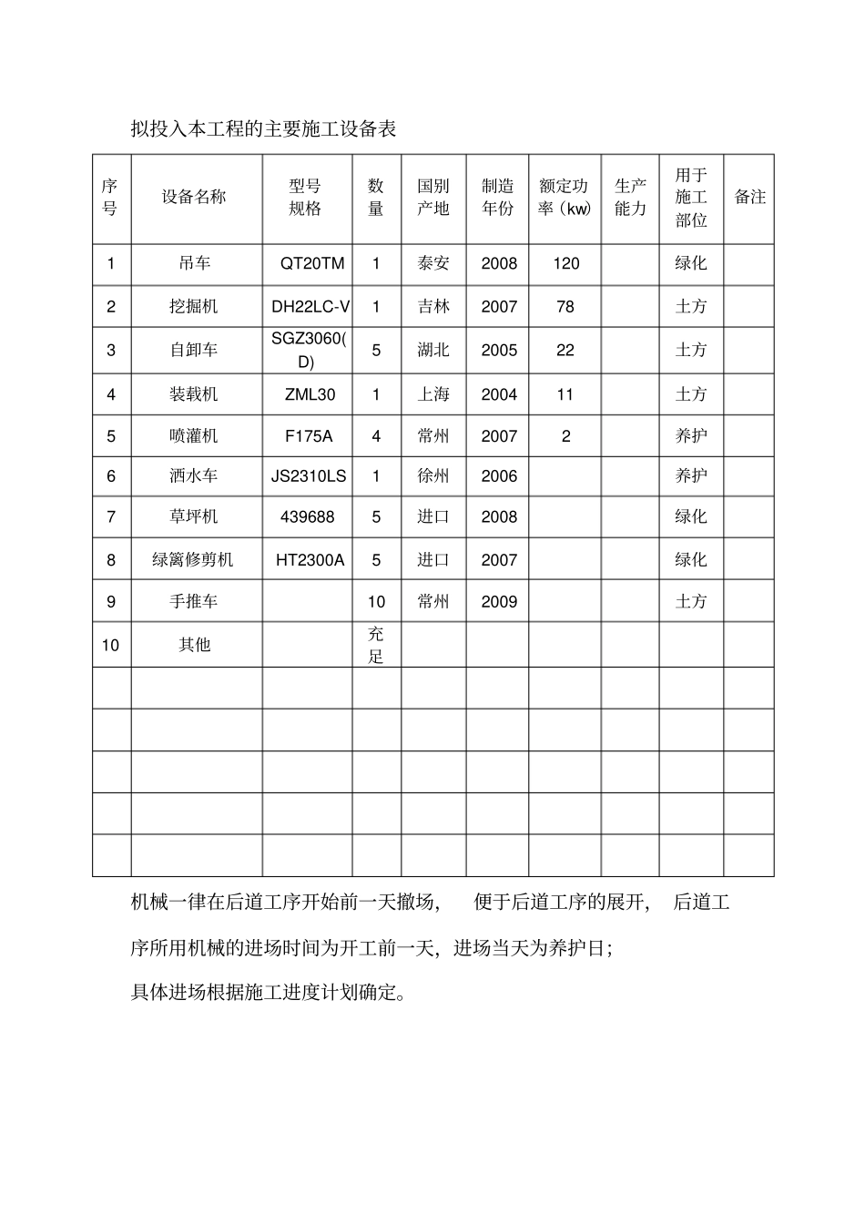
(5)劳动力、机械设备和材料投入计划1 劳动力投入计划我公司具有管理效益高,施工速度快,创优施工经验丰富、管理机制灵活的竞争优势,一旦中标,将根据工程的特点和需要,组织挑选经验丰富、业务熟练,政治可靠、品行端正、吃苦耐劳的骨干力量组成本项目的施工班组,保证该工程顺利进行。经过对本工程招标文件的工程量清单内容的认真分析、研究后,对本工程将安排相应数量绿化施工班组,多个施工班组进行划区施工,流水作业。劳动力计划表单位:人工种按工程施工阶段投入劳动力情况清理场地土方施工清理绿化用地栽植苗木定位草坪种植整地养护管理场地清理机械工3325绿化工420302515电工2测量工5材料工5555养护工105普通工人151515302010拟投入本工程的主要施工设备表序号设备名称型号规格数量国别产地制造年份额定功率(kw)生产能力用于施工部位备注1吊车QT20TM1泰安2008120绿化2挖掘机DH22LC-V1吉林200778土方3自卸车SGZ3060(D)5湖北200522土方4装载机ZML301上海200411土方5喷灌机F175A4常州20072养护6洒水车JS2310LS1徐州2006养护7草坪机4396885进口2008绿化8绿篱修剪机HT2300A5进口2007绿化9手推车10常州2009土方10其他充足机械一律在后道工序开始前一天撤场,便于后道工序的展开, 后道工序所用机械的进场时间为开工前一天,进场当天为养护日;具体进场根据施工进度计划确定。拟配备本工程的试验和检测仪器设备表序号仪器设备名称型号规格数量国别产地制造年份已使用台时数用途备注1水准仪S3 1上海2006测量2经纬仪J6 1上海2006测量3检测尺2-3m3无锡2008测量4天枰TPC-VⅠ2上海2007测量5皮尺5m10常州2009测量6皮尺50m10常州2009测量3 材料投入计划工程材料在开工前, 我们将组织人员考察和选择各种原材料资源,择优选购。所有用于本工程的材料,其来源都将申报监理公司批准,质量和性能均按相应的材料标准和试验规程进行性能试验和质量试验,不合格材料禁止用于本工程。 根据施工进度计划, 编制主要材料进场计划表,并根据实际情况,作局部调整。苗木落实为保证本工程顺利进行, 保质保量的按时完成施工任务,我方将提前落实各种植物材料。 苗木主要来源于我公司苗木基地,对于部分规格要求特殊的苗木, 公司将通过对比, 选择相应的供应商签订苗木意向供应合同,作为工程实施的苗木保证,一旦我方中标,将根据甲方要求,制定详细的施工计划,保证植物材料及时进场,做到随到随种,确保成活率。

1、当您付费下载文档后,您只拥有了使用权限,并不意味着购买了版权,文档只能用于自身使用,不得用于其他商业用途(如 [转卖]进行直接盈利或[编辑后售卖]进行间接盈利)。
2、本站所有内容均由合作方或网友上传,本站不对文档的完整性、权威性及其观点立场正确性做任何保证或承诺!文档内容仅供研究参考,付费前请自行鉴别。
3、如文档内容存在违规,或者侵犯商业秘密、侵犯著作权等,请点击“违规举报”。

碎片内容

劳动力机械设备和材料投入计划

确认删除?
VIP
微信客服
  • 扫码咨询
会员Q群
  • 会员专属群点击这里加入QQ群
客服邮箱
回到顶部