电脑桌面
添加小米粒文库到电脑桌面
安装后可以在桌面快捷访问

贵阳某五星级酒店工程裙房门厅(18米)高支模专项施工方案(DOC18页)VIP免费

贵阳某五星级酒店工程裙房门厅(18米)高支模专项施工方案(DOC18页)_第1页
1/18
贵阳某五星级酒店工程裙房门厅(18米)高支模专项施工方案(DOC18页)_第2页
2/18
贵阳某五星级酒店工程裙房门厅(18米)高支模专项施工方案(DOC18页)_第3页
3/18
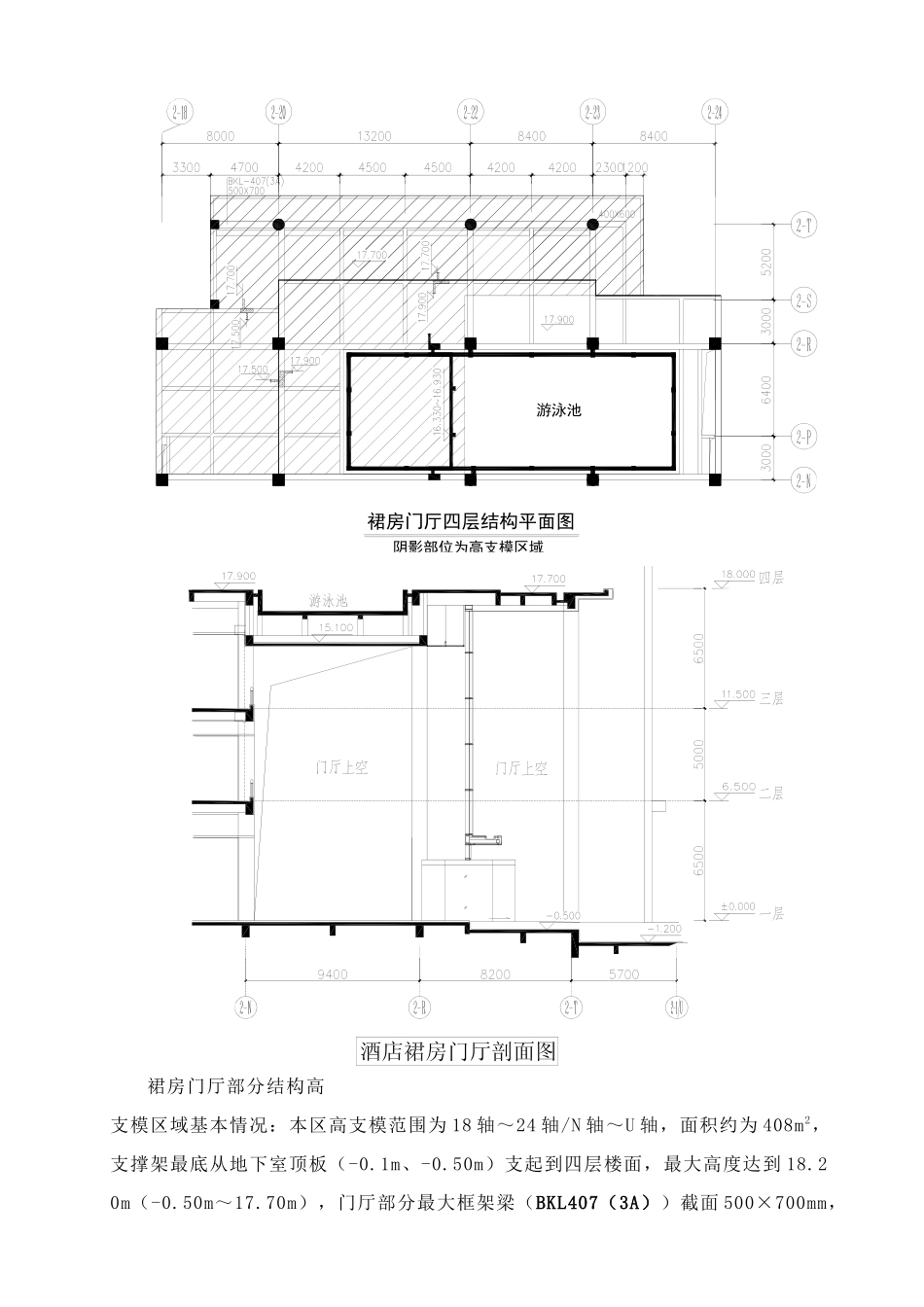
一、编制依据1、本工程设计施工图纸及设计变更、图纸会审记录、设计交底等设计文件;2、本工程的施工组织设计;3、我公司类似施工经验;4、国家及现行的有关规范、规定及标准相关技术规范。(1)混凝土结构工程施工质量验收规范(GB50204-2002)(2)建筑施工扣件式钢管脚手架安全技术规范(JGJ130-2001)(3)《危险性较大的分部分项工程安全管理办法》(建质[2009]87 号)(4)《建筑结构荷载规范》(GB50009-2001)(2006 版)(5)《建筑施工安全检查标准》(JGJ59-99)(6)《建筑施工高处作业安全技术规范》(JGJ80-91)(7)《建筑施工模板安全技术规范》(JGJ162-2008)(8)《建筑施工手册》(第四版)二、工程概况**集团**五星级酒店工程由贵州省**房地产开发有限公司开发建设,建设地点位贵阳市**新区迎宾东路与**大道路交汇处, 由**建筑设计研究院有限公司设计,贵州**监理咨询有限公司监理,**建筑工程有限公司总承包施工,工程总建筑面积:68735.72 平方米。该工程地上部分由 1 栋二十层塔楼、三层通高大堂及四层裙房组成,地下部分共二层地下室(含人防),建筑总高度 94.90m。本工程超过 8.0m 层高的超高楼层有通高大堂部分(16.40m),裙房门厅(18.20m),裙房三层大宴会厅架空层(10.5m)。现将相应超高楼层信息汇总成表,见下表。序号施工部位层高(m)板厚(mm)最大梁截面(mm)最大梁跨度(m)1酒店通高大堂16.40120550×6006.432裙房门厅18.20120500×70012.803裙房三层大宴会厅10.50120后置 H 型钢梁后置 H 型钢梁本工程超高支模方案选择上,根据层高及上部梁、板布置,选用架体搭设最高及跨度最大、梁板截面最大的裙房门厅高支撑体系作为验算,大堂及大宴会厅的支撑系统搭设均按照裙房门厅搭设方案进行施工。裙房门厅四层结构平面图阴影部位为高支模区域游泳池裙房门厅部分结构高支模区域基本情况:本区高支模范围为 18 轴~24 轴/N 轴~U 轴,面积约为 408m2,支撑架最底从地下室顶板(-0.1m、-0.50m)支起到四层楼面,最大高度达到 18.20m(-0.50m~17.70m),门厅部分最大框架梁(BKL407(3A))截面 500×700mm,最大净跨度 12.40 米;次梁截面大都为 250×600mm;楼板厚度均为 120mm,板格跨度最大是 4300×5000mm。高支模体系采用 Φ48×3.0 钢管满堂架支模,架体基础为180mm 厚 C30 钢筋砼顶板。 该部位框架柱混凝土强度等级 C30;梁、板混凝土强度等级 C30。采用商品砼泵送进...

1、当您付费下载文档后,您只拥有了使用权限,并不意味着购买了版权,文档只能用于自身使用,不得用于其他商业用途(如 [转卖]进行直接盈利或[编辑后售卖]进行间接盈利)。
2、本站所有内容均由合作方或网友上传,本站不对文档的完整性、权威性及其观点立场正确性做任何保证或承诺!文档内容仅供研究参考,付费前请自行鉴别。
3、如文档内容存在违规,或者侵犯商业秘密、侵犯著作权等,请点击“违规举报”。

碎片内容

贵阳某五星级酒店工程裙房门厅(18米)高支模专项施工方案(DOC18页)

确认删除?
VIP
微信客服
  • 扫码咨询
会员Q群
  • 会员专属群点击这里加入QQ群
客服邮箱
回到顶部