电脑桌面
添加小米粒文库到电脑桌面
安装后可以在桌面快捷访问

船舶系统工程部科研试验楼工程项目质量计划某小区施工组织设计(1)VIP免费

船舶系统工程部科研试验楼工程项目质量计划某小区施工组织设计(1)_第1页
1/32
船舶系统工程部科研试验楼工程项目质量计划某小区施工组织设计(1)_第2页
2/32
船舶系统工程部科研试验楼工程项目质量计划某小区施工组织设计(1)_第3页
3/32
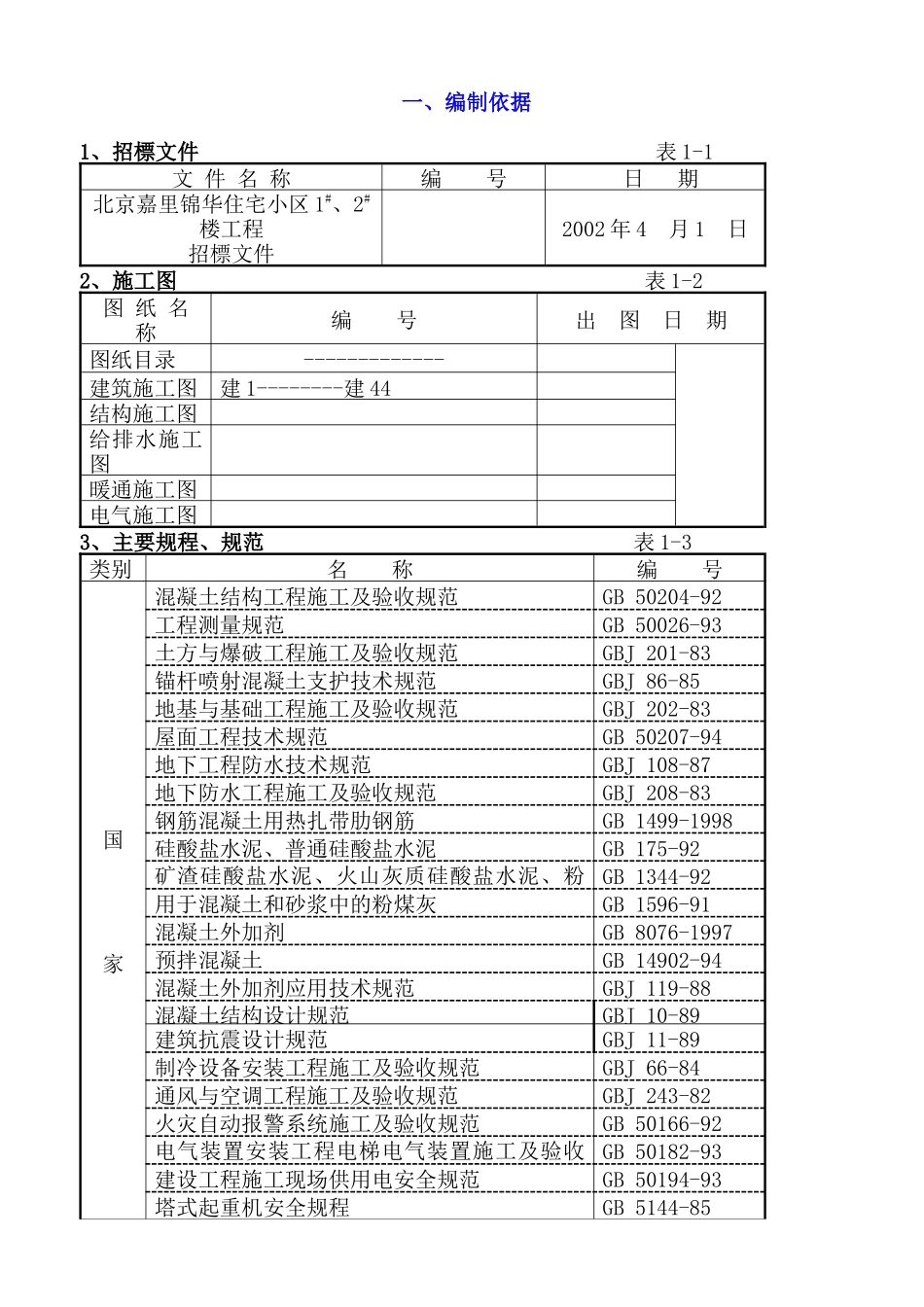
一、编制依据1、招標文件 表 1-1文 件 名 称编 号 日 期北京嘉里锦华住宅小区 1#、2#楼工程招標文件2002 年 4 月 1 日2、施工图 表 1-2图 纸 名 称编 号出 图 日 期图纸目录-------------建筑施工图建 1--------建 44结构施工图给排水施工图暖通施工图电气施工图3、主要规程、规范 表 1-3类别名 称编 号国家混凝土结构工程施工及验收规范GB 50204-92工程测量规范GB 50026-93土方与爆破工程施工及验收规范GBJ 201-83锚杆喷射混凝土支护技术规范GBJ 86-85地基与基础工程施工及验收规范GBJ 202-83屋面工程技术规范GB 50207-94地下工程防水技术规范GBJ 108-87地下防水工程施工及验收规范GBJ 208-83钢筋混凝土用热扎带肋钢筋GB 1499-1998硅酸盐水泥、普通硅酸盐水泥GB 175-92矿渣硅酸盐水泥、火山灰质硅酸盐水泥、粉煤灰硅酸盐水泥GB 1344-92用于混凝土和砂浆中的粉煤灰GB 1596-91混凝土外加剂GB 8076-1997预拌混凝土GB 14902-94混凝土外加剂应用技术规范GBJ 119-88混凝土结构设计规范GBJ 10-89建筑抗震设计规范GBJ 11-89制冷设备安装工程施工及验收规范GBJ 66-84通风与空调工程施工及验收规范GBJ 243-82火灾自动报警系统施工及验收规范GB 50166-92电气装置安装工程电梯电气装置施工及验收规范GB 50182-93建设工程施工现场供用电安全规范GB 50194-93塔式起重机安全规程GB 5144-85行业建筑变形测量规程JGJ/T 8-97建筑地基处理技术规范JGJ 79-91钢筋混凝高层建筑结构设计与施工规程JGJ 3-91钢筋机械连接通用技术规程JGJ 107-96钢筋锥螺纹接头技术规程JGJ 109-96带肋钢筋套筒挤压连接技术规程JGJ 108-96冷扎带肋钢筋混凝土结构技术规程JGJ 95-95普通混凝土用砂JGJ 52-92普通混凝土用碎石和卵石JGJ 53-92普通混凝土拌和用水JGJ 65-89普通混凝土配合比及设计规程JGJ/T 55-96混凝土泵送施工技术规程JGJ/T 10-95混凝土冬期施工技术规程JGJ 104-97块体基础大体积混凝土施工技术规程YBJ 224-91回弹法检测混凝土抗压强度技术规程JGJ/T 23-92建筑施工高处作业安全技术规范JGJ 80-91建筑机械使用安全技术规程JGJ 33-86施工现场临时用电安全技术规范JGJ 46-88地方商品混凝土质量管理规程DBJ01-6-904、主要图集 表 1-4类别名 称编 号国家混凝土结构施工图平面整体表示方法制图规则和构造详图200G101地沟及盖板95J331 地 方建筑构造通用图集88J1-88J1288JX1-88JX488J1- X1建筑构造通用图...

1、当您付费下载文档后,您只拥有了使用权限,并不意味着购买了版权,文档只能用于自身使用,不得用于其他商业用途(如 [转卖]进行直接盈利或[编辑后售卖]进行间接盈利)。
2、本站所有内容均由合作方或网友上传,本站不对文档的完整性、权威性及其观点立场正确性做任何保证或承诺!文档内容仅供研究参考,付费前请自行鉴别。
3、如文档内容存在违规,或者侵犯商业秘密、侵犯著作权等,请点击“违规举报”。

碎片内容

船舶系统工程部科研试验楼工程项目质量计划某小区施工组织设计(1)

您可能关注的文档

文泉书屋+ 关注
实名认证
内容提供者

热爱教学事业,对互联网知识分享很感兴趣

确认删除?
VIP
微信客服
  • 扫码咨询
会员Q群
  • 会员专属群点击这里加入QQ群
客服邮箱
回到顶部