电脑桌面
添加小米粒文库到电脑桌面
安装后可以在桌面快捷访问

给水管道材料与附件VIP免费

给水管道材料与附件_第1页
1/7
给水管道材料与附件_第2页
2/7
给水管道材料与附件_第3页
3/7
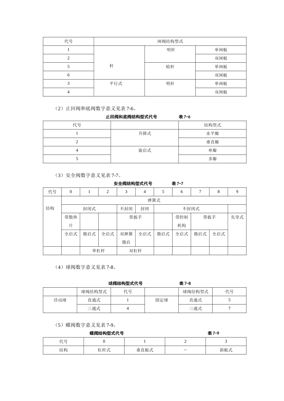
第七章 给水管道材料与附件(一)教学要求 了解常用的给水管道材料和附件(二)教学内容1、给水管道材料2、给水管道附件及附属构筑物(三)重点:给水管道材料第一节 给水管道材料与配件一、给水管道材料对给水管道的要求:水力条件好、安装简便、快速可靠、维护工作量少。同时管道的化学稳定性高,耐腐、质轻、韧性好、寿命长、折旧费用低。给水管材常可以分为金属管材料、非金属管材料和复合材料三大类。 1.金属管 目前常用的金属管主要有:钢管、镀锌管、铸铁管、铜管。铜管价格较高,主要用于热水管道。钢管分为焊接钢管和无缝钢管两大类,焊接钢管有直缝钢管和螺旋卷焊钢管,钢管的优点是强度高、耐振动、重量轻、长度大、接头少和加工接口方便等。镀锌管道仍作为建筑给水管的主要管材,它比钢管价格低,但防腐性差,铸铁管一般包括普通灰口铸铁管,铸钛球墨铸铁管和球墨铸铁管。2.塑料管材用于给水管道工程的塑料管材有 UPVC 管, PE 管、 PB 管、 PEX 管、PP-C 管、 PP-R 管。重量轻、便于运输及安装、管道内壁光滑阻力系数小、防腐性能良好、对水质不构成二次污染却都是共同的。(1)硬聚氨乙烯管(UPVC)管 (2)聚乙烯管( PE 管)(3)聚丁烯管道(阳管)(4)交联聚乙烯(PEX)管(5)聚丙烯共聚物 PP-R、 PP-C 管3.复合管 (1)玻璃钢管(FRP 管)玻璃钢管属热固性塑料管。玻璃钢管重量轻(约为钢管的 l/2),承压能力高、内壁光滑、耐腐蚀、施工安装方便,但价格高于钢管(约 1.5 倍)。 (2)耐冲击 UPVC 管(Hl-3P)耐冲击 UPVC 管是将已有的 UPVC 管通过物理和化学处理,形成具有高密度硬质中心层和耐冲击内外硬质属的三层结构,用以改善普通 UPVC 管抗低温冲击强度低的缺陷,实验证实这种三层结构的管道比铸铁给水管有更高的耐冲击强度和拉伸强度。(3)钢骨架塑复合管以钢丝为增强体,塑料(高密度聚乙烯 HDPE)为基体,采用钢丝点焊成网和挤出塑料真空填注同步进行,在生产线上连续拉膜成型。钢骨架塑料复合管克服了钢管耐压不耐腐、塑料管耐腐不耐压、钢塑管易脱层等缺陷。 (4)衬塑铝台金管衬塑铝合金管由铝合金外层及聚丙烯内层经机械加工复合而成。其性能与铝塑复合管类似。第二节 给水管道附件一、阀门阀门是用以连接、关闭、和调节液体、气体或蒸汽流量的设备。是市政管道系统的重要组成部分。阀门根据所输送的液体,功能不同而有许多种类,现将给水管道系统中常用的阀门作...

1、当您付费下载文档后,您只拥有了使用权限,并不意味着购买了版权,文档只能用于自身使用,不得用于其他商业用途(如 [转卖]进行直接盈利或[编辑后售卖]进行间接盈利)。
2、本站所有内容均由合作方或网友上传,本站不对文档的完整性、权威性及其观点立场正确性做任何保证或承诺!文档内容仅供研究参考,付费前请自行鉴别。
3、如文档内容存在违规,或者侵犯商业秘密、侵犯著作权等,请点击“违规举报”。

碎片内容

给水管道材料与附件

您可能关注的文档

确认删除?
VIP
微信客服
  • 扫码咨询
会员Q群
  • 会员专属群点击这里加入QQ群
客服邮箱
回到顶部