电脑桌面
添加小米粒文库到电脑桌面
安装后可以在桌面快捷访问

住宅小区日照分析报告VIP免费

住宅小区日照分析报告_第1页
1/7
住宅小区日照分析报告_第2页
2/7
住宅小区日照分析报告_第3页
3/7
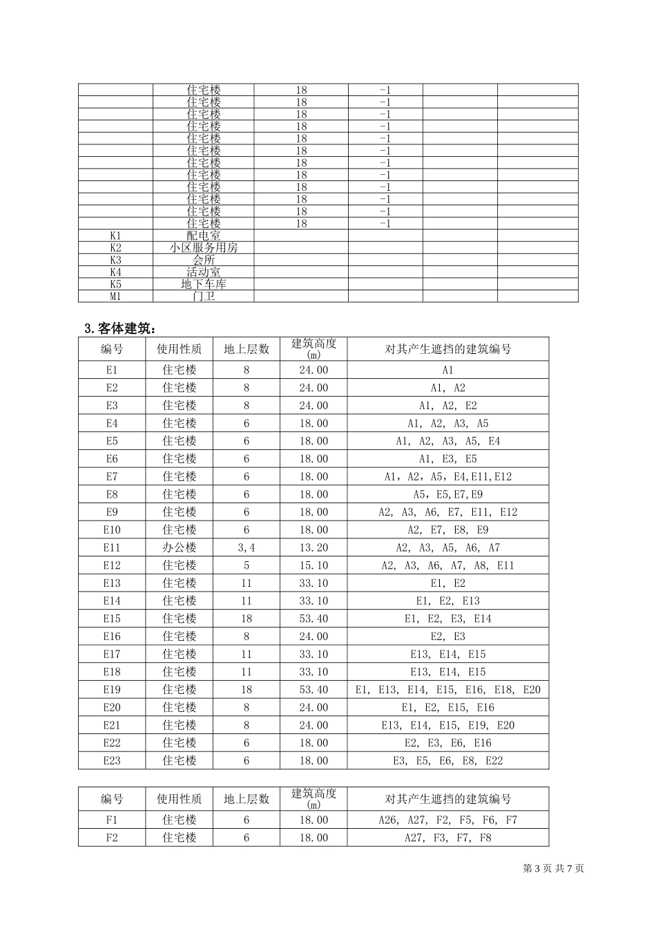
xx工程日照分析报告共1册第1册xx公司2009年11月一、建设单位(委托方)第1页共7页名称:地址:二、设计单位(受托方)名称:地址:三、日照分析项目情况1.建设项目基本情况:1)概况:xx小区,共有高层住宅楼30栋,最高层数18层,最低层数11层,均为单元式住宅楼或点式住宅楼,小区设地下车库1座,设小区服务用房、门卫、会所、活动室等公建多座,其它建设内容包括场区道路、绿化、给排水、供热、电力、电信、燃气系统。2)项目名称:3)建设地点:4)周边情况:5)委托分析要求:本日照分析报告通过计算,①分析xx小区拟建住宅楼对北侧、西侧阴影范围内已建住宅楼的日照影响;②分析拟建住宅楼的日照情况。2.拟建建筑:编号建筑名称地上层数地下层数建筑面积(㎡)建筑高度(m)住宅楼18-1住宅楼18-1住宅楼18-1住宅楼18-1住宅楼18-1住宅楼18-1住宅楼18-1住宅楼18-1住宅楼18-1住宅楼18-1住宅楼18-1住宅楼18-1住宅楼18-1住宅楼18-1住宅楼18-1住宅楼18-1住宅楼18-1住宅楼18-1第2页共7页住宅楼18-1住宅楼18-1住宅楼18-1住宅楼18-1住宅楼18-1住宅楼18-1住宅楼18-1住宅楼18-1住宅楼18-1住宅楼18-1住宅楼18-1住宅楼18-1K1配电室K2小区服务用房K3会所K4活动室K5地下车库M1门卫3.客体建筑:编号使用性质地上层数建筑高度(m)对其产生遮挡的建筑编号E1住宅楼824.00A1E2住宅楼824.00A1,A2E3住宅楼824.00A1,A2,E2E4住宅楼618.00A1,A2,A3,A5E5住宅楼618.00A1,A2,A3,A5,E4E6住宅楼618.00A1,E3,E5E7住宅楼618.00A1,A2,A5,E4,E11,E12E8住宅楼618.00A5,E5,E7,E9E9住宅楼618.00A2,A3,A6,E7,E11,E12E10住宅楼618.00A2,E7,E8,E9E11办公楼3,413.20A2,A3,A5,A6,A7E12住宅楼515.10A2,A3,A6,A7,A8,E11E13住宅楼1133.10E1,E2E14住宅楼1133.10E1,E2,E13E15住宅楼1853.40E1,E2,E3,E14E16住宅楼824.00E2,E3E17住宅楼1133.10E13,E14,E15E18住宅楼1133.10E13,E14,E15E19住宅楼1853.40E1,E13,E14,E15,E16,E18,E20E20住宅楼824.00E1,E2,E15,E16E21住宅楼824.00E13,E14,E15,E19,E20E22住宅楼618.00E2,E3,E6,E16E23住宅楼618.00E3,E5,E6,E8,E22编号使用性质地上层数建筑高度(m)对其产生遮挡的建筑编号F1住宅楼618.00A26,A27,F2,F5,F6,F7F2住宅楼618.00A27,F3,F7,F8第3页共7页F3住宅楼618.00F4,F7,F8,G1F4住宅楼618.00F8,G1,G2F5门诊楼312.30F8,G1,G2F6住宅楼618.00F3,F7F7住宅楼618.00F4,F8F8住宅楼618.00G1F9住宅楼515.10F5,F10F10住宅楼515.10F64.参与遮挡的建筑:编号使用性质层数高度(米)备注G1住宅楼515.10G2住宅楼515.10G3住宅楼515.10G4住宅楼515.10G6住宅楼515.10G7住宅楼515.10四、日照分析标准及依据《城市居住区规划设计规范》(GBJ50180-93)(2002版)条文5.0.2.1住宅日照标准应符合表5.0.2-1规定,对于特定情况还应符合下列规定:(1)老年人居住的建筑不应低于冬至日日照2小时的标准。(2)在原设计建筑外增加任何设施不应使相邻住宅原有日照的标准降低。(3)旧区改建的项目内新建住宅的日照标准可酌情降低,但不应低于大寒日日照1小时的标准。住宅建筑日照标准表5.0.2-1建筑气候区划Ⅰ、Ⅱ、Ⅲ、Ⅶ气候Ⅳ气候区Ⅴ、Ⅵ气候区大城市中小城市大城市中小城市日照标准日大寒日冬至日日照时数(h)≥2≥3≥1有效日照时间带(h)8~169~15计算起点底层窗台面注:①建筑气候区划分应符合本规范附录A第A.0.1条规定。②底层窗台面是指距室内地平0.9m高的外墙位置。五、分析资料的来源说明本日照分析报告的CAD总平面图,由xx公司提供。六、日照分析软件本日照分析报告采用天正日照分析软件(TSun7.5)进行分析计算。天正日照分析软件(TSun7.5),经过建设部鉴定,该软件获“建设部2005年全国建设行业科技成果推广项目”、“2005年华夏建设科技科学技术奖”,及通过“国家建筑工程质量监督检验中心实际建筑物测试验证”。七、日照分析设置参数第4页共7页本日照分析报告采用天正日照分析软件(TSun7.5)进行分析计算。地点:xx经纬度:xx分析日期:大寒日分析时间:8:00~16:00计算精度:1分钟采样点距:1米八、日照分析结果1.已建建筑日照分析结果:编号窗日照分析户日照分析建设前建设后恶化增加建设前建设后恶化增...

1、当您付费下载文档后,您只拥有了使用权限,并不意味着购买了版权,文档只能用于自身使用,不得用于其他商业用途(如 [转卖]进行直接盈利或[编辑后售卖]进行间接盈利)。
2、本站所有内容均由合作方或网友上传,本站不对文档的完整性、权威性及其观点立场正确性做任何保证或承诺!文档内容仅供研究参考,付费前请自行鉴别。
3、如文档内容存在违规,或者侵犯商业秘密、侵犯著作权等,请点击“违规举报”。

碎片内容

住宅小区日照分析报告

您可能关注的文档

确认删除?
VIP
微信客服
  • 扫码咨询
会员Q群
  • 会员专属群点击这里加入QQ群
客服邮箱
回到顶部