电脑桌面
添加小米粒文库到电脑桌面
安装后可以在桌面快捷访问

皮革检验规范(真皮类)VIP免费

皮革检验规范(真皮类)_第1页
1/7
皮革检验规范(真皮类)_第2页
2/7
皮革检验规范(真皮类)_第3页
3/7
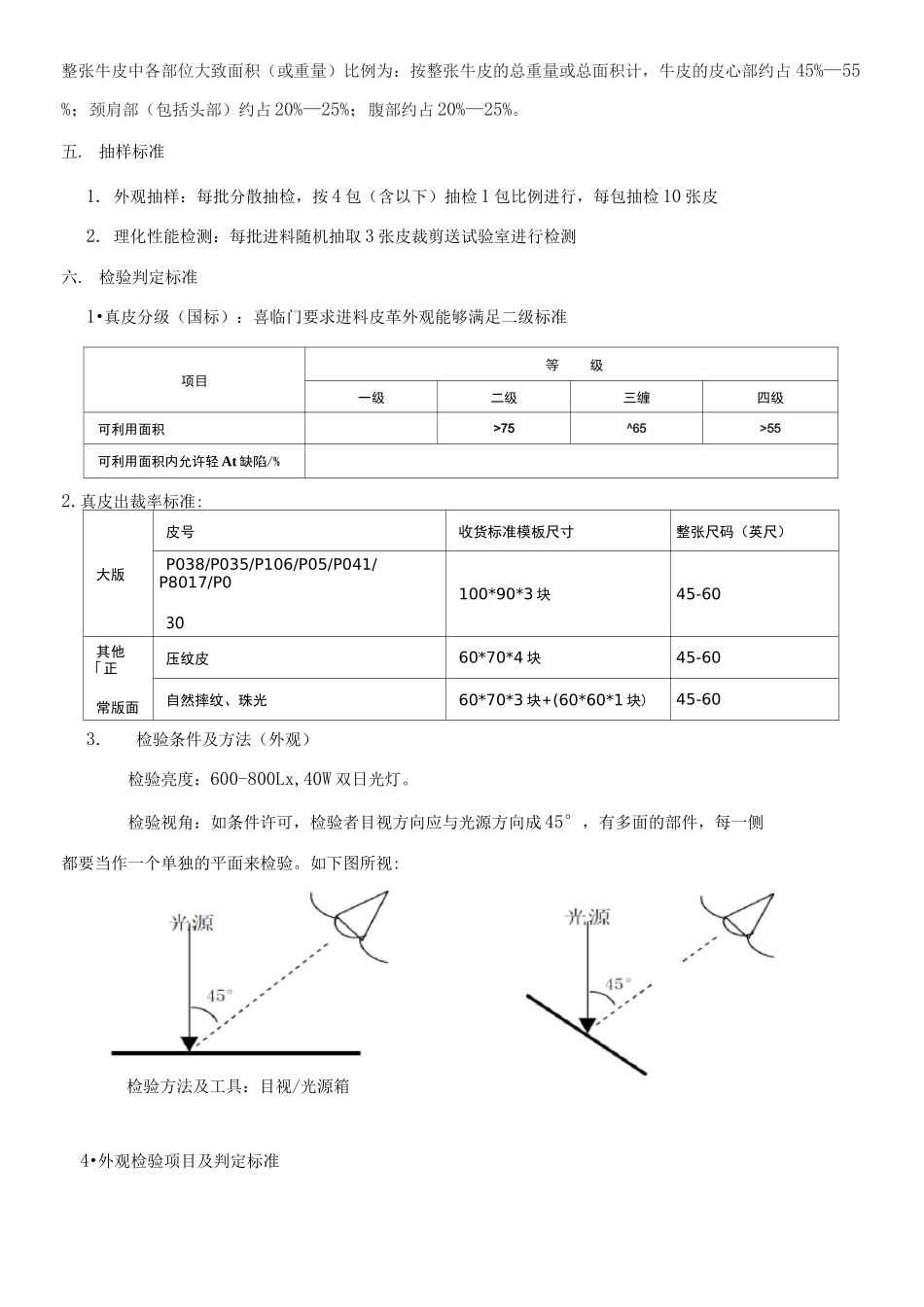
一. 目的明确喜临门公司进料真皮的检验项目及验收标准,以保障进料真皮能够符合公司使用及满足国家标准要求。二. 范围适用于喜临门家具股份有限公司(包含分公司)的所有真皮皮革的质量判定三. 职责与权限1. 采购管理中心:负责将本标准纳入皮革采购合同,要求供应商供货的皮革能够满足此标准2. 品质中心:负责真皮检验标准的制定、修定及验收判定四. 真皮示意图(牛皮)根据国际皮革行业公布的《标准牛皮体形部位图》,如下;标准牛皮休形制位图头部:A鍾嵐部=B+C 抵打制库+CJS 金张皮中歸质第二的部忖■fprf;'^口丄送 EIJki'itrF 或 G半庶戊’A+B+D+FL'kA4-C+E+75^65>55可利用面积内允许轻 At 缺陷/%2.真皮出裁率标准:大版皮号收货标准模板尺寸整张尺码(英尺)P038/P035/P106/P05/P041/P8017/P030100*90*3 块45-60其他「正常版面压纹皮60*70*4 块45-60自然摔纹、珠光60*70*3 块+(60*60*1 块)45-603.检验条件及方法(外观)检验亮度:600-800Lx,40W 双日光灯。检验视角:如条件许可,检验者目视方向应与光源方向成 45°,有多面的部件,每一侧都要当作一个单独的平面来检验。如下图所视:检验方法及工具:目视/光源箱4•外观检验项目及判定标准全张皮厚薄基本均匀,无油腻感。皮身平整、柔软、丰满有弹性颜色:与封样或色卡对比,在自然光源或 d65 光源箱测试不允许有明显脖子纹肥纹皮疤刀痕凹点毛孔粗血筋烙印色差,参照以下进行判定。*与封样件比较三 4 级;;•厚度:规格尺寸土•板数:皮幅 38SF

1、当您付费下载文档后,您只拥有了使用权限,并不意味着购买了版权,文档只能用于自身使用,不得用于其他商业用途(如 [转卖]进行直接盈利或[编辑后售卖]进行间接盈利)。
2、本站所有内容均由合作方或网友上传,本站不对文档的完整性、权威性及其观点立场正确性做任何保证或承诺!文档内容仅供研究参考,付费前请自行鉴别。
3、如文档内容存在违规,或者侵犯商业秘密、侵犯著作权等,请点击“违规举报”。

碎片内容

皮革检验规范(真皮类)

确认删除?
微信客服
  • 扫码咨询
会员Q群
  • 会员专属群点击这里加入QQ群