电脑桌面
添加小米粒文库到电脑桌面
安装后可以在桌面快捷访问

危险性较大分部分项工程施工方案专家论证表VIP免费

危险性较大分部分项工程施工方案专家论证表_第1页
1/3
危险性较大分部分项工程施工方案专家论证表_第2页
2/3
危险性较大分部分项工程施工方案专家论证表_第3页
3/3
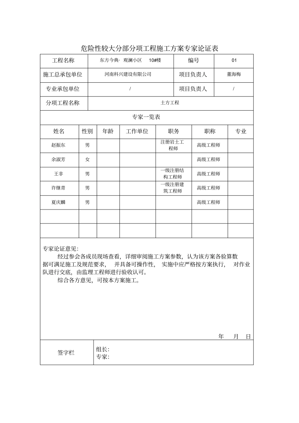
危险性较大分部分项工程施工方案专家论证表工程名称东方今典· 观澜小区6#10#楼编号01 施工总承包单位河南科兴建设有限公司项目负责人董海梅专业承包单位/项目负责人/分项工程名称土方工程专家一览表姓名性别年龄工作单位职务职称专业赵振东男注册岩土工程师高级工程师余淑芳女高级工程师王非男一级注册结构工程师高级工程师许继青男一级注册建筑工程师高级工程师夏庆麟男高级工程师专家论证意见:经过参会各成员现场查看,详细审阅施工方案参数,认为该方案各验算数据可满足施工及规范要求, 并具备可操作性, 实施中应严格按方案执行, 对作业队进行交底,由监理工程师进行验收认可。综合各方意见,可按本方案施工。年月日签字栏组长:专家:危险性较大分部分项工程施工方案专家论证表工程名称东方今典· 观澜小区10#楼编号01施工总承包单位河南科兴建设有限公司项目负责人董海梅专业承包单位/项目负责人/分项工程名称土方工程专家一览表姓名性别年龄工作单位职务职称专业赵振东男注册岩土工程师高级工程师余淑芳女高级工程师王非男一级注册结构工程师高级工程师许继青男一级注册建筑工程师高级工程师夏庆麟男高级工程师专家论证意见:经过参会各成员现场查看,详细审阅施工方案参数,认为该方案各验算数据可满足施工及规范要求, 并具备可操作性, 实施中应严格按方案执行, 对作业队进行交底,由监理工程师进行验收认可。综合各方意见,可按本方案施工。年月日签字栏组长:专家:危险性较大分部分项工程施工方案专家论证表工程名称东方今典· 观澜小区6#楼编号01施工总承包单位河南科兴建设有限公司项目负责人董海梅专业承包单位/项目负责人/分项工程名称土方工程专家一览表姓名性别年龄工作单位职务职称专业赵振东男注册岩土工程师高级工程师余淑芳女高级工程师王非男一级注册结构工程师高级工程师许继青男一级注册建筑工程师高级工程师夏庆麟男高级工程师专家论证意见:经过参会各成员现场查看,详细审阅施工方案参数,认为该方案各验算数据可满足施工及规范要求, 并具备可操作性, 实施中应严格按方案执行, 对作业队进行交底,由监理工程师进行验收认可。综合各方意见,可按本方案施工。年月日签字栏组长:专家:

1、当您付费下载文档后,您只拥有了使用权限,并不意味着购买了版权,文档只能用于自身使用,不得用于其他商业用途(如 [转卖]进行直接盈利或[编辑后售卖]进行间接盈利)。
2、本站所有内容均由合作方或网友上传,本站不对文档的完整性、权威性及其观点立场正确性做任何保证或承诺!文档内容仅供研究参考,付费前请自行鉴别。
3、如文档内容存在违规,或者侵犯商业秘密、侵犯著作权等,请点击“违规举报”。

碎片内容

危险性较大分部分项工程施工方案专家论证表

您可能关注的文档

确认删除?
VIP
微信客服
  • 扫码咨询
会员Q群
  • 会员专属群点击这里加入QQ群
客服邮箱
回到顶部