电脑桌面
添加小米粒文库到电脑桌面
安装后可以在桌面快捷访问

压力管道安装质量控制点一览表VIP免费

压力管道安装质量控制点一览表_第1页
1/15
压力管道安装质量控制点一览表_第2页
2/15
压力管道安装质量控制点一览表_第3页
3/15
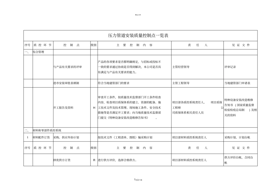
精品文档。1欢迎下载压力管道安装质量控制点一览表序号质 控 环 节控制点级别主要控制内容责任人见 证 文 件一、 综合管理与产品有关要求的评审产品的各项要求是否都明确规定,与招标或投标不一致的要求通过协商是否得到解决,本公司是否具有满足与产品有关要求的能力。主管经营领导评审记录进市安装审批表填制符合当地建管部门的要求主管工程领导当地建管部门申请表开工报告及资料H 审查开工条件,按质量技术监督部门开工条件检查内容,检查项目质保体系的建立、资源的配备、施工技术文件及技术管理、现场施工条件、安全技术措施等是否满足开工要求;向当地质量技术监督部门提交《特种设备安装改造维修告知书》。项目部各质控系统责任人、项目质保工程师公司质保体系相关责任人员特种设备安装改造维修告知书 ( 国家质量监督检验检疫总局制) 及相关的资料二、 材料和零部件质控系统1 材料配件订货采购、供应外协计划按技术文件(工程清单、图纸)编采购计划项目部材料质控系统责任人采购计划、计划台帐序号质 控 环 节控制点级别主要控制内容责任人见 证 文 件择优供方订货R 进行供方评价,选择合格供方。项目部材料质控系统责任人供方评价台帐,合同台帐精品文档。2欢迎下载2 材料配件验收质量证明书审核R 质量证明书的内容是否符合标准要求项目部材料质控系统责任人质保书需行复验标准规定需复验时,按标准要求实施(取样数量、取样位置等)项目部材料质控系统责任人试样复验委托填写委托单,委托项目是否齐全。物检员试样复验委托单复验报告按标准判断材料是否合格。项目部材料质控系统责任人复验报告验收入库R 填写进货物资验收记录表,验证为合格材料入库。项目部材料质控系统责任人进货物资验收记录表、入库单4 材料保管合格品存放按类别、规格存放。保管员库房实物存放不合格品存放不合格品隔离。保管员库房实物存放标志标识R 名称、规格、材质、型号、检验状态等标识,物检员、保管员实物标识5 材料发放领料单签发按工程材料计划签发。项目部材料质控系统责任人领料单标记移植R 先标记移植,后下料,并有物检员的确认印记物检员、保管员实物标识序号质 控 环 节控制点级别主要控制内容责任人见 证 文 件发料核对所发材料名称、规格、材质、型号等保管员发料单6 材料代用提出代用意见材料代用理由项目部材料计划员、材料质控系统责任人材料代用单代用材料初审审核材料代用是否符合规范标准要求项目部工艺...

1、当您付费下载文档后,您只拥有了使用权限,并不意味着购买了版权,文档只能用于自身使用,不得用于其他商业用途(如 [转卖]进行直接盈利或[编辑后售卖]进行间接盈利)。
2、本站所有内容均由合作方或网友上传,本站不对文档的完整性、权威性及其观点立场正确性做任何保证或承诺!文档内容仅供研究参考,付费前请自行鉴别。
3、如文档内容存在违规,或者侵犯商业秘密、侵犯著作权等,请点击“违规举报”。

碎片内容

压力管道安装质量控制点一览表

爱的疯狂+ 关注
实名认证
内容提供者

该用户很懒,什么也没介绍

确认删除?
VIP
微信客服
  • 扫码咨询
会员Q群
  • 会员专属群点击这里加入QQ群
客服邮箱
回到顶部