电脑桌面
添加小米粒文库到电脑桌面
安装后可以在桌面快捷访问

司法鉴定机构仪器设备基本配置标准VIP免费

司法鉴定机构仪器设备基本配置标准_第1页
1/8
司法鉴定机构仪器设备基本配置标准_第2页
2/8
司法鉴定机构仪器设备基本配置标准_第3页
3/8
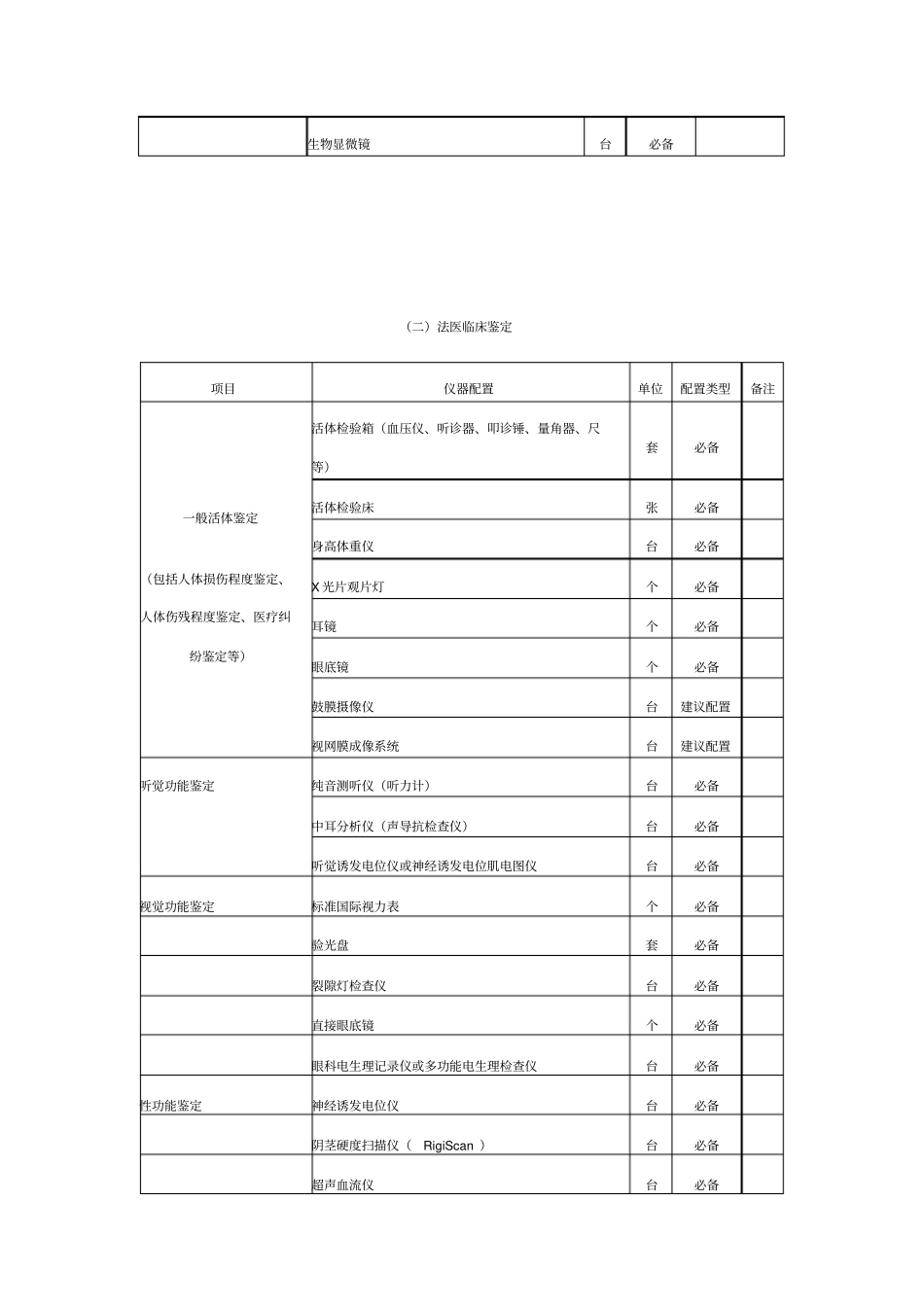
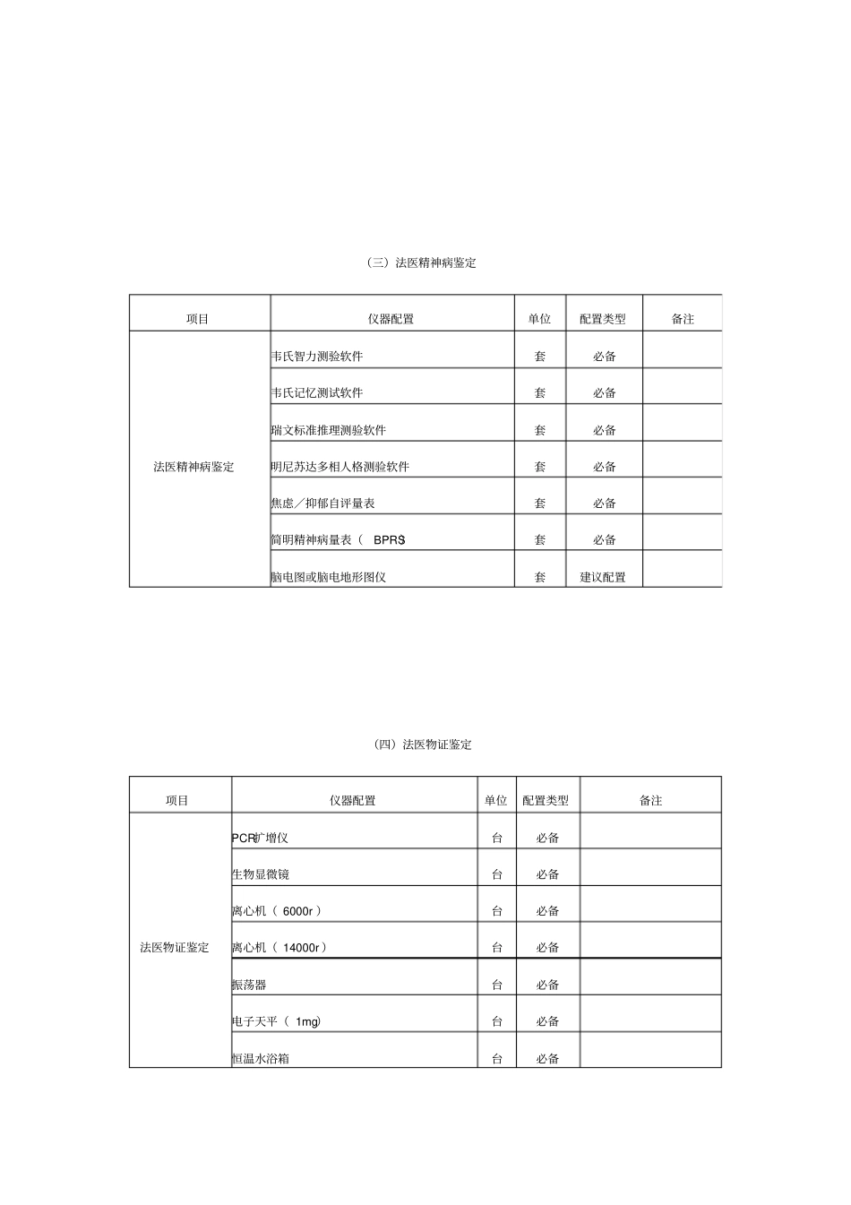
司法鉴定机构仪器设备基本配置标准(暂行)(发稿时间: 2007-10-30 阅读次数: 2079 )司法鉴定机构仪器设备基本配置标准(暂行)一、法医类鉴定(一)法医病理鉴定项目仪器配置单位配置类型备注死因鉴定死亡方式鉴定伤亡方式鉴定死亡事件推断损伤时间推断致伤物推断尸体解剖室必备尸体解剖台台必备尸体解剖及器官检查摄像设备套必备尸体解剖及器官检查录像设备套必备尸体解剖及器官检查器械套必备解剖器械消毒设备套必备生物显微镜台必备电子秤台必备X 光机建议配置石蜡切片机台建议配置组织病理实验室建议配置病理脱水包埋系统套建议配置尸体冷藏柜台建议配置尸体运输车辆辆建议配置组织学检验组织病理学实验室必备病理脱水包埋系统套必备石蜡切片机台必备生物显微镜台必备(二)法医临床鉴定项目仪器配置单位配置类型备注一般活体鉴定(包括人体损伤程度鉴定、人体伤残程度鉴定、医疗纠纷鉴定等)活体检验箱(血压仪、听诊器、叩诊锤、量角器、尺等)套必备活体检验床张必备身高体重仪台必备X 光片观片灯个必备耳镜个必备眼底镜个必备鼓膜摄像仪台建议配置视网膜成像系统台建议配置听觉功能鉴定纯音测听仪(听力计)台必备中耳分析仪(声导抗检查仪)台必备听觉诱发电位仪或神经诱发电位肌电图仪台必备视觉功能鉴定标准国际视力表个必备验光盘套必备裂隙灯检查仪台必备直接眼底镜个必备眼科电生理记录仪或多功能电生理检查仪台必备性功能鉴定神经诱发电位仪台必备阴茎硬度扫描仪(RigiScan )台必备超声血流仪台必备(三)法医精神病鉴定项目仪器配置单位配置类型备注法医精神病鉴定韦氏智力测验软件套必备韦氏记忆测试软件套必备瑞文标准推理测验软件套必备明尼苏达多相人格测验软件套必备焦虑/抑郁自评量表套必备简明精神病量表(BPRS)套必备脑电图或脑电地形图仪套建议配置(四)法医物证鉴定项目仪器配置单位配置类型备注法医物证鉴定PCR扩增仪台必备生物显微镜台必备离心机( 6000r )台必备离心机( 14000r )台必备振荡器台必备电子天平( 1mg)台必备恒温水浴箱台必备电热干燥箱台必备低温冰箱台必备微量进样器( 0-10 μ l,5-40μ l,40-200μl,200-1000μ l )套必备DNA定量检测设备套建议配置超净工作台台建议配置亲权(缘)鉴定DNA自动遗传分析测序仪台必备至少需具备所列仪器之一DNA银染分析设备(电泳仪、恒温脱色摇床等)套必备个体识别DNA自动遗传分析测序仪台必备骨骼 DNA提取工具(电钻、粉碎机等)套必...

1、当您付费下载文档后,您只拥有了使用权限,并不意味着购买了版权,文档只能用于自身使用,不得用于其他商业用途(如 [转卖]进行直接盈利或[编辑后售卖]进行间接盈利)。
2、本站所有内容均由合作方或网友上传,本站不对文档的完整性、权威性及其观点立场正确性做任何保证或承诺!文档内容仅供研究参考,付费前请自行鉴别。
3、如文档内容存在违规,或者侵犯商业秘密、侵犯著作权等,请点击“违规举报”。

碎片内容

司法鉴定机构仪器设备基本配置标准

确认删除?
VIP
微信客服
  • 扫码咨询
会员Q群
  • 会员专属群点击这里加入QQ群
客服邮箱
回到顶部