电脑桌面
添加小米粒文库到电脑桌面
安装后可以在桌面快捷访问

同济大学同轴式减速箱设计计算书解读VIP免费

同济大学同轴式减速箱设计计算书解读_第1页
1/34
同济大学同轴式减速箱设计计算书解读_第2页
2/34
同济大学同轴式减速箱设计计算书解读_第3页
3/34
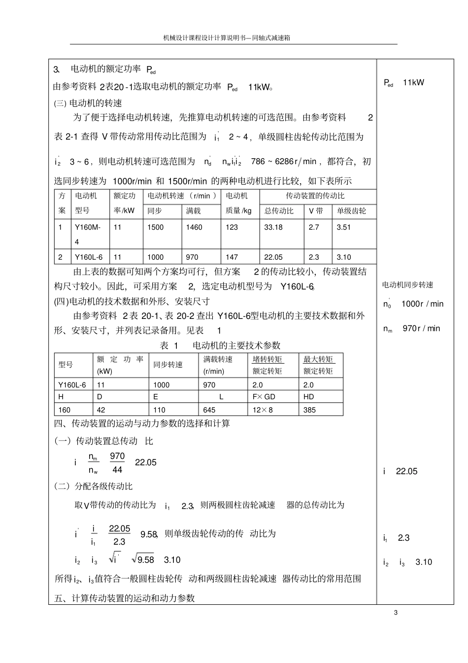
机械设计课程设计计算说明书—同轴式减速箱1 设计计算及说明主要结果一、设计任务书设计一用于带式运输机上同轴式二级圆柱齿轮减速器(一)总体布置简图(二)工作情况工作平稳、单向运转(三)原始数据运 输 机 卷筒扭矩( N?m)运 输 带速度(m/s)鼓 轮 直径(mm)带 速 允许 偏 差(%)使 用 年限(年)工 作 制度(班 /日)1450 0.80 350 5 10 2 (四)设计内容1.电动机的选择与参数计算2.斜齿轮传动设计计算3.轴的设计4.滚动轴承的选择5.键和联轴器的选择与校核6.装配图、零件图的绘制7.设计计算说明书的编写(五)设计任务1.减速器总装配图 1 张机械设计课程设计计算说明书—同轴式减速箱2 2.齿轮、轴零件图各一张3.设计计算说明书一份二、传动方案的分析与论证本传动方案采用同轴式二级圆柱齿轮减速器,下面对该传动方案的优缺点进行分析:min44min3508.0100060100060rrDvnnwww,即筒的转速由已知条件计算驱动卷一般选用同步转速为min1500min1000rr或的电动机为原动机,因此传动装置的总传动比约为23 或 34。根据总传动比的数值可知应选择二级传动。同轴式作为常用的二级减速器传动方案, 其常用传动比为 8~40,符合要求。减速器横向尺寸较小,两大齿轮浸油深度可以大致相同。并且此传动方案采用电动机在高速端通过V 带传动与减速器相连,有利于整个传动系统结构紧凑、匀称,并且 V 带传动有缓冲减振,传动平稳,过载保护和减小噪声的优点。但是同轴式结构较复杂,轴向尺寸大,中间轴长,刚度差,且中间轴承润滑较困难。三、电动机的选择计算(一)电动机类型和结构形式按工作要求和工作条件,选用一般用途的Y(IP44)系列的三相异步电动机,它为卧式封闭结构。(二)电动机的容量kWkWPPVPPPPkWkWnTPPwdwwddwwwwww1.8868.00.7868.099.097.099.096.099.097.099.096.04-2220.795.09550441450955095.012342332143214321423321,故,则;弹性联轴器齿轮传动;圆柱;滚动轴承带传动可得表效率。查参考资料轴承的轴之间的各传动机构和分别是从电动机到卷筒、、、式中,电动机输出功率、,则卷筒轴所需功率取工作机的传动效率为卷筒轴所需功率、min44 rnwkWPw0.7868.0kWPd1.8机械设计课程设计计算说明书—同轴式减速箱3 。选取电动机的额定功率表由参考资料电动机的额定功率、kWPPeded111-2023(三) 电动机的转速为了便于选择电动机转速,先推算电动机转速的可选范围。由参考资料2表 2-1 查得 V 带传动常用传动比范围为...

1、当您付费下载文档后,您只拥有了使用权限,并不意味着购买了版权,文档只能用于自身使用,不得用于其他商业用途(如 [转卖]进行直接盈利或[编辑后售卖]进行间接盈利)。
2、本站所有内容均由合作方或网友上传,本站不对文档的完整性、权威性及其观点立场正确性做任何保证或承诺!文档内容仅供研究参考,付费前请自行鉴别。
3、如文档内容存在违规,或者侵犯商业秘密、侵犯著作权等,请点击“违规举报”。

碎片内容

同济大学同轴式减速箱设计计算书解读

确认删除?
VIP
微信客服
  • 扫码咨询
会员Q群
  • 会员专属群点击这里加入QQ群
客服邮箱
回到顶部