电脑桌面
添加小米粒文库到电脑桌面
安装后可以在桌面快捷访问

河北飞达塑料股份有限公司QSA含VDA(doc46)VIP免费

河北飞达塑料股份有限公司QSA含VDA(doc46)_第1页
1/43
河北飞达塑料股份有限公司QSA含VDA(doc46)_第2页
2/43
河北飞达塑料股份有限公司QSA含VDA(doc46)_第3页
3/43
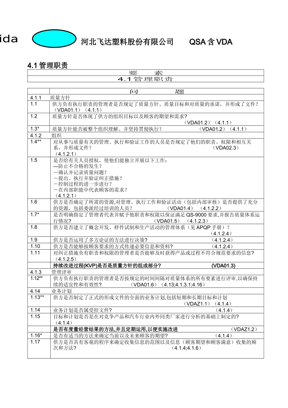
河北飞达塑料股份有限公司 QSA 含 VDA目 录4.1 管理职责4.2 质量体系 4.3 合同评审4.4 设计控制4.5 文件和资料控制4.6 采购4.7 顾客提供产品的控制4.8 产品标识和可追溯性4.9 过程控制4.10 检验和试验4.11 检验、测量和试验设备4.12 检验和试验状态4.13 不合格品的控制4.14 纠正和预防措施4.15 搬运、储存、包装、防护和交付4.16 质量记录的控制4.17 内部质量审核 4.18 培训4.19 服务4.20 统计技术克莱斯勒特殊要求福特特殊要求通用特殊要求附件 河北飞达塑料股份有限公司 QSA 含 VDA4.1 管理职责要 素4.1管理职责问 题4.1.1 质量方针1.1供方负有执行职责的管理者是否规定了质量方针、质量目标和对质量的承诺,并形成了文件? (VDA01.1)(4.1.1)1.2质量方针是否体现了供方的组织目标以及顾客的期望和需求? (VDA01.2)(4.1.1)1.3*质量方针能否被整个组织理解、并坚持贯彻执行? (VDA01.2)(4.1.1)4.1.2 组织1.4**对从事与质量有关的管理、执行和验证工作的人员是否规定了他们的职责、权限和相互关系,并形成文件? (VDA02.3)(4.1.2.1)1.5是否给有关人员授权,使他们能独立开展以下工作:―防止不合格的发生?-确认并记录质量问题?-提出、执行并验证纠正措施?-控制过程的进一步进行?-在内部职能中代表顾客的需求? (4.1.2.1)1.6供方是否确定了所需的资源,对管理、执行工作和验证活动(包括内部审核)是否提供了充分的资源,包括委派经过培训的人员? (VDA01.4) (4.1.2.2)1.7*是否明确指定了管理者代表并赋予他职责和权限以保证满足 QS-9000 要求,并报告质量体系运行情况? (VDA01.5) (4.1.2.3)1.8供方是否建立了概念开发、样件试制和生产活动的管理体系(见 APQP 手册)? (4.1.2.4)1.9供方是否运用了多方论证的方法进行决策? (4.1.2.4)1.10供方是否能够按顾客要求的方式传递必要信息和资料? (4.1.2.4)1.11对纠正措施负有职责和权限的管理者是否能够及时获得产品或过程不符合规范要求的信息? (4.1.2.5)持续改进过程(KVP)是否是质量方针的组成部分? (VDA01.3)4.1.3 管理评审1.12**供方负有执行职责的管理者是否按规定的时间间隔对质量体系的所有要素进行评审,以确保持续的适宜性和有效性? (VDA01.6)(4.13;4.1.3.1;4.16)4.14 业务计划1.13**供方是否制定了正式的形成文件的全面的业务计划,包括短期和长期目标和计划 (VDAZ1.1)(4.1.4)1.14业务...

1、当您付费下载文档后,您只拥有了使用权限,并不意味着购买了版权,文档只能用于自身使用,不得用于其他商业用途(如 [转卖]进行直接盈利或[编辑后售卖]进行间接盈利)。
2、本站所有内容均由合作方或网友上传,本站不对文档的完整性、权威性及其观点立场正确性做任何保证或承诺!文档内容仅供研究参考,付费前请自行鉴别。
3、如文档内容存在违规,或者侵犯商业秘密、侵犯著作权等,请点击“违规举报”。

碎片内容

河北飞达塑料股份有限公司QSA含VDA(doc46)

知识面包店+ 关注
实名认证
内容提供者

热爱教学事业,对互联网知识分享很感兴趣

确认删除?
VIP
微信客服
  • 扫码咨询
会员Q群
  • 会员专属群点击这里加入QQ群
客服邮箱
回到顶部