电脑桌面
添加小米粒文库到电脑桌面
安装后可以在桌面快捷访问

钻井工程设计格式培训VIP免费

钻井工程设计格式培训_第1页
1/114
钻井工程设计格式培训_第2页
2/114
钻井工程设计格式培训_第3页
3/114
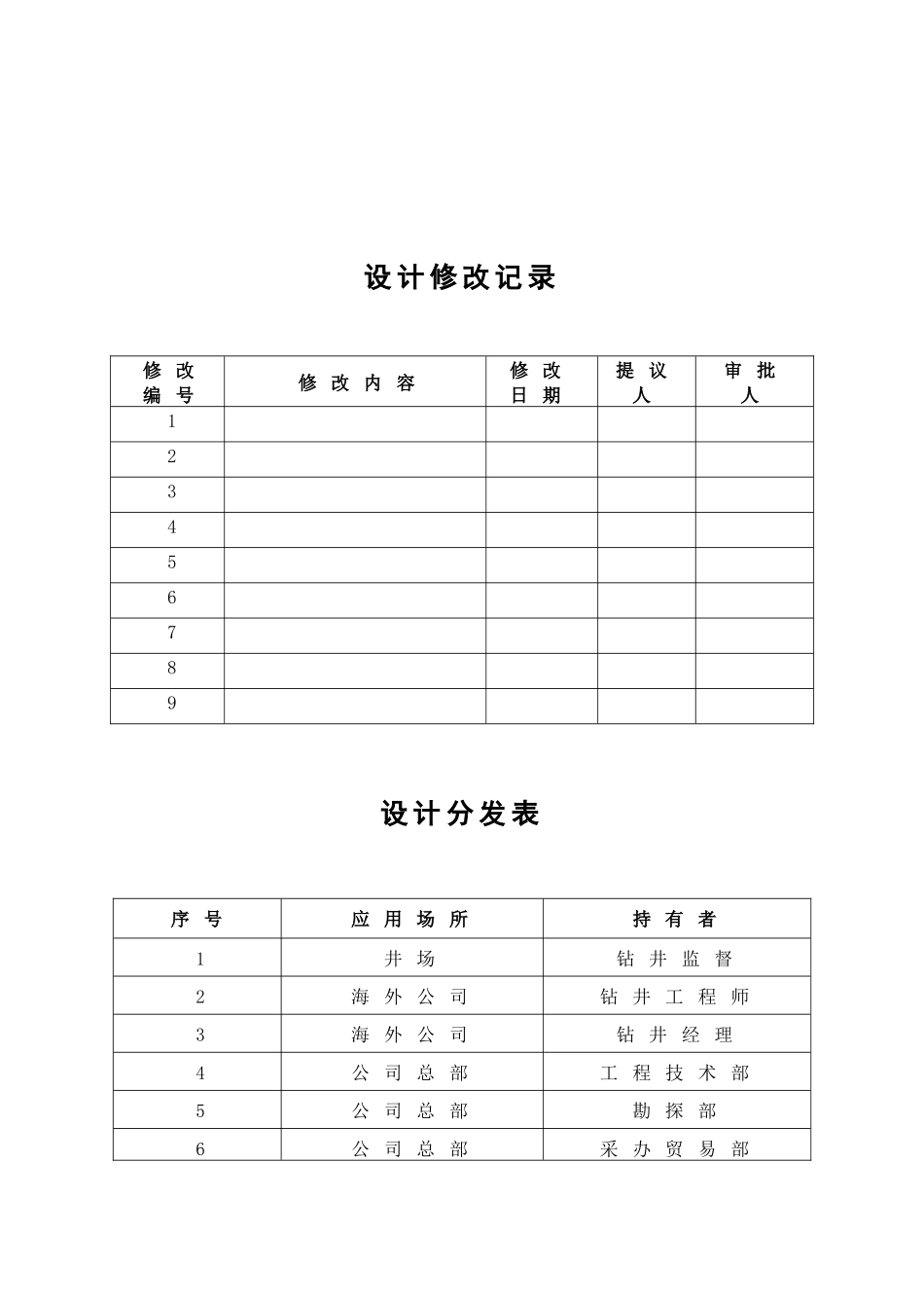
密 级 : 秘 密国家: 地区: 油 田 : 构造: 井别: 井 号 : 钻 井 工 程 设 计中 国 石 化 集 团 国 际 石 油 勘 探 开 发 有 限 公 司年 月 日 ×× 井 钻 井 工 程 设 计编 写 单 位 : 编 写 人 : ( 姓 名 ) 职 务 : 签 名 : 日 期 :审 核 人 : ( 姓 名 ) 职 务 : 签 名 : 日 期 :审 批 人 : ( 姓 名 ) 职 务 : 签 名 : 日 期 :设 计 修 改 记 录修 改编 号修 改 内 容修 改日 期提 议人审 批人123456789设 计 分 发 表序 号应 用 场 所持 有 者1井 场钻 井 监 督2海 外 公 司钻 井 工 程 师3海 外 公 司钻 井 经 理4公 司 总 部工 程 技 术 部5公 司 总 部勘 探 部6公 司 总 部采 办 贸 易 部7承 包 商钻 井 技 术 负 责 人8承 包 商钻 井 公 司 经 理×× 井 钻 井 工 程 设 计 评 审 意 见主 管 部 门 审 核 意 见 :负 责 人 签 字 : 分 管 部 门 审 核 意 见 : 负 责 人 签 字 : 日期:хххх 年хх 月хх 日公 司 领 导 审 批 意 见 : 负 责 人 签 字 : 日 期 :хххх 年хх 月 хх 日×× 井 钻 井 工 程 设 计 评 审 人 员 名 单姓名职称/职务工作单位签名组长成员×× 井 钻 井 工 程 设 计 评 审 意 见目 录1. 钻 井 设 计 依 据 .......................................................................................11.1区 块 地 质 概 况 ...........................................................................................11.2地 理 及 环 境 资 料 ....................................................................................11.3钻 井 地 质 要 求 ...........................................................................................11.4钻 遇 地 层 .........................................................................................................31.5地 层 可 钻 性 及 压 力 预 测 ...............................................................41.6技 术 指 标 及 质 量 要 求 ...........

1、当您付费下载文档后,您只拥有了使用权限,并不意味着购买了版权,文档只能用于自身使用,不得用于其他商业用途(如 [转卖]进行直接盈利或[编辑后售卖]进行间接盈利)。
2、本站所有内容均由合作方或网友上传,本站不对文档的完整性、权威性及其观点立场正确性做任何保证或承诺!文档内容仅供研究参考,付费前请自行鉴别。
3、如文档内容存在违规,或者侵犯商业秘密、侵犯著作权等,请点击“违规举报”。

碎片内容

钻井工程设计格式培训

您可能关注的文档

确认删除?
VIP
微信客服
  • 扫码咨询
会员Q群
  • 会员专属群点击这里加入QQ群
客服邮箱
回到顶部