电脑桌面
添加小米粒文库到电脑桌面
安装后可以在桌面快捷访问

x86)安装及性能调优案例——安徽烟草,39页VIP免费

x86)安装及性能调优案例——安徽烟草,39页_第1页
1/40
x86)安装及性能调优案例——安徽烟草,39页_第2页
2/40
x86)安装及性能调优案例——安徽烟草,39页_第3页
3/40
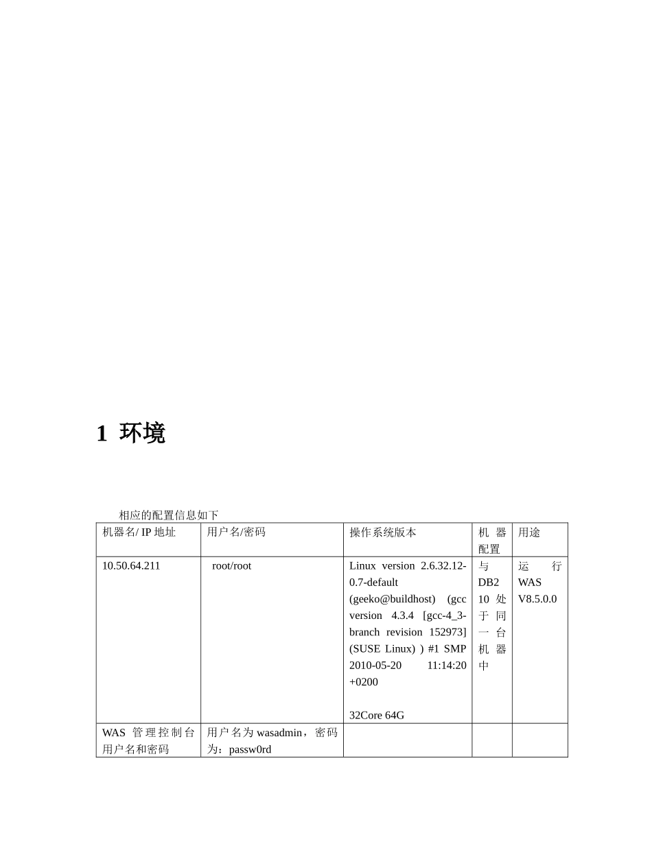
WAS V8.5 for Linux(x86) 安装以及性能调优概要 作者:Tong Jing Wen2025 年 3 月 7 日R目录1环境..................................................................................................42安装思路............................................................................................43安装步骤............................................................................................53.1 简介........................................................................................53.2 上传介质..................................................................................53.3 LINUX 环境基本参数检查...........................................................53.4 安装 WAS 8.5...........................................................................63.4.1 安装 Installation Manager.................................................63.4.2 安装 WAS 8.5 基本介质和创建 WAS 8.5 运行环境(Profile). .63.4.3其它基本重要信息..............................................................233.5 LINUX 参数调优......................................................................233.5.1Linux 启动大页支持.........................................................233.5.2LINUX 针对 JAVA 所定义环境参数设置.................................253.5.3LINUX 网络参数调整.........................................................253.6 WAS 参数调优........................................................................253.6.1基本调优..........................................................................253.6.2后续调优..........................................................................264参考资料..........................................................................................395注意................................................................................................391 环境相应的配置信息如下机器名/ IP 地址用户名/密码操作系统版本机 器配置用途10.50.64.211root/rootLinux version 2.6.32.12-0.7-default (geeko@buildhost) (gcc...

1、当您付费下载文档后,您只拥有了使用权限,并不意味着购买了版权,文档只能用于自身使用,不得用于其他商业用途(如 [转卖]进行直接盈利或[编辑后售卖]进行间接盈利)。
2、本站所有内容均由合作方或网友上传,本站不对文档的完整性、权威性及其观点立场正确性做任何保证或承诺!文档内容仅供研究参考,付费前请自行鉴别。
3、如文档内容存在违规,或者侵犯商业秘密、侵犯著作权等,请点击“违规举报”。

碎片内容

x86)安装及性能调优案例——安徽烟草,39页

状元书店+ 关注
实名认证
内容提供者

热爱教学事业,对互联网知识分享很感兴趣

确认删除?
VIP
微信客服
  • 扫码咨询
会员Q群
  • 会员专属群点击这里加入QQ群
客服邮箱
回到顶部