电脑桌面
添加小米粒文库到电脑桌面
安装后可以在桌面快捷访问

01纯水系统维护保养计划及标准VIP免费

01纯水系统维护保养计划及标准_第1页
1/4
01纯水系统维护保养计划及标准_第2页
2/4
01纯水系统维护保养计划及标准_第3页
3/4
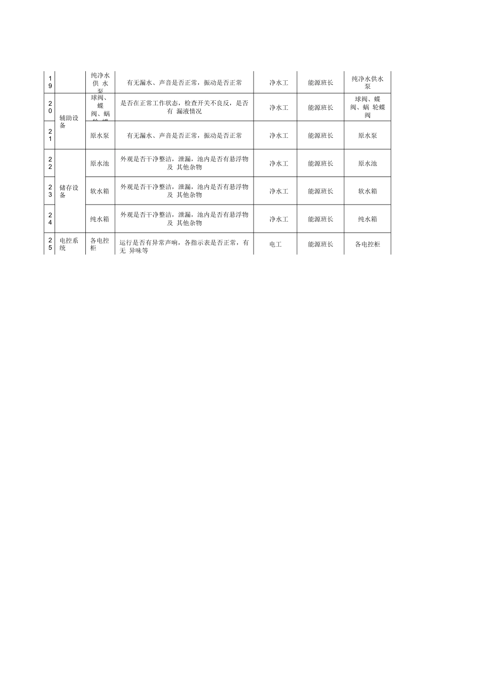
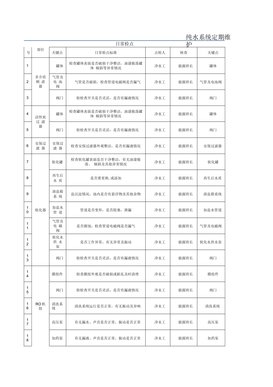
纯水系统定期维护日常检点号部位关键点日常检点标准点检人核查关键点1多介质顾 虑器罐体检查罐体表面是否破损干净整洁,油漆脱落罐体 倾斜等异常情况净水工能源班长罐体2气管及电 池阀气管是否破损,检查管道电磁阀是否漏气净水工能源班长气管及电池阀3阀门检检查开关是否灵活,是否有漏液情况净水工能源班长阀门4活性炭过 滤器罐体检查罐体表面是否破损干净整洁,油漆脱落罐体 倾斜等异常情况净水工能源班长罐体5阀门检检查开关是否灵活,是否有漏液情况净水工能源班长阀门6安保过滤 器安保过滤 器检查安保过滤器外观整洁,是否有漏液情况净水工能源班长安保过滤器7软化器软化罐检查软化罐表面是否干净整洁,有无油漆脱落、 倾斜及其他异常情况净水工能源班长软化罐8再生后水 质是否要更换,或添加净水工能源班长再生后水质9溶盐箱系 统盐沉淀情况,池内是否有悬浮物及其他杂物净水工能源班长溶盐箱系统10加盐水管 道管道是否变形,是否阻塞,泄漏净水工能源班长加盐水管道11气管及电 磁阀是否腐蚀,检查管道电磁阀是否漏气净水工能源班长气管及电磁阀12软化水供 水泵是否工作异常,有无异常及振动净水工能源班长软化水供水泵13阀门检检查开关是否灵活,是否有漏液情况净水工能源班长阀门14RO 机组膜组件检查膜组外观是否破损或脏乱及时清理净水工能源班长膜组件15阀门检检查开关是否灵活,是否有漏液情况净水工能源班长阀门16清洗系统清洗系统运行是否正常,有无振动及异响净水工能源班长清洗系统17高压泵有无漏水、声音是否正常,振动是否正常净水工能源班长高压泵18加药泵有无漏液、声音是否正常,振动是否正常净水工能源班长加药泵19纯净水供 水泵有无漏水、声音是否正常,振动是否正常净水工能源班长纯净水供水泵20辅助设备球阀、蝶 阀、蜗轮 蝶是否在正常工作状态,检查开关不良反,是否有 漏液情况净水工能源班长球阀、蝶阀、蜗 轮蝶阀21原水泵有无漏水、声音是否正常,振动是否正常净水工能源班长原水泵22储存设备原水池外观是否干净整洁,泄漏,池内是否有悬浮物及 其他杂物净水工能源班长原水池23软水箱外观是否干净整洁,泄漏,池内是否有悬浮物及 其他杂物净水工能源班长软水箱24纯水箱外观是否干净整洁,泄漏,池内是否有悬浮物及 其他杂物净水工能源班长纯水箱25电控系统各电控柜运行是否有异常声响,各指示表是否正常,有无 异味等电工能源班长各电控柜期维护保养标准(月、季度、年)维护保养维护保养标准...

1、当您付费下载文档后,您只拥有了使用权限,并不意味着购买了版权,文档只能用于自身使用,不得用于其他商业用途(如 [转卖]进行直接盈利或[编辑后售卖]进行间接盈利)。
2、本站所有内容均由合作方或网友上传,本站不对文档的完整性、权威性及其观点立场正确性做任何保证或承诺!文档内容仅供研究参考,付费前请自行鉴别。
3、如文档内容存在违规,或者侵犯商业秘密、侵犯著作权等,请点击“违规举报”。

碎片内容

01纯水系统维护保养计划及标准

确认删除?
VIP
微信客服
  • 扫码咨询
会员Q群
  • 会员专属群点击这里加入QQ群
客服邮箱
回到顶部