电脑桌面
添加小米粒文库到电脑桌面
安装后可以在桌面快捷访问

台达PLC控制伺服说明VIP免费

台达PLC控制伺服说明_第1页
1/19
台达PLC控制伺服说明_第2页
2/19
台达PLC控制伺服说明_第3页
3/19
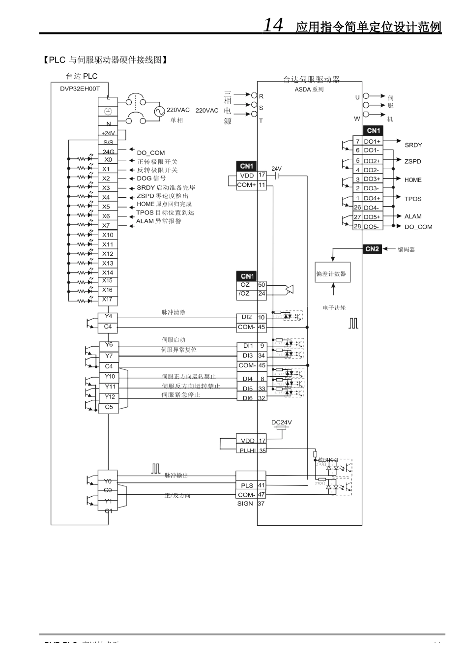
14 应用指令简单定位设计范例 DVP-PLC 应用技术手反转极限传感器 X0工作物DOG( 近点)传感器 X2正转极限传感器 X1伺服电机原点位置ASDA 伺服驱动器EHY0 脉冲输出Y1 正转 / 反转Y4 脉冲清除14-14.1台达 ASDA 伺服简单定位演示系统DOP-A 人机WPLSoft【控制要求】一 由台达 PLC 和台达伺服组成一个简单的定位控制演示系统。通过 PLC 发送脉冲控制伺服,实现原点回归、相对定位和绝对定位功能的演示。一 监控画面:原点回归、相对定位、绝对定位。【元件说明】PLC 软元件说明M0原点回归开关M1正转 10 圈开关M2反转 10 圈开关M3坐标 400000 开关M4坐标-50000 开关M10伺服启动开关M11伺服异常复位开关M12暂停输出开关(PLC 脉冲暂停输出)M13伺服紧急停止开关X0正转极限传感器X1反转极限传感器X2DOG(近点)信号传感器X3来自伺服的启动准备完毕信号(对应 M20)X4来自伺服的零速度检出信号(对应 M21)X5来自伺服的原点回归完成信号(对应 M22)X6来自伺服的目标位置到达信号(对应 M23)X7来自伺服的异常报警信号(对应 M24)Y0脉冲信号输出14 应用指令简单定位设计范 例 14-DVP-PLC 应用技术手Y1伺服电机旋转方向信号输出Y4清除伺服脉冲计数寄存器信号Y6伺服启动信号Y7伺服异常复位信号Y10伺服电机正方向运转禁止信号Y11伺服电机反方向运转禁止信号Y12伺服紧急停止信号M20伺服启动完毕状态M21伺服零速度状态M22伺服原点回归完成状态M23伺服目标位置到达状态M24伺服异常报警状态【ASD-A 伺服驱动器参数必要设置】参数设置值说明P0-022伺服面板显示脉冲指令脉冲计数P1-002外部脉冲输入形式设置为脉冲+方向P1-010位置控制模式(命令由外部端子输入)P2-10101当 DI1=On 时,伺服启动P2-11104当 DI2=On 时,清除脉冲计数寄存器P2-12102当 DI3=On 时,对伺服进行异常重置P2-13122当 DI4=On 时,禁止伺服电机正方向运转P2-14123当 DI5=On 时,禁止伺服电机反方向运转P2-15121当 DI6=On 时,伺服电机紧急停止P2-160无功能P2-170无功能P2-18101当伺服启动准备完毕,DO1=OnP2-19103当伺服电机转速为零时,DO2=OnP2-20109当伺服完成原点回归后,DO3=OnP2-21105当伺服到达目标位置后,DO4=OnP2-22107当伺服报警时,DO5=Onx 当出现伺服因参数设置错乱而导致不能正常运行时,可先设置 P2-08=10(回归出厂值),重新上电后再按照上表进行参数设置。1V电 14 应用指令简单定位设计范例 DVP-PLC 应用技术手14...

1、当您付费下载文档后,您只拥有了使用权限,并不意味着购买了版权,文档只能用于自身使用,不得用于其他商业用途(如 [转卖]进行直接盈利或[编辑后售卖]进行间接盈利)。
2、本站所有内容均由合作方或网友上传,本站不对文档的完整性、权威性及其观点立场正确性做任何保证或承诺!文档内容仅供研究参考,付费前请自行鉴别。
3、如文档内容存在违规,或者侵犯商业秘密、侵犯著作权等,请点击“违规举报”。

碎片内容

台达PLC控制伺服说明

您可能关注的文档

最好的沉淀+ 关注
实名认证
内容提供者

行业文档

确认删除?
VIP
微信客服
  • 扫码咨询
会员Q群
  • 会员专属群点击这里加入QQ群
客服邮箱
回到顶部