电脑桌面
添加小米粒文库到电脑桌面
安装后可以在桌面快捷访问

水压试验报告(带曲线图)VIP免费

水压试验报告(带曲线图)_第1页
1/5
水压试验报告(带曲线图)_第2页
2/5
水压试验报告(带曲线图)_第3页
3/5
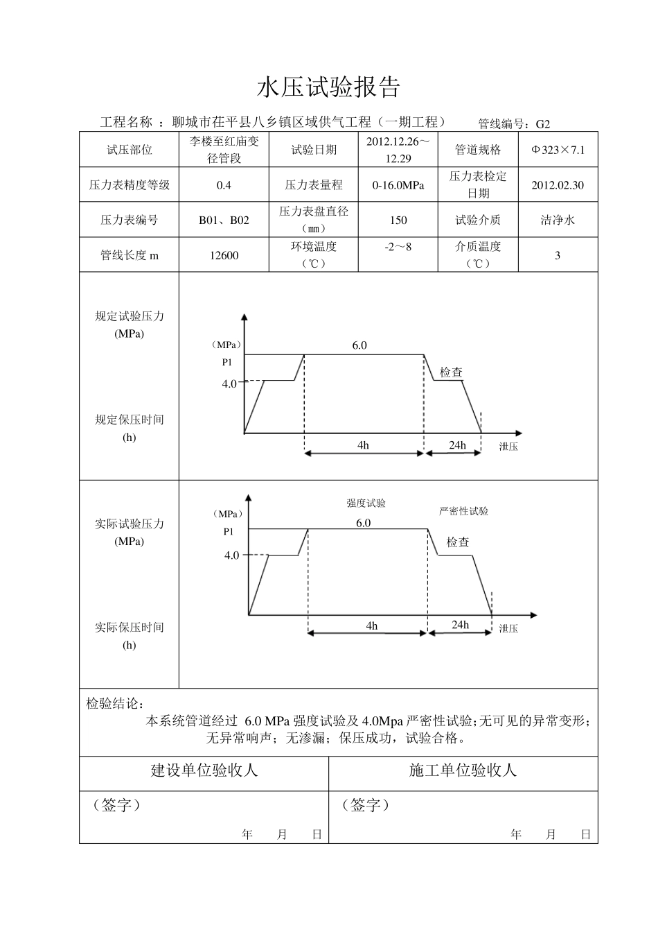
水压试验报告 工程名称 :聊城市茌平县八乡镇区域供气工程(一期工程) 管线编号:G1 试压部位 博平铁道1.6 公里穿越管线 试验日期 2012.04.18~04.21 管道规格 Φ406×8.0 压力表精度等级 0.4 压力表量程 0-16.0MPa 压力表检定日期 2012.02.30 压力表编号 B01、B02 压力表盘直径(㎜) 150 试验介质 洁净水 管线长度 m 1600 环境温度 (℃) 15 介质温度 (℃) 7 规定试验压力 (MPa) 规定保压时间 (h) 实际试验压力 (MPa) 实际保压时间 (h) 检验结论: 本系统管道经过 6.0 MPa 强度试验及 4.0Mpa 严密性试验;无可见的异常变形;无异常响声;无渗漏;保压成功,试验合格。 建设单位验收人 施工单位验收人 (签字) 年 月 日 (签字) 年 月 日 泄压 4h 6.0 4.0 检查 24h 检查 4.0 强度试验 严密性试验 24h (MPa) P1 4h 泄压 (MPa) P1 6.0 水压试验报告 工程名称 :聊城市茌平县八乡镇区域供气工程(一期工程) 管线编号:G1 试压部位 北杨集至博平门站管线 试验日期 2012.07.06~07.10 管道规格 Φ406×7.1 压力表精度等级 0.4 压力表量程 0-16.0MPa 压力表检定日期 2012.02.30 压力表编号 B01、B02 压力表盘直径(㎜) 150 试验介质 洁净水 管线长度 m 8950 环境温度 (℃) 29 介质温度 (℃) 20 规定试验压力 (MPa) 规定保压时间 (h) 实际试验压力 (MPa) 实际保压时间 (h) 检验结论: 本系统管道经过 6.0 MPa 强度试验及 4.0Mpa 严密性试验;无可见的异常变形;无异常响声;无渗漏;保压成功,试验合格。 建设单位验收人 施工单位验收人 (签字) 年 月 日 (签字) 年 月 日 泄压 4h 6.0 4.0 检查 24h 检查 4.0 强度试验 严密性试验 24h (MPa) P1 4h 泄压 (MPa) P1 6.0 水压试验报告 工程名称 :聊城市茌平县八乡镇区域供气工程(一期工程) 管线编号:G2 试压部位 李楼至红庙变径管段 试验日期 2012.12.26~12.29 管道规格 Φ323×7.1 压力表精度等级 0.4 压力表量程 0-16.0MPa 压力表检定日期 2012.02.30 压力表编号 B01、B02 压力表盘直径(㎜) 150 试验介质 洁净水 管线长度 m 12600 环境温度 (℃) -2~8 介质温度 (℃) 3 规定试验压力 (MPa) 规定保压时间 (h) 实际试验压力 (MPa) 实际保压时间 (h) 检验结论: 本系统...

1、当您付费下载文档后,您只拥有了使用权限,并不意味着购买了版权,文档只能用于自身使用,不得用于其他商业用途(如 [转卖]进行直接盈利或[编辑后售卖]进行间接盈利)。
2、本站所有内容均由合作方或网友上传,本站不对文档的完整性、权威性及其观点立场正确性做任何保证或承诺!文档内容仅供研究参考,付费前请自行鉴别。
3、如文档内容存在违规,或者侵犯商业秘密、侵犯著作权等,请点击“违规举报”。

碎片内容

水压试验报告(带曲线图)

确认删除?
VIP
微信客服
  • 扫码咨询
会员Q群
  • 会员专属群点击这里加入QQ群
客服邮箱
回到顶部