电脑桌面
添加小米粒文库到电脑桌面
安装后可以在桌面快捷访问

公路工程无机结合料稳定土试验报告

公路工程无机结合料稳定土试验报告_第1页
1/49
公路工程无机结合料稳定土试验报告_第2页
2/49
公路工程无机结合料稳定土试验报告_第3页
3/49
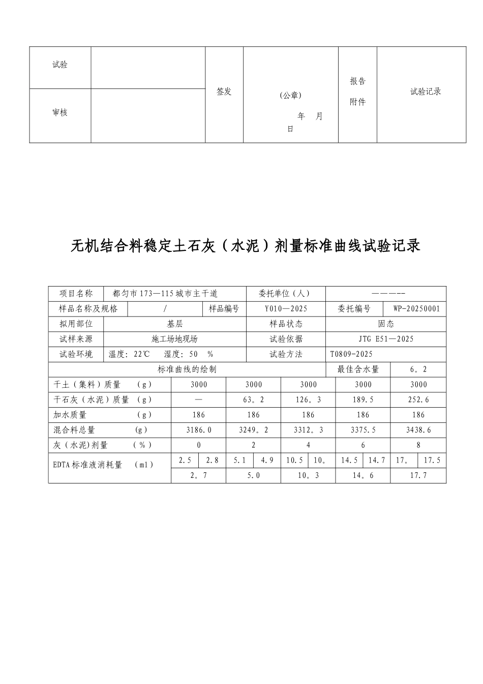
无机结合料稳定土试验检测报告 项目名称 都匀市 173-115 城市主干道试验性质试运行 委托单位 ———--检测编号 WP—20250001委托编号 试运行-016委托日期2025—12-25监理单位 ——-—-试验日期2025-1—6样品情况编号名 称规格型号数量单位产 地取样日期见证人备 注石屑0-2。3617。9KG施工场地现场2025.12.25 —----石屑2。36-17。5KG施工场地现场2025.12.25 ———-碎石4。75-9.515.6KG施工场地现场2025.12.25 —--—-碎石9.5—192KG施工场地现场2025.12.25 --—-—碎石19-31。523KG施工场地现场2025.12。25 ——-—-试验项目击实、无侧限抗压强度、灰计量标准曲线、颗粒级配检验标准及依据JTG E51-2025 JTG E42-2025 JTJ 034—2000 JTG D050—2025 GB 175—2025主要仪器设备压力试验机、标准筛仪器编号JL—012、TG-013试验结果及结论试验项目规定值实测值结论结合料类型含水量(%)///水泥稳定碎石集料压碎值(%)/12.1/击实最大干密度(g/cm3)/2。314/设计强度(MPa)最佳含水量(%)/6。23.0承载比(CBR)承载比(%)///膨胀量(%)//材料配比无侧限抗压强度平均值 Rc (MPa)/3.4/19—31.5:9.5-19:4。75-9.5:2。36—4.75:0-2.36=23:22:20:5:30标准差 S (MPa)/2。9偏差系数 Cv (%)/0.097Rc0。95= Rc—1.645S ( MPa)/3。2灰剂量(%)灰剂量标准曲灰剂量(%)024685.0EDTA 消耗量(mL)2。75。010.314。617.7颗粒级配粒径(mm)37。531。5199.54。752.360.60。075压实度(%)通过百分率(%)10010075.555。437.225.39.22。698规定通过百分率(%)10010068-8647-6729-3916-288-150-3备注:试验签发(公章) 年 月 日报告附件 试验记录审核无机结合料稳定土石灰(水泥)剂量标准曲线试验记录 项目名称 都匀市 173—115 城市主干道委托单位(人) ———--样品名称及规格/样品编号Y010—2025委托编号 WP-20250001拟用部位基层样品状态固态试样来源施工场地现场试验依据JTG E51—2025试验环境温度:22℃ 湿度:50 % 试验方法T0809-2025标准曲线的绘制 最佳含水量(%)6。2干土(集料)质量 (g)30003000300030003000干石灰(水泥)质量 (g)—63。2126。3189.5252.6加水质量 (g)186186186186186混合料总量 (g)3186.03249。23312。33375.53438.6灰(水泥)剂量 (%)02468EDTA 标准液消耗量 (ml)2.52.85.14.910.510。214.514.717。917.52。75.010。314。617.7 EDTA 消耗量 ...

1、当您付费下载文档后,您只拥有了使用权限,并不意味着购买了版权,文档只能用于自身使用,不得用于其他商业用途(如 [转卖]进行直接盈利或[编辑后售卖]进行间接盈利)。
2、本站所有内容均由合作方或网友上传,本站不对文档的完整性、权威性及其观点立场正确性做任何保证或承诺!文档内容仅供研究参考,付费前请自行鉴别。
3、如文档内容存在违规,或者侵犯商业秘密、侵犯著作权等,请点击“违规举报”。

碎片内容

公路工程无机结合料稳定土试验报告

您可能关注的文档

文森传品+ 关注
实名认证
内容提供者

一家传播文化教育的小店,资料丰富,随意挑选。

确认删除?
VIP
微信客服
  • 扫码咨询
会员Q群
  • 会员专属群点击这里加入QQ群
客服邮箱
回到顶部