电脑桌面
添加小米粒文库到电脑桌面
安装后可以在桌面快捷访问

围墙刷涂料技术交底VIP免费

围墙刷涂料技术交底_第1页
1/8
围墙刷涂料技术交底_第2页
2/8
围墙刷涂料技术交底_第3页
3/8
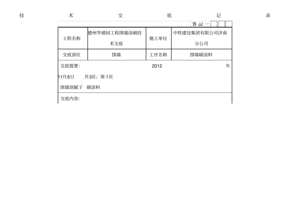
技术交底记录鲁 JJ 一工程名称德州华禧园工程围墙涂刷技术交底施工单位中铁建设集团有限公司济南分公司交底部位围墙工序名称围墙刷涂料交底提要: 2012年11月6日共3页;第 1页围墙刮腻子刷涂料交底内容:说明:现场全部预制围墙刮两道腻子后粉刷白色底漆,柱子中央和板材上下口位置刷中铁蓝线条,蓝色色调严格按照中铁按调配, 中铁蓝四色配比:C100 M80 Y0 K0 ,每隔 7 个柱距于板材中间喷绘中铁建设集团企业标识。一、 材料及机具准备涂料、填充料、腻子粉、高凳、腻子托板、滚筒、刷子、排笔、小漆桶、砂纸、橡皮刮板、腻子槽、擦布、棉丝、半截大桶等。二、 作业条件2.1 、 表面应基本干燥 , 基层含水率不得大于10%。2.2 、 墙体板材之间的洞口、阴阳角等提前处理完毕。2.3 、 大面积施工前应做好样板, 经验收合格后方可进行大面积施工三、 施工准备(作业条件)3.1 、熟悉审查图纸: 在施工前, 项目组织项目有关人员及劳务队负责人对施工交底资料进行详细审查,做好设计交底并对一些关键做法做到心中有数。3.2 、对施工技术人员和操作工人组织培训学习,进行分级交底。3.3 、依据项目部工程质量实施细则,确定质量控制点,分解施工质量目标,逐层质量检验。四、工艺流程及操作工艺4.1.工艺流程:基层处理→修补墙面→第一遍刮腻子,磨平→第二遍刮腻子,磨平→刷第一遍涂料→复补腻子→磨平→刷第二遍涂料→磨平(光)→喷涂企业标示→清理墙面4.2.刮腻子前在墙面上先喷、刷一道胶水(水:乳液为 5:1) 要喷刷均匀 ,不得有遗漏。4.3.满刮腻子:刮腻子时应横竖刮,即第一遍腻子横向刮,第二遍腻子竖向刮。注意按搓和收头时腻子要刮净 ,每道腻子干燥后应用砂纸打磨,将腻子磨平后并将浮尘擦净。项目( 专业) 交底人接受交底人技术负责人注:本记录一式两份,一份交底单位存,一份接受交底单位存。山东省建设工程质量监督总站监制技术交底记录鲁 JJ 一 005 工程名称德州华禧园工程围墙涂刷技术交底施工单位中铁建设集团有限公司济南分公司交底部位围墙工序名称围墙刷涂料交底提要: 2012年11月6日共3页;第 2页围墙刮腻子刷涂料4.4.涂刷第一遍白色涂料,涂刷时应先上后下。干燥后复补腻子,待复补腻子干燥后用砂纸磨光。隔 1 天后 ,可涂刷第二遍。4.5 在第二遍操作时不宜来回多次涂刷,以避免溶松第一遍漆膜 ,或出现显著的漆刷涂饰痕迹 ,影响质量。每隔 5 板墙涂刷中铁建设集团企业标示,间距及效果见下图。...

1、当您付费下载文档后,您只拥有了使用权限,并不意味着购买了版权,文档只能用于自身使用,不得用于其他商业用途(如 [转卖]进行直接盈利或[编辑后售卖]进行间接盈利)。
2、本站所有内容均由合作方或网友上传,本站不对文档的完整性、权威性及其观点立场正确性做任何保证或承诺!文档内容仅供研究参考,付费前请自行鉴别。
3、如文档内容存在违规,或者侵犯商业秘密、侵犯著作权等,请点击“违规举报”。

碎片内容

围墙刷涂料技术交底

您可能关注的文档

确认删除?
VIP
微信客服
  • 扫码咨询
会员Q群
  • 会员专属群点击这里加入QQ群
客服邮箱
回到顶部