电脑桌面
添加小米粒文库到电脑桌面
安装后可以在桌面快捷访问

土建移交精装修验收质量检查记录表VIP免费

土建移交精装修验收质量检查记录表_第1页
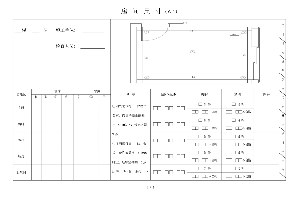
1/7
土建移交精装修验收质量检查记录表_第2页
2/7
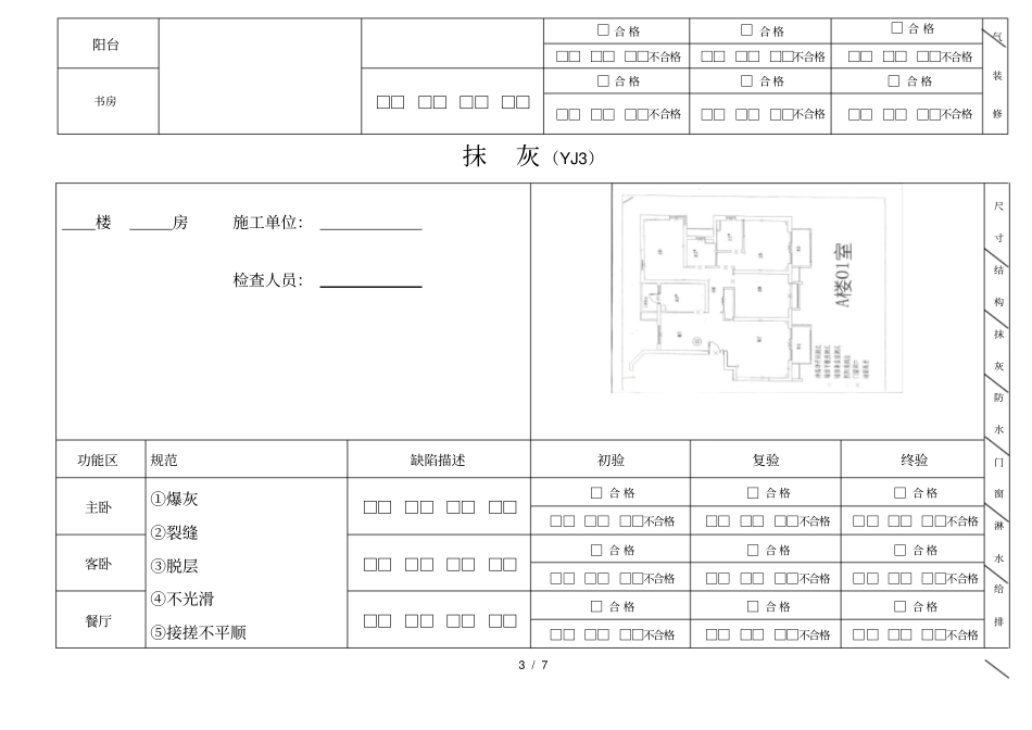
土建移交精装修验收质量检查记录表_第3页
3/7
1 / 7 房 间 尺 寸 (YJ1)楼房施工单位:检查人员:尺寸结构抹灰防水门窗淋水给排水电气功能区高度宽度规 范缺陷描述初验复验备注①②③④⑤⑥⑦主卧①轴线定位符合设计要求;内墙净差距偏差±15mm以内;长宽各测2 点;②净高应符合设计要求;允许偏差±10mm;卧室、起居室各测5 点,厨房、卫生间、阳台4□□ □□ □□□ 合 格□ 合 格□□ □□不合格□□ □□不合格客卧□□ □□ □□□ 合 格□ 合 格□□ □□不合格□□ □□不合格餐厅□□ □□ □□□ 合 格□ 合 格□□ □□不合格□□ □□不合格厨房□□ □□ □□□ 合 格□ 合 格□□ □□不合格□□ □□不合格卫生间□□ □□ □□□ 合 格□ 合 格□□ □□不合格□□ □□不合格2 / 7 阳台点。□□ □□ □□□ 合 格□ 合 格装修□□ □□不合格□□ □□不合格结构 (YJ2)楼房施工单位:检查人员:尺寸结构抹灰防水门窗淋水给排水电功能区规范缺陷描述初验复验终验主卧① 空鼓②裂缝③起砂④平整度≤ 4mm ⑤垂直度⑥阴阳角⑦地漏管道接合处不严密□□ □□ □□ □□□ 合 格□ 合 格□ 合 格□□ □□ □□不合格□□ □□ □□不合格□□ □□ □□不合格客卧□□ □□ □□ □□□ 合 格□ 合 格□ 合 格□□ □□ □□不合格□□ □□ □□不合格□□ □□ □□不合格餐厅□□ □□ □□ □□□ 合 格□ 合 格□ 合 格□□ □□ □□不合格□□ □□ □□不合格□□ □□ □□不合格厨房□□ □□ □□ □□□ 合 格□ 合 格□ 合 格□□ □□ □□不合格□□ □□ □□不合格□□ □□ □□不合格卫生间□□ □□ □□ □□□ 合 格□ 合 格□ 合 格□□ □□ □□不合格□□ □□ □□不合格□□ □□ □□不合格3 / 7 阳台□ 合 格□ 合 格□ 合 格气装修□□ □□ □□不合格□□ □□ □□不合格□□ □□ □□不合格书房□□ □□ □□ □□□ 合 格□ 合 格□ 合 格□□ □□ □□不合格□□ □□ □□不合格□□ □□ □□不合格抹灰 (YJ3)楼房施工单位:检查人员:尺寸结构抹灰防水门窗淋水给排功能区规范缺陷描述初验复验终验主卧①爆灰②裂缝③脱层④不光滑⑤接搓不平顺□□ □□ □□ □□□ 合 格□ 合 格□ 合 格□□ □□ □□不合格□□ □□ □□不合格...

1、当您付费下载文档后,您只拥有了使用权限,并不意味着购买了版权,文档只能用于自身使用,不得用于其他商业用途(如 [转卖]进行直接盈利或[编辑后售卖]进行间接盈利)。
2、本站所有内容均由合作方或网友上传,本站不对文档的完整性、权威性及其观点立场正确性做任何保证或承诺!文档内容仅供研究参考,付费前请自行鉴别。
3、如文档内容存在违规,或者侵犯商业秘密、侵犯著作权等,请点击“违规举报”。

碎片内容

土建移交精装修验收质量检查记录表

确认删除?
VIP
微信客服
  • 扫码咨询
会员Q群
  • 会员专属群点击这里加入QQ群
客服邮箱
回到顶部