电脑桌面
添加小米粒文库到电脑桌面
安装后可以在桌面快捷访问

坐标方位角计算VIP免费

坐标方位角计算_第1页
1/10
坐标方位角计算_第2页
2/10
坐标方位角计算_第3页
3/10
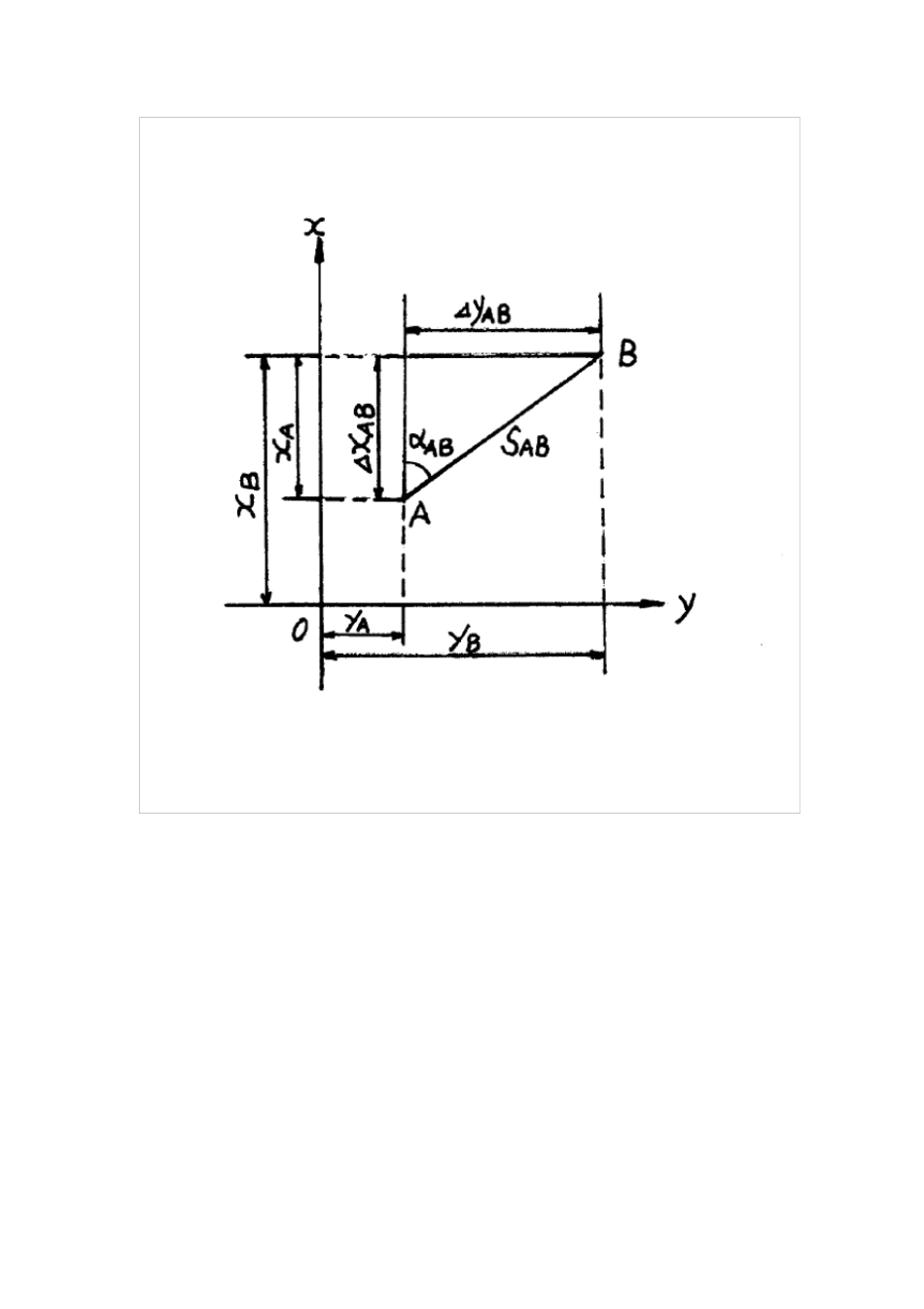
二计算坐标与坐标方位角的基本公式控制测量的主要目的是通过测量和计算求出控制点的坐标,控制点的坐标是根据边长及方位角计算出来的. 下面介绍计算坐标与坐标方位角的基本公式,这些公式是矿山测量工中最基本最常用的公式. 一、坐标正算和坐标反算公式1.坐标正算根据已知点的坐标和已知点到待定点的坐标方位角、边长计算待定点的坐标,这种计算在测量中称为坐标正算。如图 5— 5 所示,已知A 点的坐标为Ax 、Ay ,A 到 B 的边长和坐标方位角分别为ABS 和AB ,则待定点B 的坐标为ABABABAByyyxxx}(5— 1)式中ABx、ABy— - 坐标增量。由图 5-5 可知ABABABABABABSySxsincos}(5— 2)式中ABS ——水平边长;AB ——坐标方位角. 将式( 5— 2)代入式 (5-1) ,则有ABABABABABABSyySxxsincos}(5— 3) 当 A 点的坐标Ax 、Ay 和边长ABS 及其坐标方位角AB 为已知时,就可以用上述公式计算出待定点B的坐标。式( 5— 2)是计算坐标增量的基本公式,式(5 — 3)是计算坐标的基本公式,称为坐标正算公式。从图 5— 5 可以看出ABx 是边长ABS 在 x 轴上的投影长度,ABy是边长ABS 在 y 轴上的投影长度,边长是有向线段,是在实地由 A 量到 B 得到的正值。而公式中的坐标方位角可以从0° 到 360° 变化 , 根据三角函数定义,坐标方位角的正弦值和余弦值就有正负两种情况,其正负符号取决于坐标方位角所在的象限, 如图 5— 6所示。从式( 5— 2)知,由于三角函数值的正负决定了坐标增量的正负,其符号归纳成表5— 3. 图 5-5 坐标计算图 5— 6 坐标增量符号表 5— 3 坐标增量符号表坐 标 方位角(° )所在象限坐 标 增 量 的 正负号⊿x ⊿y 0~90 90~180 180~270 270~ⅠⅡⅢⅣ+--+++--360 例 1 已知A 点坐标Ax =100。 00m,Ay =300.10m;边长ABs =100m,方位角AB =330° 。求 B 点的坐标Bx 、By 。解: 根据公式( 5— 3)有msyymsxxABABABABABAB6.249330sin1001.300sin1.186330cos100100cos2、坐标反算由两个已知点的坐标计算出这两个点连线的坐标方位角和边长,这种计算称为坐标反算. 由式 (5 — 1)有ABABABAByyyxxx } (5-4) 该式说明坐标增量就是两点的坐标之差。在图5-5 中ABx表示由 A 点到达 B 点的纵坐标之差称纵坐标增量;ABy表示由 A 点到 B 点的横坐标之差称横坐标增量。坐标增量也有正负两种情况,它们决定...

1、当您付费下载文档后,您只拥有了使用权限,并不意味着购买了版权,文档只能用于自身使用,不得用于其他商业用途(如 [转卖]进行直接盈利或[编辑后售卖]进行间接盈利)。
2、本站所有内容均由合作方或网友上传,本站不对文档的完整性、权威性及其观点立场正确性做任何保证或承诺!文档内容仅供研究参考,付费前请自行鉴别。
3、如文档内容存在违规,或者侵犯商业秘密、侵犯著作权等,请点击“违规举报”。

碎片内容

坐标方位角计算

爱的疯狂+ 关注
实名认证
内容提供者

该用户很懒,什么也没介绍

相关文档

确认删除?
VIP
微信客服
  • 扫码咨询
会员Q群
  • 会员专属群点击这里加入QQ群
客服邮箱
回到顶部