电脑桌面
添加小米粒文库到电脑桌面
安装后可以在桌面快捷访问

基础模板施工技术交底VIP免费

基础模板施工技术交底_第1页
1/5
基础模板施工技术交底_第2页
2/5
基础模板施工技术交底_第3页
3/5
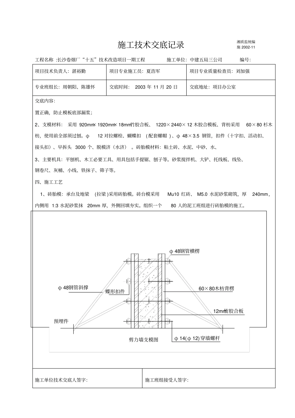
施工技术交底记录湘质监统编施 2002-11工程名称 :长沙卷烟厂“十五”技术改造项目一期工程施工单位:中建五局三公司编号:项目技术负责人:王志新项目专业施工员:聂润余项目专业质量检查员:张胜全专业班组长:周朝阳、胡中平交底时间: 2004 年 2 月 11 日交底地址:项目办公室交底内容1、 交底分部(子分部) 、分项工程名称:基础模板工程2、 交底执行标准名称及编号:建筑地基基础工程施工质量验收规范GB50202-2002 3、 交底内容摘要:一、工程概况本工程为长沙市卷烟厂“十五 ”技改项目动力中心,基础工程采用砖胎模。二、施工部署1、 基础工程施工工艺流程:施工准备 →抄平放线 →承台、拉梁土方开挖 →桩头处理 →浇筑承台拉梁混凝土垫层→砌砖胎模及胎模外土方回填 →绑扎承台、拉梁钢筋→ 浇筑承台拉梁混凝土→混凝土养护2、 施工区段的划分本工程基础部分按照施工图的分区方法,按后浇带划分为东西两段。三、施工准备1、项目技术负责人向施工人员进行书面技术交底和施工安全技术交底;根据设计图纸,放出建筑物的轴线并弹出模板安装位置,将标高引测到模板安装位置;用水泥砂浆找平模板承垫底部,以保证模板安装位施工单位技术交底人签字:施工班组接受人签字:施工技术交底记录湘质监统编施 2002-11工程名称 :长沙卷烟厂“十五”技术改造项目一期工程施工单位:中建五局三公司编号:项目技术负责人:湛裕勤项目专业施工员:夏浩军项目专业质量检查员:刘加强专业班组长:周朝阳、陈雄怀交底时间: 2003 年 11 月 20 日交底地址:项目办公室交底内容:置正确,防止模板底部漏浆;2、支模材料: 采用 920mm×1920mm×18mm竹胶合板、 1220×2440× 12 木胶合模板、背枋采用60×80 杉木枋,使用前全部须过刨。φ12 对拉螺栓、蝴蝶扣( 配套螺帽 ) 、φ 48×3.5 钢管,扣件(十字扣、活动扣、接头扣)、早拆头 3000 个、脱模济(水济) 。砖胎模材料:粘土砖、水泥、中砂、水、3、主要机具:平刨机、木工必要工具、用具包括手提锯、刨子等。砂浆搅拌机、大铲、托线板、线坠、钢卷尺、灰桶、小线、铁抹子、筛子等。四、施工工艺1、砖胎模:承台及地梁(拉梁 )采用砖胎模。砖台模采用Mu10 红砖、 M5.0 水泥砂浆砌筑,厚240mm,内侧用 1:3 水泥砂浆抹20mm 厚,外侧回填夯实。组织一个80 人的泥工班组进行砖胎模的施工。施工单位技术交底人签字:施工班组接受人签字:剪力墙支模图预埋件...

1、当您付费下载文档后,您只拥有了使用权限,并不意味着购买了版权,文档只能用于自身使用,不得用于其他商业用途(如 [转卖]进行直接盈利或[编辑后售卖]进行间接盈利)。
2、本站所有内容均由合作方或网友上传,本站不对文档的完整性、权威性及其观点立场正确性做任何保证或承诺!文档内容仅供研究参考,付费前请自行鉴别。
3、如文档内容存在违规,或者侵犯商业秘密、侵犯著作权等,请点击“违规举报”。

碎片内容

基础模板施工技术交底

确认删除?
VIP
微信客服
  • 扫码咨询
会员Q群
  • 会员专属群点击这里加入QQ群
客服邮箱
回到顶部