电脑桌面
添加小米粒文库到电脑桌面
安装后可以在桌面快捷访问

塑胶模具设计全套资料资料VIP免费

塑胶模具设计全套资料资料_第1页
1/7
塑胶模具设计全套资料资料_第2页
2/7
塑胶模具设计全套资料资料_第3页
3/7
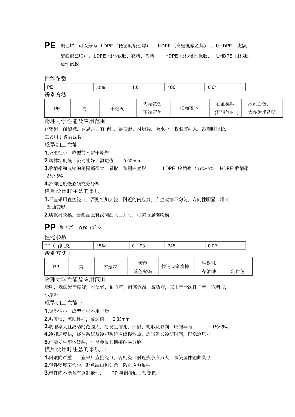
塑胶模具设计资料常用塑胶性能PA 聚酰胺俗称尼龙常用的 PA 有 PA6、PA66、PA12、PAST、防火 PA,其收缩率分别为 0.8~1.5,2.25,0.3~1.5,0.8~1.8,0.9 性能参数 :收缩率 0.9,比重 1.2g/cm(防火 PA 比重 1.4g/cm) ,注射温度260~300,排气槽深度0.01mm 防火 PA 9‰1.4 260~300 0.01 PA+GF30% 、PA6、PA66 9‰1.5 260~300 0.02 辨别方法 :PA 慢慢燃烧熄灭先端黄色熔融落下特殊味有弹性物理力学性能及应用范围:拉伸力强,耐磨、耐热寒,自润性非常好,流动性好,收缩波动大,变形大,风扇叶、,胶蕊等内配件,不适合做有外观要求和形状要求的外壳件。成型加工性能 :1.吸湿性较大,成型前必须干燥处理,否则在高温成型时易起泡、制品强度下降。2.热稳定性差沾度低流动性好易溢边、流涎, 溢边值 0.02mm,因此模具必须选用最小间隙,宜采用自锁式喷嘴3.收缩大,易发生缩孔、凹陷和变形等缺陷4.易沾模5.熔融前很硬易损伤模具、螺杆模具设计时注意的事项:1.可以采用各种形式的浇口,浇口与塑件相接处应圆滑过度。流道和浇口截面尺寸大些较好,这样可以改善缩孔和凹陷等缺陷。2.塑件壁厚不宜过厚并应均匀,脱模斜度不宜过小。3.注意顶出机构PC 聚碳酸酯俗称防弹胶性能参数:PC 5~8‰1.2 295℃0.02 PC+GF30% 0.05 物理力学性能及应用范围:透明度高,绝缘性好,强韧性好,耐冲击,光亮,粘度高,适用高透明产品,如车灯,仪表成型加工性能 :1.吸湿性不大,但是成型前必须干燥2.熔融沾度高须高温高压,不易出现溢料3.收缩性不大,可以用来成型尺寸精度较高的产品4.熔体冷却速度快,易应力裂痕5.熔料较硬 易损伤模具,故因提高模具的硬度或对模具进行镀铬处理模具设计时注意的事项:1.由于熔体粘度大,分流道内浇口阻力要小,因此模具的浇注系统要短而粗2.聚碳酸酯具有缺口敏感性,制品设计时忌有尖角、缺口、厚薄变化大的区域PE 聚乙烯可以分为 LDPE (低密度聚乙烯) 、HDPE (高密度聚乙烯) 、UHDPE (超高密度聚乙烯),LDPE 俗称软胶、花料、筒料,HDPE 俗称硬性软胶,UHDPE 俗称超硬性软胶性能参数:PE 30‰1.0 180 0.01 辨别方法 :PE 易不熄灭先端黄色熔融落下石油臭味淡乳白色,下端青色(石腊气味 ) 大多为半透明物理力学性能及应用范围:耐辐射,耐酸碱,耐腐烂,有弹性,易变形,材质轻,吸水小,收缩波动大,冷却时间长,主要用于食品包装成型加工性能 :1.吸湿性小,成型前不...

1、当您付费下载文档后,您只拥有了使用权限,并不意味着购买了版权,文档只能用于自身使用,不得用于其他商业用途(如 [转卖]进行直接盈利或[编辑后售卖]进行间接盈利)。
2、本站所有内容均由合作方或网友上传,本站不对文档的完整性、权威性及其观点立场正确性做任何保证或承诺!文档内容仅供研究参考,付费前请自行鉴别。
3、如文档内容存在违规,或者侵犯商业秘密、侵犯著作权等,请点击“违规举报”。

碎片内容

塑胶模具设计全套资料资料

确认删除?
VIP
微信客服
  • 扫码咨询
会员Q群
  • 会员专属群点击这里加入QQ群
客服邮箱
回到顶部