电脑桌面
添加小米粒文库到电脑桌面
安装后可以在桌面快捷访问

外墙复合硅酸盐板保温技术交底VIP免费

外墙复合硅酸盐板保温技术交底_第1页
1/5
外墙复合硅酸盐板保温技术交底_第2页
2/5
外墙复合硅酸盐板保温技术交底_第3页
3/5
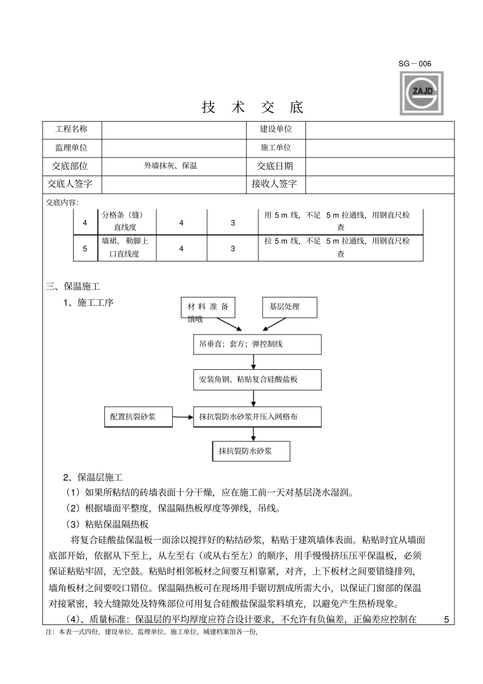
SG-006 技术交底工程名称建设单位监理单位施工单位交底部位外墙抹灰、保温交底日期交底人签字接收人签字交底内容:一、施工工艺流程基层处理→挂钢丝网→找规矩 (做灰饼、冲筋以定出灰层厚度基准与阴阳角找方)→甩浆(拉毛)→15 厚水泥砂浆找平(两次成活)→3-5 厚专用粘结砂浆→面层清理→洒水湿润墙体→吊垂直;套方;弹控制线→贴 30 厚硅酸盐保温板→抗裂砂浆粘玻纤网(5 厚)二、抹灰施工1、 基层处理:(1)对基层墙体进行清理,将主体结构上的砼块、钢筋、对拉镙杆塑套管等杂物等清除,并应洒水润湿。(2)对外墙脚手架眼、洞口用细石混凝土进行堵塞,对穿墙镙杆孔用发泡剂进行堵塞。(3)2m间距沿水平方向打饼,饼子平均厚度应满足保温设计要求且不能有负偏差。根据打饼情况,对保温超厚部分用水泥砂浆对墙体基层进行找补,对保温厚度偏薄部分进行剔打,保温层平均厚度符合设计要求。(4)质量检验:须监理、总包、保温分包单位共同对基层墙体进行验收。2、 施工要点(1)各抹灰层之间及抹灰层与基体之间必须粘接牢固,抹灰层应无脱层、空鼓和裂缝。(2)外墙钉挂钢网的要求:抹灰前,在钢筋砼结构与砌体墙连接处加设20*20*1 规格 300mm宽的钢丝网,并对其进行间距200*200 的木针固定,并必须张拉绷紧,以避免其在抹灰施工时,由于局部搓压的回弹的拉动而影响到抹灰层与基层的有效粘结。(3)墙面抹灰竖向施工缝尽量设置在阴角部位;水平走向的施工缝应尽量设置在梁腰部位并且施工缝应用灰刀针对性抹压密实;(4)灰分格缝的设置应符合设计要求,宽度和深度应均匀,表面应光滑,棱角应整齐。(5)有排水要求的部位应做滴水线(槽)。滴水线(槽)应整齐顺直,滴水线应内高外低,滴水槽宽度和深度均不应小于10 mm。(6)一般抹灰工程质量的允许偏差和检验方法应符合下表的规定:一般抹灰的允许偏差和检验方法项次项目允许偏差检验方法普通抹灰高级抹灰1 立面垂直度4 3 用 2 m 垂直检测尺检查2 表面平整度4 3 用 2 m 靠尺和塞尺检查3 阴阳角方正3 用直角检测尺检查注:本表一式四份,建设单位、监理单位、施工单位、城建档案馆各一份,四川省建设厅制SG-006 技术交底工程名称建设单位监理单位施工单位交底部位外墙抹灰、保温交底日期交底人签字接收人签字交底内容:4 分格条(缝)直线度4 3 用 5 m 线,不足 5 m 拉通线,用钢直尺检查5 墙裙、 勒脚上口直线度4 3 拉 5 m 线,不足 5 m ...

1、当您付费下载文档后,您只拥有了使用权限,并不意味着购买了版权,文档只能用于自身使用,不得用于其他商业用途(如 [转卖]进行直接盈利或[编辑后售卖]进行间接盈利)。
2、本站所有内容均由合作方或网友上传,本站不对文档的完整性、权威性及其观点立场正确性做任何保证或承诺!文档内容仅供研究参考,付费前请自行鉴别。
3、如文档内容存在违规,或者侵犯商业秘密、侵犯著作权等,请点击“违规举报”。

碎片内容

外墙复合硅酸盐板保温技术交底

确认删除?
VIP
微信客服
  • 扫码咨询
会员Q群
  • 会员专属群点击这里加入QQ群
客服邮箱
回到顶部