电脑桌面
添加小米粒文库到电脑桌面
安装后可以在桌面快捷访问

电气控制线路图VIP免费

电气控制线路图_第1页
1/11
电气控制线路图_第2页
2/11
电气控制线路图_第3页
3/11
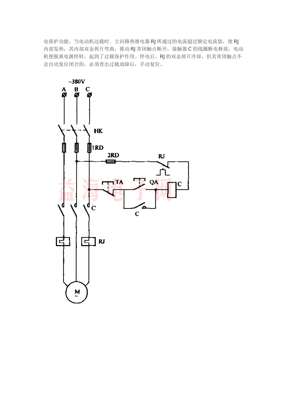
1.单按钮控制电动机起停线路常规电动机起动、停止需用两个按钮,在多点控制中,则需按钮引线较多。利用一个按钮多点远程控制电动机的起停,则可简化控制线路又节省导线。如图所示,其工作原理是:起动时.按下按钮 AN,继电器 1J 线圈得电吸合,1J 常开触点闭合,交流接触器 C 线圈通电,C 吸合并自锁.电动机起动。C 的常开辅助触头闭合,常闭辅助肋头断开.这时,继电器 2J 的线圈因 1J 的常闭触点已断开而不能通电,所以 2J 不能吸合。松开按钮 AN,因 C已自锁,所以交流接触器 C 仍吸合,电动机继续运转。但这时 1J 因 AN 放松而断电释放,其常闭触点复位,为接通 2J 作好准备。在第二次按下按钮 AN,这时继电器 1J 线圈通路被C 常闭触头切断,所以 U 不会吸合,而 2J 线圈通电吸合。2J 吸合后,其常闭触点断开,切断 C 线圈电源,C 断电释放,电动机停转。2.接触器控制电机线路具有自锁功能的电机控制线路,如图所示,当起动电动机时合上电源开关 HK,按下起动按钮酗,接触器 C 线圈获电,C 主触点闭合使电动机 M 运转;松开 QA,由于接触器 C 常开辅助触点闭合自锁,控制电路仍保持接通,电动机 M 继续运转。停止时,按 TA 接触器C 线圈断电.C 主触点断开,电动机 M 停转,同时自保持辅助触点分断。具有自锁的正转控制线路的重要特点是它具有欠压与失压(零压)保护作用。 有很多生产机械因负载过大、操作频繁等原因,使电动机定子绕组中长时间流过较大的电流,有时熔断器在这种情况下尚未及时熔断,以致引起定子绕组过热,影响电动机的使用寿命.严重的甚至烧坏电动机。因此,对电动机还必须实行过载保护。本线路具有热继电保护功能,当电动机过载时.主回路热继电器 RJ 所通过的电流超过额定电流值,使 RJ内部发热,其内部双金屑片弯曲,推动 RJ 常闭触点断开,接触器 C 的线圈断电释放,电动机便脱离电源停转,起到了过载保护作用。停电后,RJ 的双金屑片冷却,但其常闭触点不会自动复位闭合的,必须查出过载故障后,手动复位。3.电动机多条件起动控制电路(组图)为了保证人员和设备的安全,往往要求两处或多处同时操作才能发出主令信号,设备才能工作.要实现多信号控制,在线路中需要将启动按钮(或其他电器元的常开触点)串联。 多条件起动电路只是在起动时要求各处达到安全要求设备才能工作,但运行中其他控制点发生了变化,设备不停止运行,这与多保护控制电路不一样。...

1、当您付费下载文档后,您只拥有了使用权限,并不意味着购买了版权,文档只能用于自身使用,不得用于其他商业用途(如 [转卖]进行直接盈利或[编辑后售卖]进行间接盈利)。
2、本站所有内容均由合作方或网友上传,本站不对文档的完整性、权威性及其观点立场正确性做任何保证或承诺!文档内容仅供研究参考,付费前请自行鉴别。
3、如文档内容存在违规,或者侵犯商业秘密、侵犯著作权等,请点击“违规举报”。

碎片内容

电气控制线路图

您可能关注的文档

确认删除?
VIP
微信客服
  • 扫码咨询
会员Q群
  • 会员专属群点击这里加入QQ群
客服邮箱
回到顶部