电脑桌面
添加小米粒文库到电脑桌面
安装后可以在桌面快捷访问

横岗污水处理厂二期配套截污干管工程施工组织设计VIP免费

横岗污水处理厂二期配套截污干管工程施工组织设计_第1页
1/71
横岗污水处理厂二期配套截污干管工程施工组织设计_第2页
2/71
横岗污水处理厂二期配套截污干管工程施工组织设计_第3页
3/71
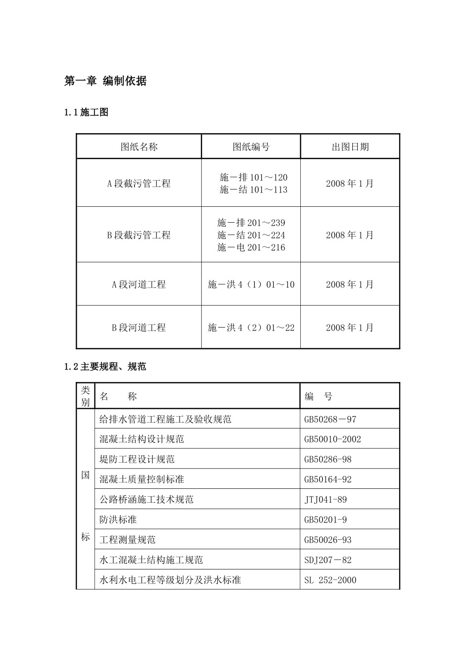
横岗污水处理厂二期配套截污干管工程施工组织设计第一章 编制依据1.1 施工图图纸名称图纸编号出图日期A 段截污管工程 施-排 101~120 施-结 101~1132008 年 1 月B 段截污管工程施-排 201~239施-结 201~224施-电 201~2162008 年 1 月A 段河道工程施-洪 4(1)01~102008 年 1 月B 段河道工程施-洪 4(2)01~222008 年 1 月1.2 主要规程、规范类别名 称编 号国标给排水管道工程施工及验收规范GB50268-97混凝土结构设计规范GB50010-2002堤防工程设计规范GB50286-98混凝土质量控制标准GB50164-92公路桥涵施工技术规范JTJ041-89防洪标准GB50201-9工程测量规范GB50026-93水工混凝土结构施工规范SDJ207-82水利水电工程等级划分及洪水标准SL 252-2000建设工程施工现场供用电安全规范GB50194-93行标埋地聚乙烯排水管管道工程技术规程CSCS 164:2004钢筋焊接及验收规程JGJ18-2003钢筋机械连接通用技术规程JGJ107-2003混凝土泵送施工技术规程JGJ/T10-95建筑基坑支护技术规程JGJ120-99建筑施工安全检查标准JGJ59-991.3 主要图集类别名称编号国家混凝土结构施工图平面整体表示方法制图规则和构造详图03G101地方中南地区通用建筑标准设计—建筑构造用料做法98ZJ建筑给水排水标准图集96S1.4 主要标准类别名称编号国家砼强度检验评定标准GBJ107-87建筑工程施工质量验收统一标准GB50300-20011.5 主要法律、法规类别名称编号国家中华人民共和国建筑法中华人民共和国水法中华人民共和国大气污染防治法中华人民共和国环境噪音污染防治法中华人民共和国环境保护法中华人民共和国消防法行业建筑施工场界噪音限值建筑工程质量管理条例国务院令第 279 号建设项目环境保护管理条例国务院令第 253 号建筑工程安全生产管理条例国务院 393 令环境空气质量标准GB3095-1996建设工程施工现场管理规定建设部 1991 年第15 号令城市排水许可管理办法建城[ 1994 ] 330号1.6 工程施工合同1.7 岩土工程勘察报告第二章 工程概况和工程目标2.1 工程概况工程名称横岗污水处理厂配套截污干管工程(二期)A、B 段建设地点龙岗区横岗街道办建设单位深圳市龙岗区建筑工务局设计单位中国市政工程中南设计研究院监理单位深圳市建艺国际工程顾问有限公司施工单位深圳市英龙建安有限公司招标范围A、B 段承包方式工程总承包投资性质政府投资 100%工程计划工期工期 175 日历天;质量目标合格2.2 建筑设计概况项目名称内容A...

1、当您付费下载文档后,您只拥有了使用权限,并不意味着购买了版权,文档只能用于自身使用,不得用于其他商业用途(如 [转卖]进行直接盈利或[编辑后售卖]进行间接盈利)。
2、本站所有内容均由合作方或网友上传,本站不对文档的完整性、权威性及其观点立场正确性做任何保证或承诺!文档内容仅供研究参考,付费前请自行鉴别。
3、如文档内容存在违规,或者侵犯商业秘密、侵犯著作权等,请点击“违规举报”。

碎片内容

横岗污水处理厂二期配套截污干管工程施工组织设计

海纳百川+ 关注
实名认证
内容提供者

热爱教学事业,对互联网知识分享很感兴趣

确认删除?
VIP
微信客服
  • 扫码咨询
会员Q群
  • 会员专属群点击这里加入QQ群
客服邮箱
回到顶部