电脑桌面
添加小米粒文库到电脑桌面
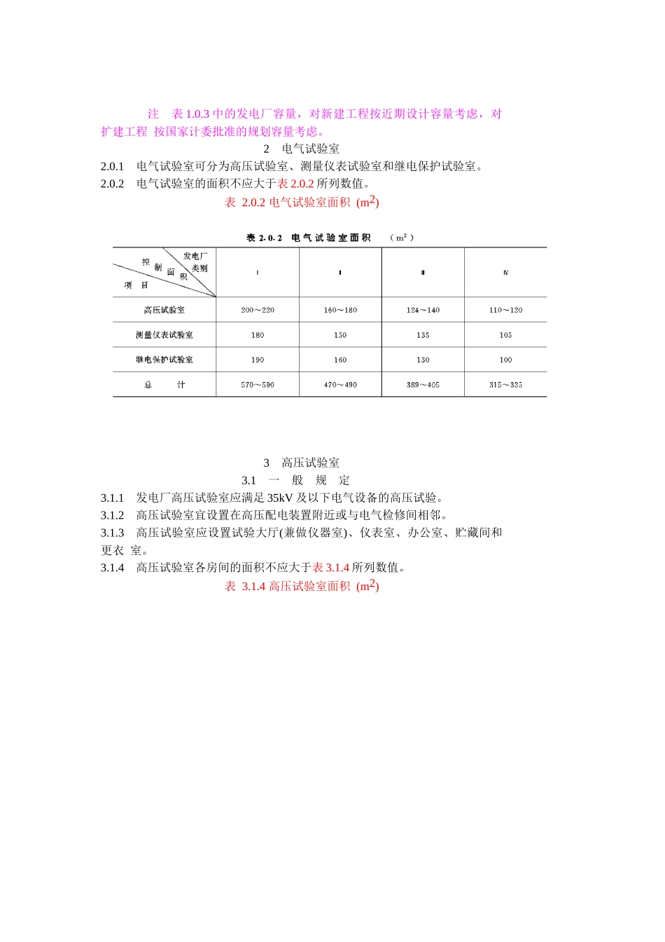
安装后可以在桌面快捷访问

火力发电厂电气试验室设计标准VIP专享VIP免费

火力发电厂电气试验室设计标准_第1页
1/40
火力发电厂电气试验室设计标准_第2页
2/40
火力发电厂电气试验室设计标准_第3页
3/40
火力发电厂电气试验室设计标准 Design Standard for Electrical Laboratory of Thermal Power Plant DL/T 5043—95 主编部门:电力工业部东北电力设计院 批准部门:电力工业部 施行日期:1995 年 12 月 1 日 关于颁发电力行业标准 DL/T 5043—95 《火力发电厂电气试验室设计标准》的通知 电技[1995]506 号 各电管局,各省、自治区,直辖市电力局,电力规划设计总院,各有关单位: 《火力发电厂电气试验室技术标准》等两项电力行业标准,经审查通过,批准 为推荐性标准,现予发布。其编号、名称如下: DL/T 5043—95 火力发电厂电气试验室设计标准 DL/T 5044—95 火力发电厂、变电所直流系统设计技术规定 以上标准自 1995 年 12 月 1 日起实施。 请将执行中的问题和意见告电力规划设计总院,并抄送部标准化领导小组办公 室。 中华人民共和国电力工业部 1995 年 8 月 11 日 1 总 则 1.0.1 为贯彻国家的基本建设方针和执行有关技术经济政策,统一火力发电厂(以下 简称发电厂)电气试验室的设计标准,并贯彻技术先进、经济合理、使用和维护方 便的原则,特制订本标准。 1.0.2 本标准适用于单机容量为 50~600MW 新建或扩建的发电厂。 1.0.3 本标准将发电厂分为表 1.0.3 所列的四类。 表 1.0.3 发电厂的类别 注 表 1.0.3 中的发电厂容量,对新建工程按近期设计容量考虑,对扩建工程 按国家计委批准的规划容量考虑。 2 电气试验室 2.0.1 电气试验室可分为高压试验室、测量仪表试验室和继电保护试验室。 2.0.2 电气试验室的面积不应大于表 2.0.2 所列数值。 表 2.0.2 电气试验室面积 (m2) 3 高压试验室 3.1 一 般 规 定 3.1.1 发电厂高压试验室应满足 35kV 及以下电气设备的高压试验。 3.1.2 高压试验室宜设置在高压配电装置附近或与电气检修间相邻。 3.1.3 高压试验室应设置试验大厅(兼做仪器室)、仪表室、办公室、贮藏间和更衣 室。 3.1.4 高压试验室各房间的面积不应大于表 3.1.4 所列数值。 表 3.1.4 高压试验室面积 (m2) 注 “其它”系指当高压试验室配有光线录波器,油色谱分析仪等设备时, 相应配备的专用房间。 3.1.5 高压试验大厅,在无特殊要求时,层高不宜小于 6.5m;应设置适当的屏蔽, 并应设有单轨或单梁起吊设备及搬运门。 3.1.6 高压试验大厅应设试验电源箱,并应设有可靠、方便的接地端子。 3.2 设 备 配...

1、当您付费下载文档后,您只拥有了使用权限,并不意味着购买了版权,文档只能用于自身使用,不得用于其他商业用途(如 [转卖]进行直接盈利或[编辑后售卖]进行间接盈利)。
2、本站所有内容均由合作方或网友上传,本站不对文档的完整性、权威性及其观点立场正确性做任何保证或承诺!文档内容仅供研究参考,付费前请自行鉴别。
3、如文档内容存在违规,或者侵犯商业秘密、侵犯著作权等,请点击“违规举报”。

碎片内容

火力发电厂电气试验室设计标准

确认删除?
VIP
微信客服
  • 扫码咨询
会员Q群
  • 会员专属群点击这里加入QQ群
客服邮箱
回到顶部