电脑桌面
添加小米粒文库到电脑桌面
安装后可以在桌面快捷访问

091 模板分项工程(预制构件模板安装)检验批质量验收记录 TJ4-2-02VIP免费

091 模板分项工程(预制构件模板安装)检验批质量验收记录 TJ4-2-02_第1页
1/1
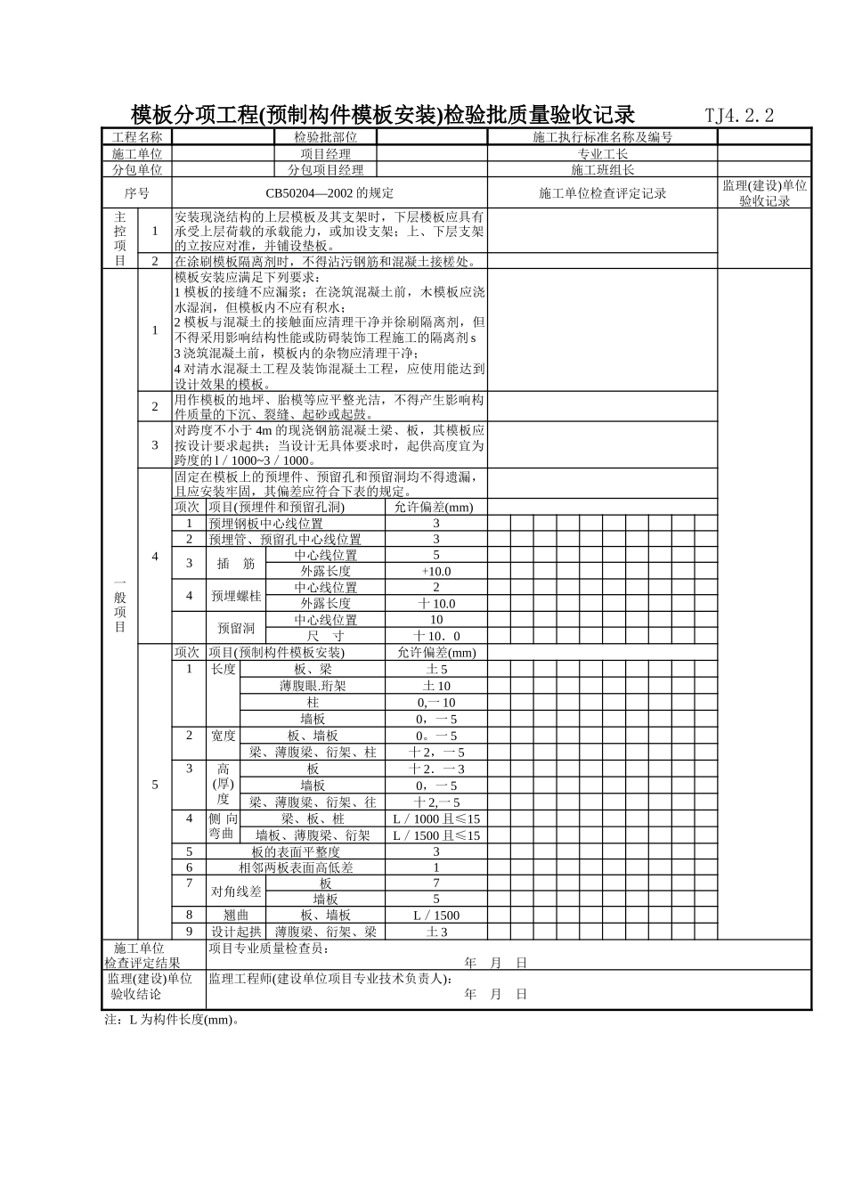
模板分项工程(预制构件模板安装)检验批质量验收记录 TJ4.2.2工程名称检验批部位施工执行标准名称及编号施工单位项目经理专业工长分包单位分包项目经理施工班组长序号CB50204—2002 的规定施工单位检查评定记录监理(建设)单位验收记录主控项目1安装现浇结构的上层模板及其支架时,下层楼板应具有承受上层荷载的承载能力,或加设支架;上、下层支架的立按应对准,并铺设垫板。2在涂刷模板隔离剂时,不得沾污钢筋和混凝土接槎处。一般项目1模板安装应满足下列要求:1 模板的接缝不应漏浆;在浇筑混凝土前,木模板应浇水湿润,但模板内不应有积水;2 模板与混凝土的接触面应清理干净并徐刷隔离剂,但不得采用影响结构性能或防碍装饰工程施工的隔离剂 s3 浇筑混凝土前,模板内的杂物应清理干净;4 对清水混凝土工程及装饰混凝土工程,应使用能达到设计效果的模板。2用作模板的地坪、胎模等应平整光洁,不得产生影响构件质量的下沉、裂缝、起砂或起鼓。3对跨度不小于 4m 的现浇钢筋混凝土梁、板,其模板应按设计要求起拱;当设计无具体要求时,起供高度宜为跨度的 l/1000~3/1000。4固定在模板上的预埋件、预留孔和预留洞均不得遗漏,且应安装牢固,其偏差应符合下表的规定。项次 项目(预埋件和预留孔洞) 允许偏差(mm)1预埋钢板中心线位置32预埋管、预留孔中心线位置33插 筋中心线位置5外露长度+10.04预埋螺桂中心线位置2外露长度十 10.0预留洞中心线位置10尺 寸十 10.05项次 项目(预制构件模板安装)允许偏差(mm)1长度板、梁土 5薄腹眼.珩架土 10柱0,一 10墙板0,一 52宽度板、墙板0。一 5梁、薄腹梁、衍架、柱十 2,一 53高(厚)度板十 2.一 3墙板0,一 5梁、薄腹粱、衍架、往十 2,一 54侧 向弯曲梁、板、桩L/1000 且≤15墙板、薄腹梁、衍架L/1500 且≤155板的表面平整度36相邻两板表面高低差17对角线差板7墙板58翘曲板、墙板L/15009设计起拱薄腹梁、衍架、梁土 3 施工单位检查评定结果项目专业质量检查员: 年 月 日 监理(建设)单位 验收结论监理工程师(建设单位项目专业技术负责人): 年 月 日 注:L 为构件长度(mm)。

1、当您付费下载文档后,您只拥有了使用权限,并不意味着购买了版权,文档只能用于自身使用,不得用于其他商业用途(如 [转卖]进行直接盈利或[编辑后售卖]进行间接盈利)。
2、本站所有内容均由合作方或网友上传,本站不对文档的完整性、权威性及其观点立场正确性做任何保证或承诺!文档内容仅供研究参考,付费前请自行鉴别。
3、如文档内容存在违规,或者侵犯商业秘密、侵犯著作权等,请点击“违规举报”。

碎片内容

091 模板分项工程(预制构件模板安装)检验批质量验收记录 TJ4-2-02

确认删除?
VIP
微信客服
  • 扫码咨询
会员Q群
  • 会员专属群点击这里加入QQ群
客服邮箱
回到顶部