电脑桌面
添加小米粒文库到电脑桌面
安装后可以在桌面快捷访问

JR系列中型电动机可驱动各种不同的机械VIP免费

JR系列中型电动机可驱动各种不同的机械_第1页
1/7
JR系列中型电动机可驱动各种不同的机械_第2页
2/7
JR系列中型电动机可驱动各种不同的机械_第3页
3/7
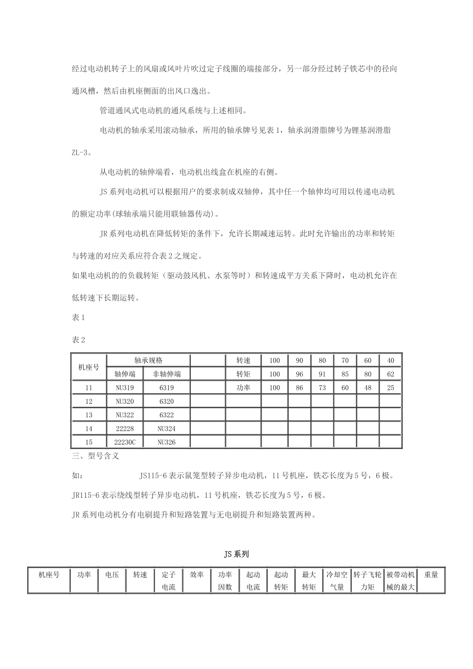
一、概述JS、JR 系列中型电动机可驱动各种不同的机械,如通风机、压缩机、水泵、破碎机、球磨机、切削机床、运输机械及其它设备,可供煤矿、机械工业、发电厂及各种工矿企业中作原动机用。 JS 系列为鼠笼转子三相异步电动机 JR 系列为绕线转子三相异步电动机 JS 系列电动机符合部颁标准 JB563-64 技术条件的规定 JR 系列电动机符合部颁标准 JB564-64 技术条件的规定 本系列电动机为防护式。根据用户需要,也可制成管道通风式。防护式电动机应装置在海拔高度不超过 1,000 米,周围空气温度不高于+40℃,不低于 0℃,空气清洁,无酸、碱等腐触性气体的室内。电动机不允许在含有爆炸性气体或尘埃较多的环境中工作。当电动机周围空气的温度超过上述规定或空气不清洁时,应采用管道通风方式。此时通入电动机两端的冷却空气温度应为 0℃~+40℃,并且应保证管道和电动机内部的空气压力高于周围空气的压力,必要时应加装鼓风机、滤尘器等。 JS 系列鼠型电动机允许全电压直接起动。如用户的电网不允许全电压直接起动时,可以采用降低电压起动,但此时起动转矩将与起动电压成平方关系降低。JR 系列电动机在起动时必须预先在转子回路内接入起动变阻器。不允许将转子绕组直接短接起动。二、结构简述电动机的的基本安装型式为机座带底脚卧式安装。所有型号的电动机都可采用联轴器与被驱动机械联接。电动机采用两侧对称的径向通风系统,冷却空气自两侧端盖的进风口进入,一部分经过电动机转子上的风扇或风叶片吹过定子线圈的端接部分,另一部分经过转子铁芯中的径向通风槽,然后由机座侧面的出风口逸出。 管道通风式电动机的通风系统与上述相同。 电动机的轴承采用滚动轴承,所用的轴承牌号见表 1,轴承润滑脂牌号为锂基润滑脂ZL-3。 从电动机的轴伸端看,电动机出线盒在机座的右侧。 JS 系列电动机可以根据用户的要求制成双轴伸,其中任一个轴伸均可用以传递电动机的额定功率(球轴承端只能用联轴器传动)。 JR 系列电动机在降低转矩的条件下,允许长期减速运转。此时允许输出的功率和转矩与转速的对应关系应符合表 2 之规定。如果电动机的的负载转矩(驱动鼓风机、水泵等时)和转速成平方关系下降时,电动机允许在低转速下长期运转。表 1 表 2机座号轴承规格 转速1009080706040轴伸端非轴伸端 转矩100969185806211NU3196319 功率100867360482512NU3206320 13NU3226322 1422228NU324 1522230CNU326 三、型号含义如: JS...

1、当您付费下载文档后,您只拥有了使用权限,并不意味着购买了版权,文档只能用于自身使用,不得用于其他商业用途(如 [转卖]进行直接盈利或[编辑后售卖]进行间接盈利)。
2、本站所有内容均由合作方或网友上传,本站不对文档的完整性、权威性及其观点立场正确性做任何保证或承诺!文档内容仅供研究参考,付费前请自行鉴别。
3、如文档内容存在违规,或者侵犯商业秘密、侵犯著作权等,请点击“违规举报”。

碎片内容

JR系列中型电动机可驱动各种不同的机械

墨香书阁+ 关注
实名认证
内容提供者

热爱教学事业,对互联网知识分享很感兴趣

确认删除?
VIP
微信客服
  • 扫码咨询
会员Q群
  • 会员专属群点击这里加入QQ群
客服邮箱
回到顶部