电脑桌面
添加小米粒文库到电脑桌面
安装后可以在桌面快捷访问

PCB电镀沉铜药水控制工艺VIP免费

PCB电镀沉铜药水控制工艺_第1页
1/11
PCB电镀沉铜药水控制工艺_第2页
2/11
PCB电镀沉铜药水控制工艺_第3页
3/11
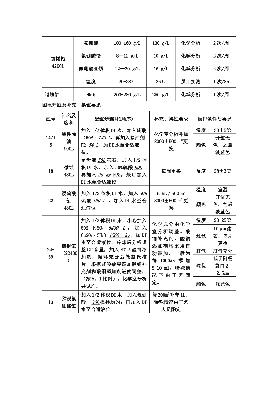
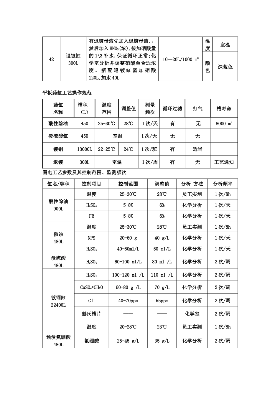
平板现行工艺参数及其控制范围、监测频次缸名/容积控制项目控制范围调整值分析频率酸性除油7 号温度25—30℃28℃1 次/8hH2SO410—50 ml /L30 ml/L3 次/周FR10—50ml/L30 ml/L3 次/周浸硫酸450LH2SO460—100ml/L80 ml/L1 次/周镀铜缸13—18H2SO4100—120ml/L110 ml/L3 次/周硫酸铜•5 水60—80g/L70 g/L2 次/周Cl-40-70ppm55 ppm2 次/周赫氏槽片————3 次/周温度20—28℃24℃1 次/班退镀缸5—6 缸HNO3250—280g/L260 g/L2 次/周平板现行开缸及补充、换缸要求缸号缸名及容积配缸步骤(按顺序)补充、换缸要求操作条件与要求7酸性除油450L加入 1/2 体积 DI 水,加入硫酸(50%)35 L,再加入除油剂FR 15L,加 DI 水至合适液位。化学室分析补加8000±500 m2更换温度28±2℃颜色开缸无色,之后淡蓝色10浸硫酸缸450L加入 1/2 体积 DI 水,加入 50%硫酸 90 L;加入 DI 水至合适液位1.5L/100 m2 5000±500 m2更换温度室温颜色开缸无色,之后淡蓝色13、14、15、 16、 17、18镀铜缸 (共有 6 个大铜缸,两个集液槽总体积13000L)加入 1/2 体积 DI 水,小心加入50% H2SO4 3720 L , 加 入CuSO4·5H2O 910 kg,加 DI 水至合适液位。冷却后分析调整Cl-含量,调整氯离子含量达到50—70ppm;加入 40 L 酸铜添加剂,循环充分后做赫氏槽片,根据试验效果添加酸铜补充剂和酸铜添加剂进度调整,(按 5:1 比例),化学室分析并试产。化学成分由化学室分析调整。酸铜补充剂,酸铜添加剂均采用自动添加,一般为每 100AH 添 加 8- 10ml , 特 殊 情 况下由工艺确定。温度20-28℃过滤10μm 滤芯,每月更换打气打气充分液位低于阳极袋口 2-2.5cm颜色深蓝色42退镀缸300L有退镀母液先加入退镀母液,,然后加入 HNO3(浓),按加硝酸量的 1\3 补水,保证循环正常;化学室分析并调整硝酸至合适浓度 。 新 配 退 镀 缸 需 加 硝 酸120L,加水 40L10—20L/1000 m2温度室温颜色深蓝色平板药缸工艺操作规范药缸名称 槽积(L)温度范围调整值测量频次循环过滤打气槽寿命酸性除油45025-30℃28℃1 次/天有无8000 m2 浸硫酸缸450室温1 次/天无无镀铜13000L22-25℃24℃1 次/班 有适当退镀300L室温1 次/周有无工艺通知图电工艺参数及其控制范围、监测频次缸名/容积控制项目控制范围调整值分析 方法分析频率酸性除油900L温度25-30℃28℃员工实测1 次/8hH2SO45-8%6%化学分析1 次/天FR5-8...

1、当您付费下载文档后,您只拥有了使用权限,并不意味着购买了版权,文档只能用于自身使用,不得用于其他商业用途(如 [转卖]进行直接盈利或[编辑后售卖]进行间接盈利)。
2、本站所有内容均由合作方或网友上传,本站不对文档的完整性、权威性及其观点立场正确性做任何保证或承诺!文档内容仅供研究参考,付费前请自行鉴别。
3、如文档内容存在违规,或者侵犯商业秘密、侵犯著作权等,请点击“违规举报”。

碎片内容

PCB电镀沉铜药水控制工艺

您可能关注的文档

确认删除?
VIP
微信客服
  • 扫码咨询
会员Q群
  • 会员专属群点击这里加入QQ群
客服邮箱
回到顶部