电脑桌面
添加小米粒文库到电脑桌面
安装后可以在桌面快捷访问

鲍方机床电气与PLC实训 三样VIP专享VIP免费

鲍方机床电气与PLC实训 三样_第1页
1/9
鲍方机床电气与PLC实训 三样_第2页
2/9
鲍方机床电气与PLC实训 三样_第3页
3/9
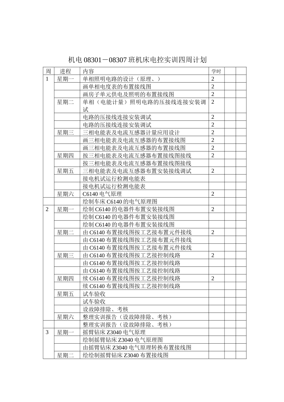
武汉职业技术学院 2009-2010 学年第 1 学期授课计划总表机械工程系: 实训中心 教研 姓名: 鲍方 填表日期 2009-10-15 课程名称:机床电气控制 上课班级:机电 07 级 总学时数 128序号每章内容各种教学方式时数分配讲课实训复习课习题大型作业总计1第一章 电度表与互感器262第二章 普车 C61404103第三章 C650 与 PLC8204第四章 电动机正反转小车自动往返6205第五章 万能铣 X62W 与 PLC820合计28100教学大纲及大纲制定部门:本校制定:机械系教材名称:(编者、出版社、出版时间)《电机与电气控制技术》主编:赵承荻 高教出版社自编教材教学参考书、教学辅助手段(教具、挂图、实验教学等) 1《工厂电气控制设备》 机械工业出版社 赵明编2《工厂电气控制技术》 高教出版社 张远波编3《电工技术实训指导书》 武汉职业技术学院 鲍方编编制说明:该教学计划的使用对象为机械系机电 06303,06304 班学生,以建立概念和总体了解为主,不涉及过多的设计计算。教研室主任签字:系主任签字:教务处长签字:教务副院长签字: 注:本表一式三份,教研室、系部、教务处各一份。机电 08301-08307 班机床电控实训四周计划周进程内容学时1星期一单相照明电路的设计(原理、)2画单相电度表的布置接线图2画房子单元供电及照明的布置接线图2星期二单相(电能计量)照明电路的压接线连接安装调试2电路的压接线连接安装调试2电路的压接线连接安装调试2星期三三相电能表及电流互感器计量应用设计2画三相电能表及电流互感器的布置接线图2画三相电能表及电流互感器的布置接线图2星期四按三相电能表及电流互感器布置接线图接线2按三相电能表及电流互感器布置接线图接线星期五三相电能表及电流互感器布置安装接线调试2接电机试运行检测电能表接电机试运行检测电能表星期六C6140 电气原理2绘制车床 C6140 的电气原理图2星期一绘制 C6140 的电器件布置安装接线图2绘制 C6140 的电器件布置安装接线图绘制 C6140 的电器件布置安装接线图星期二由 C6140 布置接线图按工艺接布置元件接线2由 C6140 布置接线图按工艺接布置元件接线由 C6140 布置接线图按工艺接布置元件接线星期三由 C6140 布置接线图按工艺接控制线路2由 C6140 布置接线图按工艺接控制线路由 C6140 布置接线图按工艺接控制线路星期四续 C6140 布置接线图按工艺接控制线路2续 C6140 布置接线图按工艺接控制线路星期五试车验收试车验收设故障排除、...

1、当您付费下载文档后,您只拥有了使用权限,并不意味着购买了版权,文档只能用于自身使用,不得用于其他商业用途(如 [转卖]进行直接盈利或[编辑后售卖]进行间接盈利)。
2、本站所有内容均由合作方或网友上传,本站不对文档的完整性、权威性及其观点立场正确性做任何保证或承诺!文档内容仅供研究参考,付费前请自行鉴别。
3、如文档内容存在违规,或者侵犯商业秘密、侵犯著作权等,请点击“违规举报”。

碎片内容

鲍方机床电气与PLC实训 三样

文泉书屋+ 关注
实名认证
内容提供者

热爱教学事业,对互联网知识分享很感兴趣

确认删除?
VIP
微信客服
  • 扫码咨询
会员Q群
  • 会员专属群点击这里加入QQ群
客服邮箱
回到顶部