电脑桌面
添加小米粒文库到电脑桌面
安装后可以在桌面快捷访问

油罐区安装工程施工组织设计VIP免费

油罐区安装工程施工组织设计_第1页
1/48
油罐区安装工程施工组织设计_第2页
2/48
油罐区安装工程施工组织设计_第3页
3/48
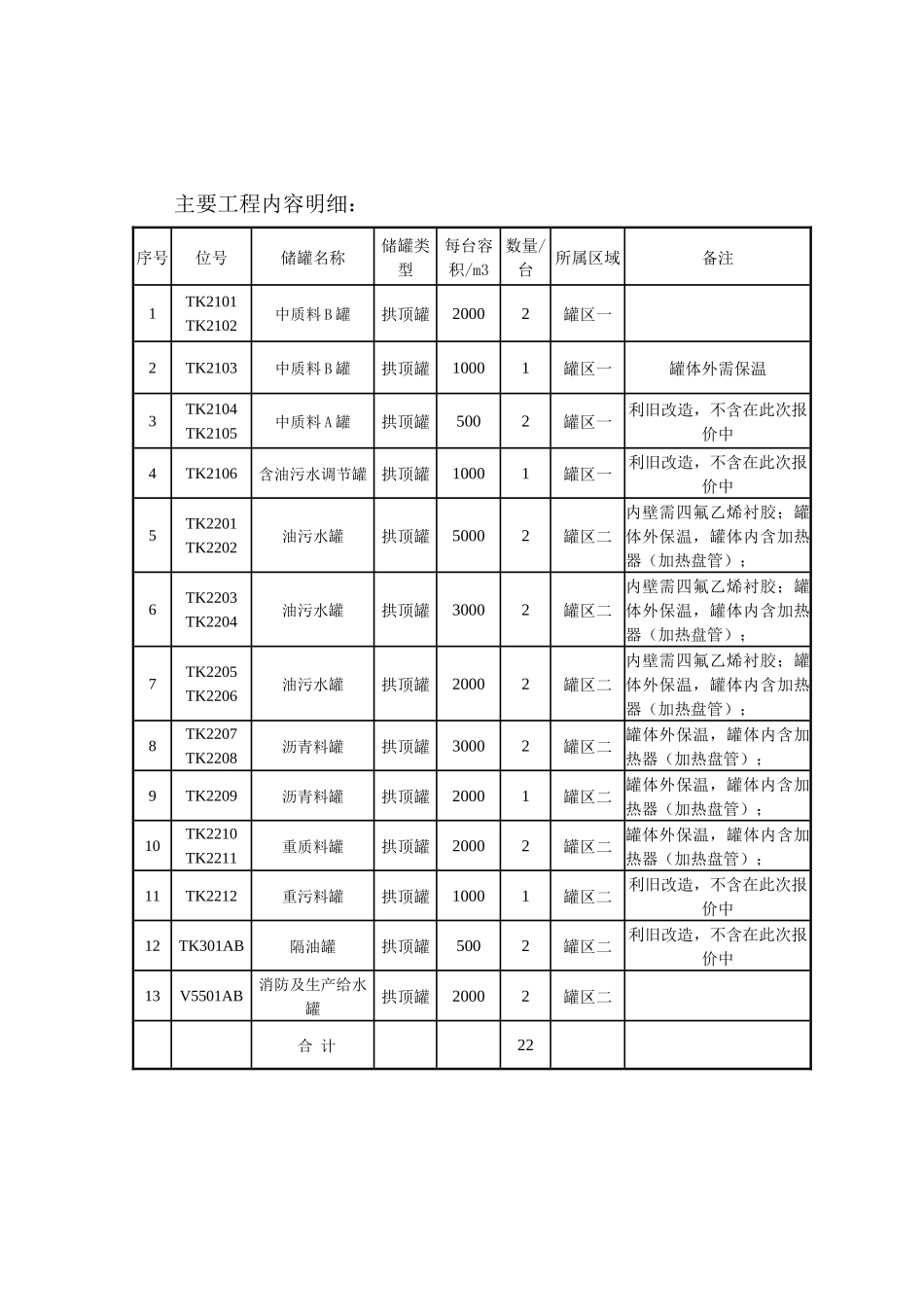
目 录第一章 工程概况第二章 储罐施工组织第三章 资源配置第四章 储罐施工工艺第五章 进度目标及保证措施第六章 质量保证体系和保证措施第七章 安全和环境保证措施第八章 竣工验收及交工资料第一章 工程概况1.1 工程简介 招标单位:宁波中天工程有限公司 工程内容:宁波北仑千和环保工程有限公司废矿物油综合利用搬迁、改造项目储罐制造安装工程 工程地点:宁波市北仑区郭巨镇1. 2 方案编制依据:1.2.1 中国化学工程第七建设有限公司招标文件1.2.2 国内执行的现行储罐制作安装验收标准序号标准编号标准名称1SH/T3507-2005《石油化工钢结构工程施工及验收规范》2SH3505《石油化工施工安全技术规程》3GB50236-97《现场设备、工业管道焊接工程施工及验收规范》4GB50205-2001《钢结构工程施工质量验收规范》5GB50231-98《机械设备安装工程施工及验收规范》6GB50275-98《压缩机、风机、泵安装工程施工及验收规范》7SHJ509-88《石油化工工程焊接工艺评定》8GBJ50235-97《工业金属管道工程施工及验收规范》9GB50128-2005《立式圆筒形钢制焊接储罐施工及验收规范》10SH3533-95《石油化工给排水管道工程施工及验收规范》1.2.3 我公司同类工程的成熟施工经验主要工程内容明细:序号位号储罐名称储罐类型每台容积/m3数量/台所属区域备注1TK2101 TK2102中质料 B 罐拱顶罐20002罐区一 2TK2103中质料 B 罐拱顶罐10001罐区一罐体外需保温3TK2104 TK2105中质料 A 罐拱顶罐5002罐区一利旧改造,不含在此次报价中4TK2106含油污水调节罐拱顶罐10001罐区一利旧改造,不含在此次报价中5TK2201 TK2202油污水罐拱顶罐50002罐区二内壁需四氟乙烯衬胶;罐体外保温,罐体内含加热器(加热盘管);6TK2203 TK2204油污水罐拱顶罐30002罐区二内壁需四氟乙烯衬胶;罐体外保温,罐体内含加热器(加热盘管);7TK2205 TK2206油污水罐拱顶罐20002罐区二内壁需四氟乙烯衬胶;罐体外保温,罐体内含加热器(加热盘管);8TK2207 TK2208沥青料罐拱顶罐30002罐区二罐体外保温,罐体内含加热器(加热盘管);9TK2209沥青料罐拱顶罐20001罐区二罐体外保温,罐体内含加热器(加热盘管);10TK2210TK2211重质料罐拱顶罐20002罐区二罐体外保温,罐体内含加热器(加热盘管);11TK2212重污料罐拱顶罐10001罐区二利旧改造,不含在此次报价中12TK301AB隔油罐拱顶罐5002罐区二利旧改造,不含在此次报价中13V5501AB消防及生产给水罐拱顶罐20002罐区二 合 计 22 ...

1、当您付费下载文档后,您只拥有了使用权限,并不意味着购买了版权,文档只能用于自身使用,不得用于其他商业用途(如 [转卖]进行直接盈利或[编辑后售卖]进行间接盈利)。
2、本站所有内容均由合作方或网友上传,本站不对文档的完整性、权威性及其观点立场正确性做任何保证或承诺!文档内容仅供研究参考,付费前请自行鉴别。
3、如文档内容存在违规,或者侵犯商业秘密、侵犯著作权等,请点击“违规举报”。

碎片内容

油罐区安装工程施工组织设计

确认删除?
VIP
微信客服
  • 扫码咨询
会员Q群
  • 会员专属群点击这里加入QQ群
客服邮箱
回到顶部