电脑桌面
添加小米粒文库到电脑桌面
安装后可以在桌面快捷访问

湖北省蕲春县竹瓦村道路、排水工程监理规划VIP免费

湖北省蕲春县竹瓦村道路、排水工程监理规划_第1页
1/36
湖北省蕲春县竹瓦村道路、排水工程监理规划_第2页
2/36
湖北省蕲春县竹瓦村道路、排水工程监理规划_第3页
3/36
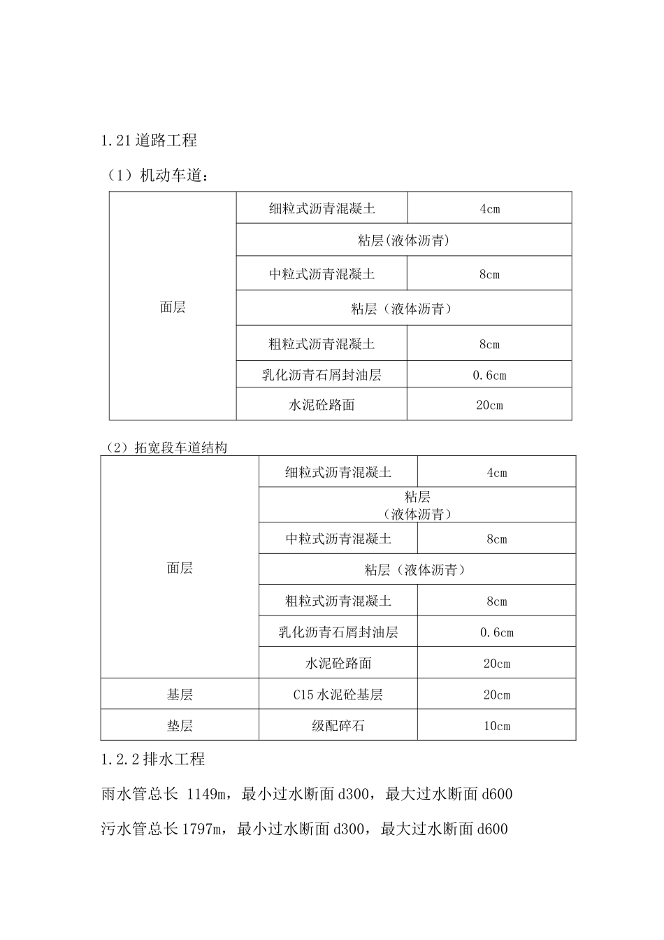
受蕲春县赤东镇人民政府的委托,我公司对我公司对该工程进行施工阶段的监理。为了有计划、有步骤、有目标地对该工程实行科学、公正、公平的管理,协助业主实现项目目标,提高建设投资效益和社会效益,同时也为了指导我项目监理部更好地全面地开展监理工作,特制定此监理规划。一、工程概况:工程名称:湖北省蕲春县竹瓦村道路、排水工程建设地点:蕲春县竹瓦村建设单位:蕲春县赤东镇人民政府设计单位:武汉理工大设计研究有限公司监理单位:鄂州市工程建设监理公司施工单位:湖北蕲春通兴路桥公司计划工期:以施工合同为准,总工期 180 日历天1.1 工程特点:本工程位于蕲春竹瓦村内,是竹瓦村主要通道。设计道路总长为 2053.53 米,路幅宽 18-22 米,道路全线为扩建工程。施工范围包括道路、排水、路灯照明、绿化工程、交通设施及其它附属设施。道路等级为城市支路,设计车速 30km/h,路槽底面土基设计回弹模量 30MPa。1.2 工程项目组成及建设规模1.21 道路工程(1)机动车道:面层细粒式沥青混凝土4cm粘层(液体沥青)中粒式沥青混凝土8cm粘层(液体沥青)粗粒式沥青混凝土8cm乳化沥青石屑封油层0.6cm水泥砼路面20cm(2)拓宽段车道结构面层细粒式沥青混凝土4cm粘层(液体沥青)中粒式沥青混凝土8cm粘层(液体沥青)粗粒式沥青混凝土8cm乳化沥青石屑封油层0.6cm水泥砼路面20cm基层C15 水泥砼基层20cm垫层级配碎石10cm1.2.2 排水工程雨水管总长 1149m,最小过水断面 d300,最大过水断面 d600污水管总长 1797m,最小过水断面 d300,最大过水断面 d600二、监理的工作范围:施工阶段的监理三、监理的工作内容:三控一管一协调四、监理工作目标:工期目标:2013.07.09——2014.01.20质量目标: 合格工程投资目标:1800 万元五、监理工作依据:1.相应的法律、法规;2.监理合同; 3.施工合同;4.地质勘测报告; 5.设计图纸; 6.施工规范及验评标准; 7.其它。 六、项目监理机构的组织形式(见下图)总监理工程师投资控制质量控制进度控制合同管理七、项目监理机构的人员配备计划驻 现 场 监 理 人 员 构 成序号姓 名性别年龄专 业职 称拟任职务1周剑明男49市政高级工程师总 监2何 源男22市政专业监理监理员3陈光文男51工民建工程师监理工程师八、项目监理机构的人员岗位职责(一)总监理工程师的职责1.确定项目监理机构人员的分工和岗位职责;2.主持编写项目监理规划、审批项目监理实施细则,并负责管专业监理工程师...

1、当您付费下载文档后,您只拥有了使用权限,并不意味着购买了版权,文档只能用于自身使用,不得用于其他商业用途(如 [转卖]进行直接盈利或[编辑后售卖]进行间接盈利)。
2、本站所有内容均由合作方或网友上传,本站不对文档的完整性、权威性及其观点立场正确性做任何保证或承诺!文档内容仅供研究参考,付费前请自行鉴别。
3、如文档内容存在违规,或者侵犯商业秘密、侵犯著作权等,请点击“违规举报”。

碎片内容

湖北省蕲春县竹瓦村道路、排水工程监理规划

确认删除?
VIP
微信客服
  • 扫码咨询
会员Q群
  • 会员专属群点击这里加入QQ群
客服邮箱
回到顶部