电脑桌面
添加小米粒文库到电脑桌面
安装后可以在桌面快捷访问

某啤酒企业瓶场主任岗位说明书VIP免费

某啤酒企业瓶场主任岗位说明书_第1页
1/4
某啤酒企业瓶场主任岗位说明书_第2页
2/4
某啤酒企业瓶场主任岗位说明书_第3页
3/4
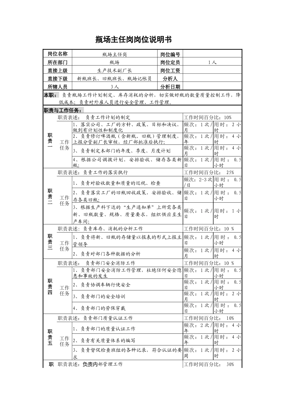
瓶场主任岗岗位说明书岗位名称瓶场主任岗岗位编号所在部门瓶场岗位定员1 人直接上级生产技术副厂长岗位工资直接下级新瓶班长、旧瓶班长、瓶场记帐员分析人所辖人员3 人分析日期本职: 负责瓶场工作计划制定、库存消耗的分析,切实做好瓶的数量质量控制工作,降低成本;负责对外雇人员进行安全管理、工作管理。职责与工作任务:职责一职责表述: 负责工作计划的制定工作时间百分比:10%工作任务1、落实公司、工厂的方针、政策、目标和决议,做到有计划性和制度化频次:1 次/月 用 时 : 2 小时2、负责修订啤酒瓶(含新瓶、旧瓶)管理制度,上报分管副厂长审核,经厂部批准后执行;频次:1 次/年 用 时 : 4 小时3、负责制定本部门的年度、季度、月度计划频次:1 次/月 用 时 : 4 小时4、根据公司调拨计划,安排验收、储存各类新瓶;频次:1 次/ 日用 时 : 0.5小时职责二职责表述:负责工作的落实执行工作时间百分比: 25%工作任务1、负责对验收数量和质量的巡视、检查频次:2-3 次/日用 时 : 0.5小时2、负责落实工厂的旧瓶回收政策,安排验收、储存各类旧瓶;频次:1 次/日 用 时 : 0.5小时3、根据生产科下达的“生产通知单”上所需各类新、旧瓶数量、规格、质量要求,组织供应至生产车间;频次:1 次/日 用 时 : 1 小时职责三职责表述: 负责库存、消耗的分析工作工作时间百分比:10 %工作任务1、负责将新、旧瓶的存储量以报表的形式上报主管领导频次:1 次/日 用 时 : 0.5小时2、负责对部门各种数据的分析频次:1 次/月 用 时 : 4 小时职责四职责表述: 负责部门安全消防工作工作时间百分比:10 %工作任务1、负责部门安全消防工作管理,杜绝任何安全隐患和事故的发生频次:1 次/日 用 时 : 0.5小时2、负责协调车辆行使安全频次:1 次/日 用 时 : 0.5小时3、负责部门的安全培训频次:1 次/月 用 时 : 2 小时4、负责部门的劳保穿戴频次:1 次/日 用 时 : 0.5小时职责五职责表述:负责部门质量认证工作工作时间百分比: 10%工作任务1、负责部门的质量认证工作频次:2 次/ 年用 时 : 4 小时2、负责有关质量体系的编写频次:1 次/ 年用 时 : 4 小时3、负责督促检查班组的各种记录,符合认证的要求频次:1 次/ 周用 时 : 2 小时职 职责表述:负责内部管理工作工作时间百分比: 30%责六工作任务1、负责召开工作例会频次:1 次/日 ...

1、当您付费下载文档后,您只拥有了使用权限,并不意味着购买了版权,文档只能用于自身使用,不得用于其他商业用途(如 [转卖]进行直接盈利或[编辑后售卖]进行间接盈利)。
2、本站所有内容均由合作方或网友上传,本站不对文档的完整性、权威性及其观点立场正确性做任何保证或承诺!文档内容仅供研究参考,付费前请自行鉴别。
3、如文档内容存在违规,或者侵犯商业秘密、侵犯著作权等,请点击“违规举报”。

碎片内容

某啤酒企业瓶场主任岗位说明书

您可能关注的文档

黄金阁书苑+ 关注
实名认证
内容提供者

热爱教学事业,对互联网知识分享很感兴趣

确认删除?
VIP
微信客服
  • 扫码咨询
会员Q群
  • 会员专属群点击这里加入QQ群
客服邮箱
回到顶部