电脑桌面
添加小米粒文库到电脑桌面
安装后可以在桌面快捷访问

水利工程质量检测单位资质等级标准-附件1:VIP免费

水利工程质量检测单位资质等级标准-附件1:_第1页
1/5
水利工程质量检测单位资质等级标准-附件1:_第2页
2/5
水利工程质量检测单位资质等级标准-附件1:_第3页
3/5
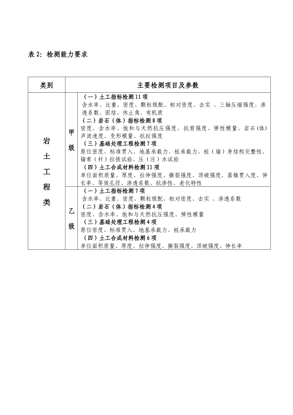
附件:水利工程质量检测单位资质等级标准水利工程质量检测单位资质分为岩土工程、混凝土工程、金属结构、机械电气和量测 5 个类别,每个类别分为甲级、乙级 2 个等级。所有类别的人员配备、业绩、管理体系和质量保证体系要求见表1。各个类别的检测能力要求见表 2。表 1:人员配备、业绩、管理体系和质量保证体系要求等级甲级乙级人员配备经考试合格的检测人员≥15 人(其中具备中级及以上技术职称人员不少于 7 人)≥10 人(其中具备中级及以上技术职称人员不少于 5 人)主要负责人具有 10 年以上从事水利水电工程建设相关工作经历并具有高级以上职称。具有 8 年以上从事水利水电工程建设相关工作经历并具有高级以上职称。技术负责人具有 10 年以上从事水利水电工程建设相关工作经历,并具有水利水电专业高级以上技术职称。具有 8 年以上从事水利水电工程建设相关工作经历,并具有水利水电专业高级以上技术职称。业绩近 3 年内至少承担过 3 个大型水利水电工程(含一级堤防)或 6个中型水利水电工程(含二级堤防)的主要检测任务。管理体系和质量保证体系有健全的技术管理和质量保证体系,有计量认证资质证书。表 2:检测能力要求类别主要检测项目及参数岩土工程类甲级(一)土工指标检测 11 项含水率、比重、密度、颗粒级配、相对密度、击实 、三轴压缩强度、渗透系数、固结、休止角、有机质(二)岩石(体)指标检测 8 项密度、含水率、饱和与天然抗压强度、抗剪强度、弹性模量、岩石(体)声波速度、变形模量、抗拉强度(三)基础处理工程检测 7 项原位密度、标准贯入、地基承载力、桩承载力、桩(墙)身结构完整性、锚索(杆)拉拔试验、压(注)水试验(四)土工合成材料检测 11 项单位面积质量、厚度、拉伸强度、撕裂强度、顶破强度、落锥贯入度、伸长率、等效孔径、渗透系数、抗渗性、老化特性乙级(一)土工指标检测 7 项含水率、比重、密度、颗粒级配、相对密度、击实 、渗透系数(二)岩石(体)指标检测 4 项密度、含水率、饱和与天然抗压强度、弹性模量(三)基础处理工程检测 4 项原位密度、标准贯入、地基承载力、桩承载力(四)土工合成材料检测 6 项单位面积质量、厚度、拉伸强度、撕裂强度、顶破强度、伸长率类别主要检测项目及参数混凝土工程类甲级(一)水泥 8 项细度、标准稠度用水量、凝结时间、安定性、胶砂流动度、胶砂强度、比表面积、烧失量(二)粉煤灰 7 项强度比、需水...

1、当您付费下载文档后,您只拥有了使用权限,并不意味着购买了版权,文档只能用于自身使用,不得用于其他商业用途(如 [转卖]进行直接盈利或[编辑后售卖]进行间接盈利)。
2、本站所有内容均由合作方或网友上传,本站不对文档的完整性、权威性及其观点立场正确性做任何保证或承诺!文档内容仅供研究参考,付费前请自行鉴别。
3、如文档内容存在违规,或者侵犯商业秘密、侵犯著作权等,请点击“违规举报”。

碎片内容

水利工程质量检测单位资质等级标准-附件1:

您可能关注的文档

确认删除?
VIP
微信客服
  • 扫码咨询
会员Q群
  • 会员专属群点击这里加入QQ群
客服邮箱
回到顶部