电脑桌面
添加小米粒文库到电脑桌面
安装后可以在桌面快捷访问

装配式预制楼梯功能性检测及安全吊装施工专项方案VIP免费

装配式预制楼梯功能性检测及安全吊装施工专项方案_第1页
1/52
装配式预制楼梯功能性检测及安全吊装施工专项方案_第2页
2/52
装配式预制楼梯功能性检测及安全吊装施工专项方案_第3页
3/52
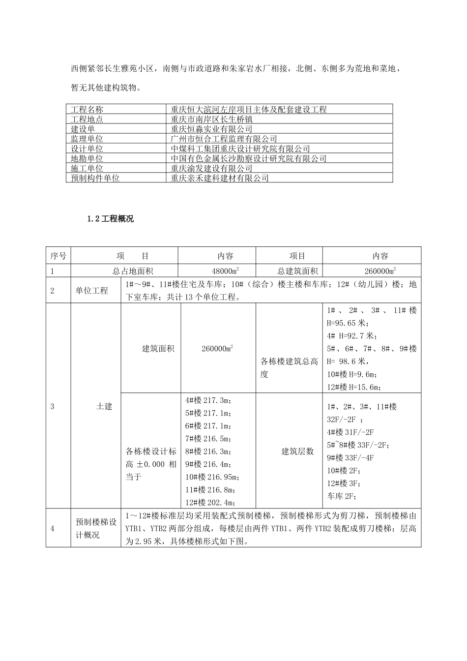
目 录一、工程概况...................................................31.1 项目总体概况.................................................................................................................31.2 工程概况.........................................................................................................................31.3 预制楼梯施工概况.........................................................................................................52.1 编制目的.........................................................................................................................62.2 编制依据.........................................................................................................................6三、施工计划...................................................73.1 安装工期计划.................................................................................................................73.2 材料计划.........................................................................................................................73.3 设备计划.........................................................................................................................8四、施工工艺技术...............................................94.1 预制楼梯各构件参数.....................................................................................................94.2 构件产品进场检验.......................................................................................................104.3 装配式混凝土楼梯功能性检测...................................................................................114.4 预制件运输、装卸、码放用工器具...........................................................................144.5 运输车辆数量及运输距离...........................................................................................144.6 运输道路.......................................................................................................................144....

1、当您付费下载文档后,您只拥有了使用权限,并不意味着购买了版权,文档只能用于自身使用,不得用于其他商业用途(如 [转卖]进行直接盈利或[编辑后售卖]进行间接盈利)。
2、本站所有内容均由合作方或网友上传,本站不对文档的完整性、权威性及其观点立场正确性做任何保证或承诺!文档内容仅供研究参考,付费前请自行鉴别。
3、如文档内容存在违规,或者侵犯商业秘密、侵犯著作权等,请点击“违规举报”。

碎片内容

装配式预制楼梯功能性检测及安全吊装施工专项方案

您可能关注的文档

确认删除?
VIP
微信客服
  • 扫码咨询
会员Q群
  • 会员专属群点击这里加入QQ群
客服邮箱
回到顶部