电脑桌面
添加小米粒文库到电脑桌面
安装后可以在桌面快捷访问

精密平面磨床垂直进给机构壳体机械加工工序卡VIP免费

精密平面磨床垂直进给机构壳体机械加工工序卡_第1页
1/34
精密平面磨床垂直进给机构壳体机械加工工序卡_第2页
2/34
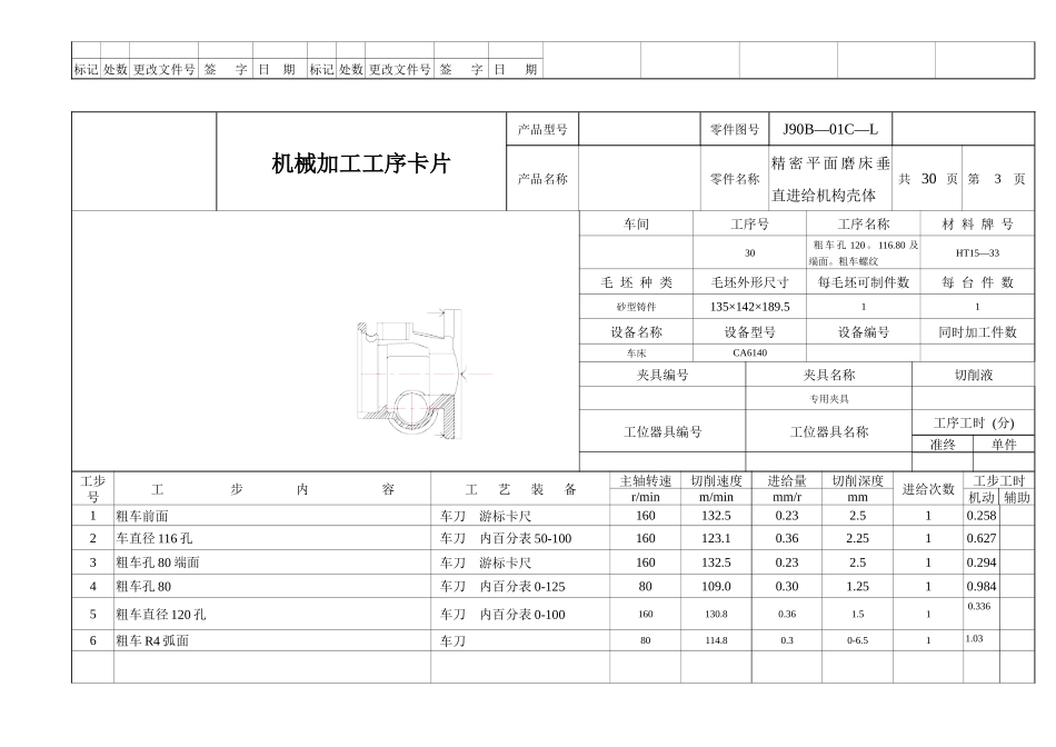
精密平面磨床垂直进给机构壳体机械加工工序卡_第3页
3/34
机械加工工序卡片产品型号零件图号J90B—01C—L产品名称零件名称精 密 平 面 磨 床 垂直进给机构壳体共 30 页 第1页车间工序号工序名称材 料 牌 号10粗铣斜面HT15—33毛 坯 种 类毛坯外形尺寸每毛坯可制件数每 台 件 数砂型铸件135×142×189.511设备名称设备型号设备编号同时加工件数X62 铣床X621夹具编号夹具名称切削液专用夹具工位器具编号工位器具名称工序工时 (分)准终单件工步号工 步 内 容工 艺 装 备主轴转速切削速度进给量切削深度进给次数工步工时r/minm/minmm/rmm机动 辅助10粗铣斜面高速钢铣刀11859.73.182.20.58 设 计(日 期) 校 对(日期) 审 核(日期) 标准化(日期) 会 签(日期)标记 处数 更改文件号 签 字 日 期标记 处数 更改文件号 签 字 日 期机械加工工序卡片产品型号零件图号J90B—01C—L产品名称零件名称精 密 平 面 磨 床 垂直进给机构壳体共 30 页 第3页车间工序号工序名称材 料 牌 号30粗车孔 120。 116.80 及端面。粗车螺纹HT15—33毛 坯 种 类毛坯外形尺寸每毛坯可制件数每 台 件 数砂型铸件135×142×189.511设备名称设备型号设备编号同时加工件数车床CA6140夹具编号夹具名称切削液专用夹具工位器具编号工位器具名称工序工时 (分)准终单件工步号工 步 内 容工 艺 装 备主轴转速切削速度进给量切削深度进给次数工步工时r/minm/minmm/rmm机动 辅助1粗车前面车刀 游标卡尺160132.50.232.510.2582车直径 116 孔车刀 内百分表 50-100160123.10.362.2510.6273粗车孔 80 端面车刀 游标卡尺160132.50.232.510.2944粗车孔 80车刀 内百分表 0-12580109.00.301.2510.9845粗车直径 120 孔车刀 内百分表 0-100160130.80.361.51 0.3366粗车 R4 弧面车刀80114.80.30-6.511.03 设 计(日 期) 校 对(日期) 审 核(日期) 标准化(日期) 会 签(日期)标记 处数 更改文件号 签 字 日 期标记 处数 更改文件号 签 字 日 期机械加工工序卡片产品型号零件图号J90B—01C—L产品名称零件名称精 密 平 面 磨 床 垂直进给机构壳体共 30 页 第2页车间工序号工序名称材 料 牌 号20粗车半径 47、52、61 孔及端面、粗车螺纹HT15-33毛 坯 种 类毛坯外形尺寸每毛坯可制件数每 台 件 数砂型铸件135×142×189.511设备名称设备型号设备编号同时加工件数车床GA61401夹具编号夹具名称切削液专用...

1、当您付费下载文档后,您只拥有了使用权限,并不意味着购买了版权,文档只能用于自身使用,不得用于其他商业用途(如 [转卖]进行直接盈利或[编辑后售卖]进行间接盈利)。
2、本站所有内容均由合作方或网友上传,本站不对文档的完整性、权威性及其观点立场正确性做任何保证或承诺!文档内容仅供研究参考,付费前请自行鉴别。
3、如文档内容存在违规,或者侵犯商业秘密、侵犯著作权等,请点击“违规举报”。

碎片内容

精密平面磨床垂直进给机构壳体机械加工工序卡

您可能关注的文档

黄金阁书苑+ 关注
实名认证
内容提供者

热爱教学事业,对互联网知识分享很感兴趣

相关文档

确认删除?
VIP
微信客服
  • 扫码咨询
会员Q群
  • 会员专属群点击这里加入QQ群
客服邮箱
回到顶部