电脑桌面
添加小米粒文库到电脑桌面
安装后可以在桌面快捷访问

10#住宅楼施工组织设计完整版VIP免费

10#住宅楼施工组织设计完整版_第1页
1/115
10#住宅楼施工组织设计完整版_第2页
2/115
10#住宅楼施工组织设计完整版_第3页
3/115
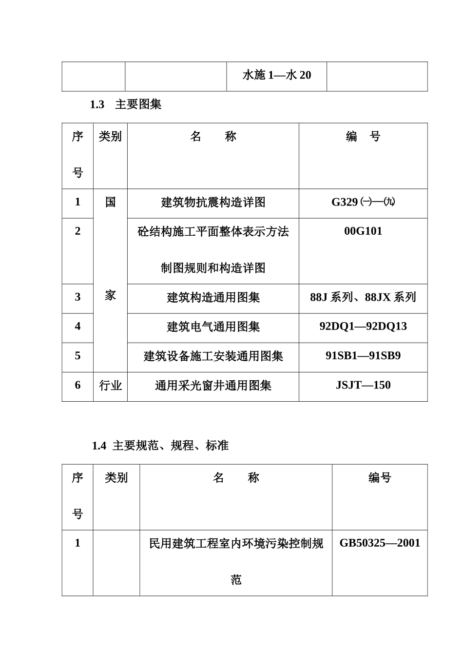
(此文档为 word 格式,下载后您可任意编辑修改!)一、 编制依据:本施工组织是依据方舟苑 9#、10#住宅楼招标文件及工程图纸以及相关规范、标准、图集等进行编制的,具体内容如下:1.1 工程招标文件:序 号文 件 名 称文件编号发 出 时 间1方舟苑 9#10#住宅楼招标文件2003 年 2 月 25 日1.2 工程图纸:序 号图 纸 名 称图 号出图日期1建 施建施 1—建施 16建详 1—建详 122003 年 1 月2结 施结施 1—结施 282003 年 1 月3电 气电施 1—电施工17电详 1—电详 82003 年 1 月4设 备设施 1—设施 152003 年 1 月水施 1—水 201.3主要图集序号类别名 称编 号1国家建筑物抗震构造详图G329 ㈠—㈨2砼结构施工平面整体表示方法制图规则和构造详图00G1013建筑构造通用图集88J 系列、88JX 系列4建筑电气通用图集92DQ1—92DQ135建筑设备施工安装通用图集91SB1—91SB96行业通用采光窗井通用图集JSJT—1501.4 主要规范、规程、标准序号类别名 称编号1民用建筑工程室内环境污染控制规范GB50325—2001国家2建筑地基基础工程施工质量验收规范GB50202—20023地下工程防水技术规范GB50108—20014地下防水工程质量验收规范GB50208—20025混凝土结构工程施工质量验收规范GB50204—20026钢结构工程施工质量验收规范GB50205—20017工程测量规范GB50026—938砌体工程施工质量验收规范GB50203—20029屋面工程质量验收规范GB50207—200210建筑地面工程施工质量验收规范GB50209—200211建筑工程施工质量验收统一标准GB50300—200112建筑装饰装修工程质量验收规范GB50210—200113电梯工程施工质量验收规范GB50310—200214钢筋混凝土用热轧带肋钢筋GB1499—199815钢筋混凝土用热轧光园钢筋GB13013—9116硅酸盐水泥、普通硅酸盐水泥GB175—199917矿渣硅酸盐水泥、火山灰质及粉煤灰水泥GB1344—199918电梯工程施工质量验收规范GB50310—200219通风与空调工程施工质量验收规范GB50243—200220建筑给排水及采暖工程施工质量验收规范GB50242—200221建筑电气工程施工质量验收规范GB50303—200222行业高层建筑箱形与筏形基础技术规范JGJ6—9923金属与石材幕墙工程技术规范JGJ133—2001J113—200124玻璃幕墙工程质量检验标准JGJT—139—2001J139—200125建筑装饰工程及验收规范JGJ73—9126建筑施工高处作业安全技术规范JGJ80—9127泵送砼施工技术规程JGJT10—9528施工现场临时用电安全技术规程JGJ46—8829钢筋砼高层建筑结...

1、当您付费下载文档后,您只拥有了使用权限,并不意味着购买了版权,文档只能用于自身使用,不得用于其他商业用途(如 [转卖]进行直接盈利或[编辑后售卖]进行间接盈利)。
2、本站所有内容均由合作方或网友上传,本站不对文档的完整性、权威性及其观点立场正确性做任何保证或承诺!文档内容仅供研究参考,付费前请自行鉴别。
3、如文档内容存在违规,或者侵犯商业秘密、侵犯著作权等,请点击“违规举报”。

碎片内容

10#住宅楼施工组织设计完整版

确认删除?
VIP
微信客服
  • 扫码咨询
会员Q群
  • 会员专属群点击这里加入QQ群
客服邮箱
回到顶部