电脑桌面
添加小米粒文库到电脑桌面
安装后可以在桌面快捷访问

铣床的电气控制VIP免费

铣床的电气控制_第1页
1/7
铣床的电气控制_第2页
2/7
铣床的电气控制_第3页
3/7
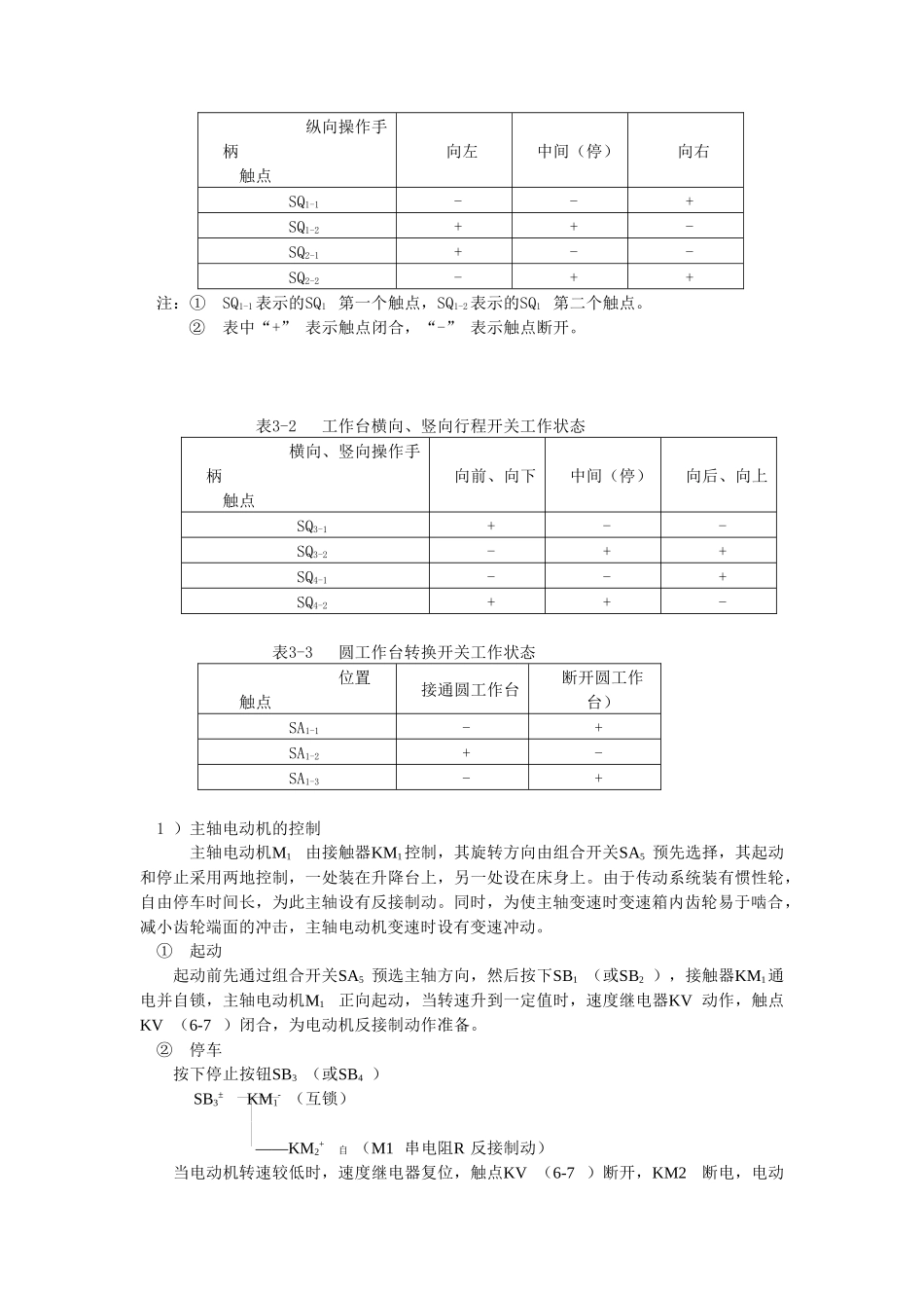
第 四 节 铣 床 的 电 气 控 制铣床是用铣刀进行铣削加工的机床,它可用来加工各种形式的表面(平面、成形面)、各种形式的沟槽,甚至还可加工回转体。铣床按结构型式和加工性能的不同,可分为卧式铣床、立式铣床、龙门铣床、仿形铣床和各种专用铣床等。一 、卧 式 铣 床 的 主 要 结 构 及 运 动 形 式X62W 型万能铣床是卧式铣床,主要由床身、悬梁、刀杆支架、工作台、溜板和升降台等组成。箱形的床身固定在底座上,在床身内装有主轴传动机构及主轴变速操纵机构,在床身的顶部有水平导轨,其上装有一个或两个刀杆支架的悬梁。刀杆支架用来支承安装铣刀心轴的一端,而心轴另一端则固定在主轴上,在床身的前方有垂直导轨,一端悬持的升降台可沿垂直导轨作上下移动。在升降台上面的水平导轨上,装有可平行于主轴轴线方向移动(横向移动)的溜板,工作台可沿溜板上部转动部分的导轨在垂直于主轴轴线的方向移动(纵向移动)。这样,安装在工作台上的工件,可以在三个方向调整位置或完成进给运动。此外,由于溜板可绕垂直轴线转动一个角度(通常为士450 ),因而,工作台除能平行或垂直于主轴轴线方向进给外,还能在倾斜方向上进给,以加工螺旋槽。卧式铣床有主运动、进给运动和辅助运动等三种运动形式。主运动是主轴带动刀具的旋转运动;进给运动是工作台在三个相互垂直方向上的直线运动(手动或机动),或圆工作台的旋转运动;辅助运动是工作台在三个相互垂直方向上的快速直线运动。二 、 铣 床 拖 动 特 点 及 控 制 要 求1 )铣床在铣削加工时,小进刀量用高速铣削,反之用低速铣削,要求主传动系统能够调速,而且在各种铣削速度下保持功率不变,即恒功率调速。为此,主轴电动机采用笼型异步电动机,经齿轮变速箱拖动主轴。2 )铣床一般有顺铣和逆铣两种加工方式,要求主轴能够正反转,但不需经常变换,只需在加工前预选主轴转动方向。3 )铣床的主传动系统在空载下迅速起动,但由于传动系统装有惯性轮,惯性大,因此设有电气制动环节。4 )为使变速时变速箱内齿轮易于啮合,减小齿轮端面的冲击,要求主轴电动机在主轴变速时具有变速冲动,进给电动机在进给变速时也具有变速冲动。5 )多向进给运动由一台电动机拖动,且在任一时刻只能接通一个方向的传动。由操作手柄实现机电联合控制,通过改变电动机转向实现进给给的改变。6 )为避免损坏刀具或工件,要求主运动和进给运动有顺序控制,即主轴电动机起...

1、当您付费下载文档后,您只拥有了使用权限,并不意味着购买了版权,文档只能用于自身使用,不得用于其他商业用途(如 [转卖]进行直接盈利或[编辑后售卖]进行间接盈利)。
2、本站所有内容均由合作方或网友上传,本站不对文档的完整性、权威性及其观点立场正确性做任何保证或承诺!文档内容仅供研究参考,付费前请自行鉴别。
3、如文档内容存在违规,或者侵犯商业秘密、侵犯著作权等,请点击“违规举报”。

碎片内容

铣床的电气控制

黄金阁书苑+ 关注
实名认证
内容提供者

热爱教学事业,对互联网知识分享很感兴趣

确认删除?
VIP
微信客服
  • 扫码咨询
会员Q群
  • 会员专属群点击这里加入QQ群
客服邮箱
回到顶部