电脑桌面
添加小米粒文库到电脑桌面
安装后可以在桌面快捷访问

主要检测仪表和施工机械VIP免费

主要检测仪表和施工机械_第1页
1/36
主要检测仪表和施工机械_第2页
2/36
主要检测仪表和施工机械_第3页
3/36
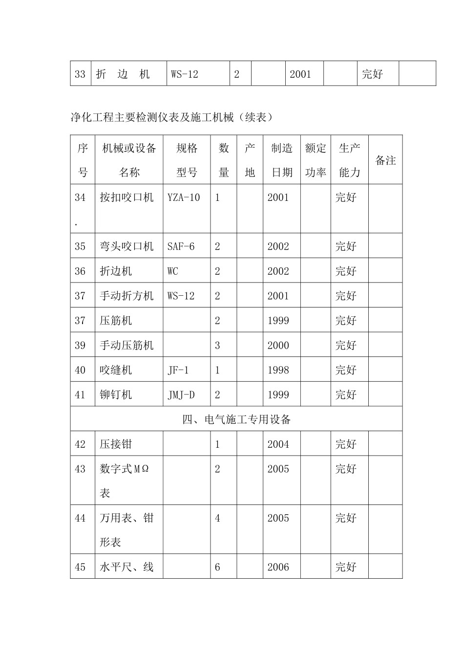
本工程主要检测仪表及施工机械序号机械或设备名称规格型号数量产地制造日期额定功率生产能力备注一、检测仪器、设备1.激光粒子计数器Y09-91苏净2000完好2数字热球式风速仪ZRQ11北京2000完好3指针式热球风速仪QDF-31北京2003完好4数字温度计HM-341芬兰2001完好5目视露点仪MLY-31成都2002完好6便携式声级计HY1101衡阳2001完好7数字照度计JD-31上海2002完好8数字微压计DP1000-ⅢC 1上海2003完好9通风干湿球温度计22000完好二、通用设备10活动升降平台1217-6M1日本1999完好11交流焊机BX3-4004上海2006完好12交流焊机BX3-3005天津2000完好13交流焊机BX6-2002南京2000完好14氩弧焊机NSA4-3004南京2002完好15焊条烘干箱YCH-1005国产2000完好16工业吸尘器PV-3812日本2000完好17台钻2512B5国产1999完好18铝型材切割机TS-2534国产2001完好19砂轮机5杭州2002完好20砂轮切割机3杭州2004完好21曲线锯6国产2004完好22电动剪6国产2005完好23电动扳手5国产2003完好24冲击钻TE12-5048国产2004完好25手电钻Ф138国产2002完好26手电钻ф63进口2005完好27水平仪6国产1999完好28对讲机MOTOROLA82000完好三、通风空调施工专用设备29剪板机Q11-4X2000 22003完好30单平咬口机YZD-12Z22002完好31联合角咬口机YZL-1222002完好32弯头咬口机XFWL-1222003完好33折 边 机WS-1222001完好净化工程主要检测仪表及施工机械(续表)序号机械或设备名称规格型号数量产地制造日期额定功率生产能力备注34.按扣咬口机YZA-1012001完好35弯头咬口机SAF-622002完好36折边机WC22002完好37手动折方机WS-1222001完好37压筋机21999完好39手动压筋机32000完好40咬缝机JF-111998完好41铆钉机JMJ-D21999完好四、电气施工专用设备42压接钳12004完好43数字式 MΩ表22005完好44万用表、钳形表42005完好45水平尺、线62006完好垂设备、仪器仪表配备及管理2.4.1.拟用于本工程的施工设备及计量器具拟用于本工程的施工设备及计量器具申请人计划用于本工程的主要设备:序号名称数量型号已使用年限计划进场时间类别 1:工程车辆1指挥车2 台别克12013.8.15/2013.9.122货车1 台141 型32013.8.15/2013.9.123吊车1 台25T32013.8.15/2013.9.124客车1 台金杯22013.8.15/2013.9.12类别 2: 施工机械机具1经纬仪2 台J212013.8.15/2013.9.122放缆支架4 套5T22013.8.15/2013.9.123号码烫印机2 套JG-F412013.8.15/2013.9.124液压弯管器4 台WC27-10832013.8.15/2013.9.125对讲机12 台Kenwood12013.8.15/201...

1、当您付费下载文档后,您只拥有了使用权限,并不意味着购买了版权,文档只能用于自身使用,不得用于其他商业用途(如 [转卖]进行直接盈利或[编辑后售卖]进行间接盈利)。
2、本站所有内容均由合作方或网友上传,本站不对文档的完整性、权威性及其观点立场正确性做任何保证或承诺!文档内容仅供研究参考,付费前请自行鉴别。
3、如文档内容存在违规,或者侵犯商业秘密、侵犯著作权等,请点击“违规举报”。

碎片内容

主要检测仪表和施工机械

您可能关注的文档

确认删除?
VIP
微信客服
  • 扫码咨询
会员Q群
  • 会员专属群点击这里加入QQ群
客服邮箱
回到顶部