电脑桌面
添加小米粒文库到电脑桌面
安装后可以在桌面快捷访问

2021年法兰规格尺寸及螺栓螺母常识-法兰盘螺丝规格VIP免费

2021年法兰规格尺寸及螺栓螺母常识-法兰盘螺丝规格_第1页
1/20
2021年法兰规格尺寸及螺栓螺母常识-法兰盘螺丝规格_第2页
2/20
2021年法兰规格尺寸及螺栓螺母常识-法兰盘螺丝规格_第3页
3/20
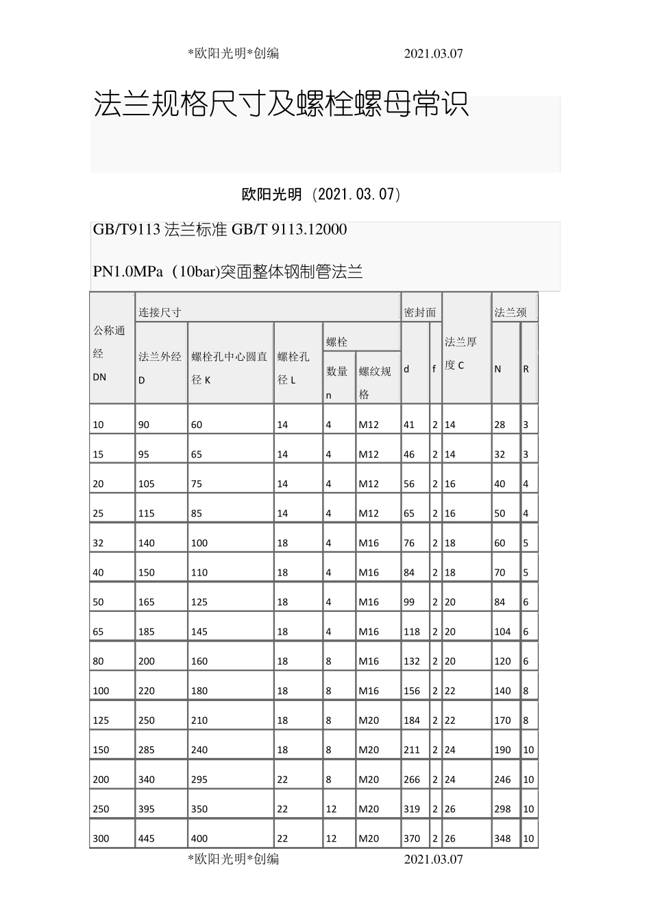
*欧阳光明*创编 2021.03.07 *欧阳光明*创编 2021.03.07 法兰规格尺寸及螺栓螺母常识 欧阳光明(2021.03.07) GB/T9113 法兰标准GB/T 9113.12000 PN1.0MPa(10bar)突面整体钢制管法兰 公称通经 DN 连接尺寸 密封面 法兰厚度C 法兰颈 法兰外经D 螺栓孔中心圆直径K 螺栓孔径L 螺栓 d f N R 数量n 螺纹规格 10 90 60 14 4 M12 41 2 14 28 3 15 95 65 14 4 M12 46 2 14 32 3 20 105 75 14 4 M12 56 2 16 40 4 25 115 85 14 4 M12 65 2 16 50 4 32 140 100 18 4 M16 76 2 18 60 5 40 150 110 18 4 M16 84 2 18 70 5 50 165 125 18 4 M16 99 2 20 84 6 65 185 145 18 4 M16 118 2 20 104 6 80 200 160 18 8 M16 132 2 20 120 6 100 220 180 18 8 M16 156 2 22 140 8 125 250 210 18 8 M20 184 2 22 170 8 150 285 240 18 8 M20 211 2 24 190 10 200 340 295 22 8 M20 266 2 24 246 10 250 395 350 22 12 M20 319 2 26 298 10 300 445 400 22 12 M20 370 2 26 348 10 *欧阳光明*创编 2021.03.07 *欧阳光明*创编 2021.03.07 350 505 460 22 16 M24 429 2 26 408 12 400 565 515 22 16 M24 480 2 26 456 12 450 615 565 22 20 M24 530 2 28 502 12 500 670 620 26 20 M27 582 2 28 559 12 600 780 725 30 20 M27 682 2 34 658 12 700 895 840 30 24 M30 794 5 34 772 12 800 1015 950 33 24 M30 901 5 36 876 12 900 1115 1050 33 28 M33 1001 5 38 976 12 1000 1230 1160 36 28 M36 1112 5 38 1080 12 1200 1455 1380 39 32 M39 1328 5 44 1292 12 1400 1675 1590 42 36 M45 1530 5 48 1496 12 1600 1915 1820 48 40 M45 1750 5 52 1712 12 1800 2115 48 44 M45 1950 5 56 1910 15 2000 2325 2230 48 48 M45 2150 5 60 2120 15 PN1.6MPa(16bar)突面整体钢制管法兰 公称通经DN 连接尺寸 密封面 法兰厚度C 法兰颈 法兰外经D 螺栓孔中心圆直径K 螺栓孔径L 螺栓 d f N R 数量n 螺纹规格 10 90 60 14 4 M12 41 2 14 28 3 15 95 65 14 4 M12 46 2 14 ...

1、当您付费下载文档后,您只拥有了使用权限,并不意味着购买了版权,文档只能用于自身使用,不得用于其他商业用途(如 [转卖]进行直接盈利或[编辑后售卖]进行间接盈利)。
2、本站所有内容均由合作方或网友上传,本站不对文档的完整性、权威性及其观点立场正确性做任何保证或承诺!文档内容仅供研究参考,付费前请自行鉴别。
3、如文档内容存在违规,或者侵犯商业秘密、侵犯著作权等,请点击“违规举报”。

碎片内容

2021年法兰规格尺寸及螺栓螺母常识-法兰盘螺丝规格

您可能关注的文档

确认删除?
VIP
微信客服
  • 扫码咨询
会员Q群
  • 会员专属群点击这里加入QQ群
客服邮箱
回到顶部