电脑桌面
添加小米粒文库到电脑桌面
安装后可以在桌面快捷访问

完整版plc试验全自动洗衣机控制VIP免费

完整版plc试验全自动洗衣机控制_第1页
1/10
完整版plc试验全自动洗衣机控制_第2页
2/10
完整版plc试验全自动洗衣机控制_第3页
3/10
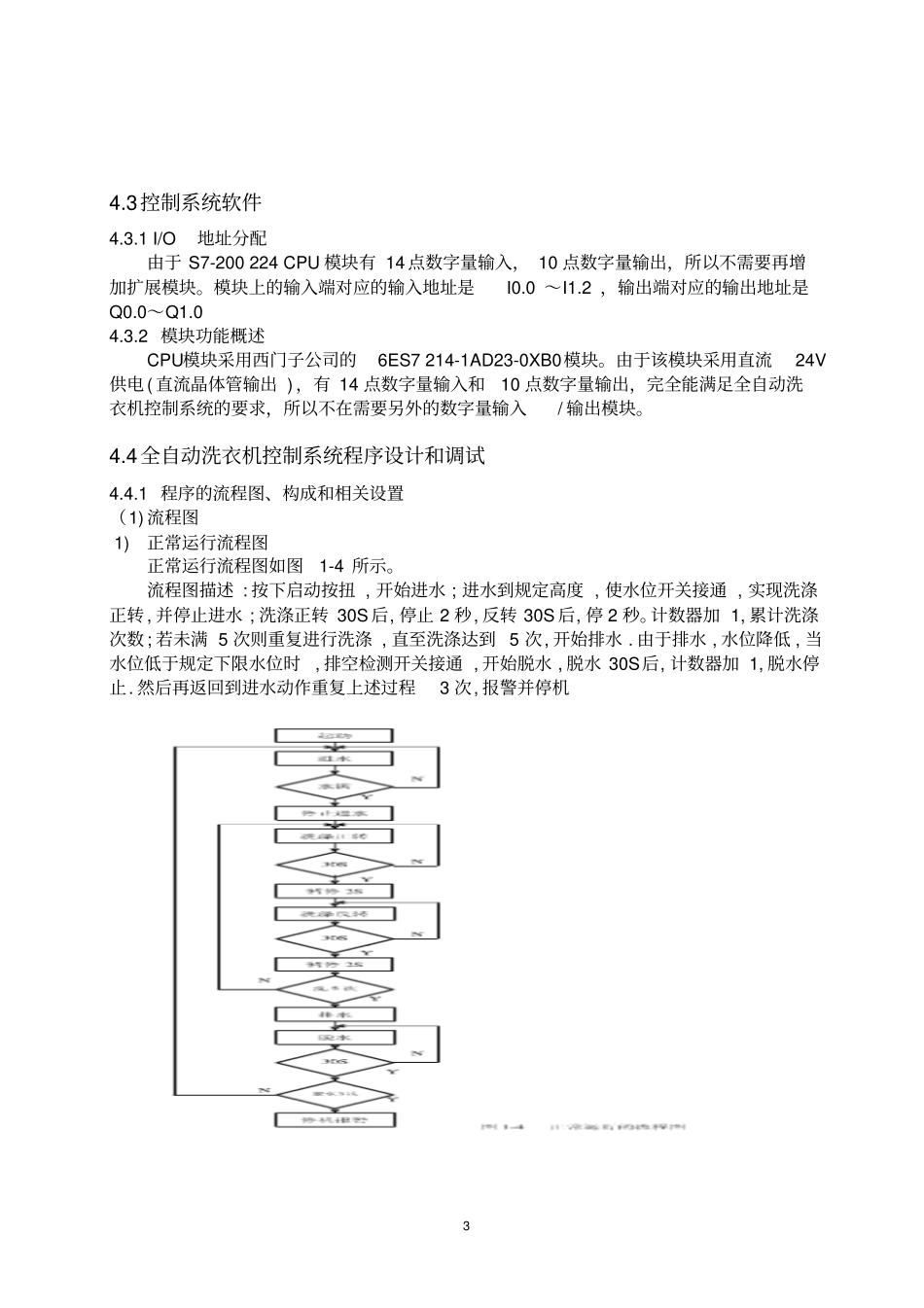
1 全自动洗衣机控制1、设计任务和目的通过理论设计和实物制作解决相应的实际问题,巩固和运用在《电气控制与可编程控制器技术》中所学的理论知识和实验技能,掌握PLC可编程软件的使用,程序的一般设计方法,提高设计能力和实践动手能力,为以后从事自动化设计、研发自动化产品打下良好的基础。2、设计要求全自动洗衣机的洗衣桶和脱水桶是以同一中心安放的。外桶固定,作盛水用。内桶可以旋转,作脱水用。内桶的四周有很多小孔,使内外桶的水流相通。该洗衣机的进水和排水分别由进水电磁阀和排水电磁阀来执行。洗涤正转、反转由洗涤电动机驱动波盘正、反转来实现,此时脱水桶并不旋转。脱水时,通过电控系统将离合器合上,由洗涤电动机带动内桶正转进行甩干。高、低水位开关分别用来检测高、低水位。启动按钮用来启动洗衣机工作。停止按钮用来实现手动停止进水、排水、脱水及报警。排水按钮用来实现手动排水。3、控制要求PLC投入运行,系统处于初始状态,准备好启动。(1) 按下启动按扭及水位选择开关,开始进水,水满(即水位到达高低)时停止进水。(2) 2 秒后开始洗涤。(3) 洗涤时,正转 15 秒后暂停,暂停3 秒后开始反转洗涤,反转洗涤15 秒后暂停,暂停 3 秒。(4) 如此循环3 次后开始排水,排空后(水位下降到低位)开始脱水并继续排水。脱水 10 秒即完成一次从进水到脱水的工作循环过程。(5) 若未完成 3 次大循环,则返回从进水开始的全部动作,进行下一次大循环;若完成了3 次大循环,则进行洗完报警。(6)报警 10 秒结束全部过程,自动停机。(7) 此外按排水按钮可实现手动排水;按停车按扭可停止进水、排水、脱水及报警。4、实验内容4.1全自动洗衣机的工作原理洗衣机的进水、排水分别由进水电磁阀和排水电磁阀执行。洗涤正转、反转由洗涤2 电动机驱动波盘正、反转来实现。脱水时,由脱水电磁离合器合上、排水电磁阀吸合,洗涤电动机正转进行甩干。洗涤完成由蜂鸣器报警。4.2控制系统硬件接线图4.2.1 全自动洗衣机的基本结构如图所示4.2.2 全自动洗衣机的工作流程全自动洗衣机的单循环工作流程示意图如图所示3 4.3控制系统软件4.3.1 I/O地址分配由于 S7-200 224 CPU 模块有 14 点数字量输入, 10 点数字量输出,所以不需要再增加扩展模块。模块上的输入端对应的输入地址是I0.0 ~I1.2 ,输出端对应的输出地址是Q0.0~Q1.0 4.3.2 模块功能概述CPU模块采用西门子公司的6ES7 214-1AD23-0XB0...

1、当您付费下载文档后,您只拥有了使用权限,并不意味着购买了版权,文档只能用于自身使用,不得用于其他商业用途(如 [转卖]进行直接盈利或[编辑后售卖]进行间接盈利)。
2、本站所有内容均由合作方或网友上传,本站不对文档的完整性、权威性及其观点立场正确性做任何保证或承诺!文档内容仅供研究参考,付费前请自行鉴别。
3、如文档内容存在违规,或者侵犯商业秘密、侵犯著作权等,请点击“违规举报”。

碎片内容

完整版plc试验全自动洗衣机控制

确认删除?
VIP
微信客服
  • 扫码咨询
会员Q群
  • 会员专属群点击这里加入QQ群
客服邮箱
回到顶部