电脑桌面
添加小米粒文库到电脑桌面
安装后可以在桌面快捷访问

数据中心机房工程验收记录表VIP免费

数据中心机房工程验收记录表_第1页
1/13
数据中心机房工程验收记录表_第2页
2/13
数据中心机房工程验收记录表_第3页
3/13
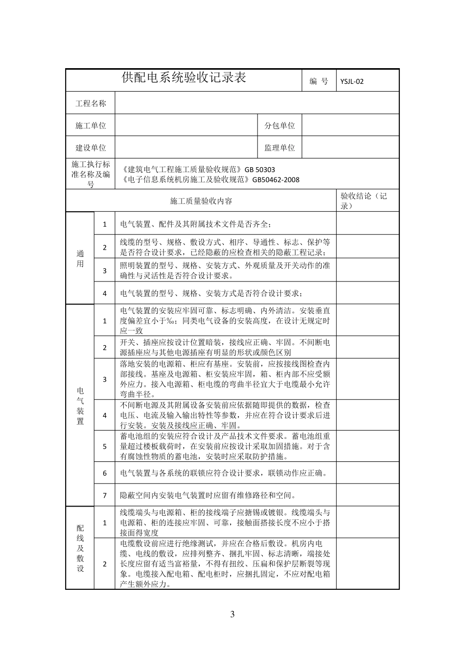
数据中 心机房工程验收记录表( 总1 3 页) --本 页 仅 作 为文 档 封 面 , 使 用 时 请 直 接 删 除 即 可 -- --内 页 可 以 根 据 需 求 调 整 合 适 字 体 及 大 小 -- 2 IDC 数 据 中心 机 房 工 程 验 收 记 录 表 防雷与接地验收记录表 编 号 YSJL-01 工 程 名 称 施工单位 分包单位 建设单位 监理单位 施工执行标准名称及编号 《电子信息系统机房施工及验收规范》GB50462-2008 《建筑物电子信息系统防雷技术规范》GB50343-2004 《建筑电气工程施工质量验收规范》GB50303-2002 施工质量验收内容 验收结论(记录) 防雷与接地装置 1 浪涌保护器安装应牢固,接线应可靠。安装多个浪涌保护器时,安装位置、顺序应符合设计和产品说明书的要求 2 接地装置焊接应牢固,并应采取防腐措施。接地体埋设位置和深度应符合设计要求。引下线应固定。 3 接地电阻值无法满足设计要求时,应采取物理或化学降阻措施。 4 等电位联接金属带可采用焊接、熔接或压接。金属带表面应无毛刺、明显伤痕,安装应平整、连接牢固,焊接应进行防腐处理。 接 地 线 1 接地线不得有机械损伤;穿越墙壁、楼板时应加装保护套管;在有化学腐蚀的位置应采取防腐措施;在跨越建筑物伸缩缝、沉降缝处、应弯成弧状,弧长宜为缝宽的倍。 2 接地端子应做明显标记,接地线应沿长度方向用油漆刷成黄绿相间的条纹进行标记。 3 接地线的敷设应平直、整齐。转弯时,弯曲半径应符合规范规定。接地线的连接宜采用焊接,焊接应牢固、无虚焊,并应进行防腐处理。 验收结论 参加验收 人员 (签字) 建设单位: 时 间: 监理单位: 时 间: 承建单位: 时 间: 3 供配电系统验收记录表 编 号 YSJL-02 工程名称 施工单位 分包单位 建设单位 监理单位 施工执行标准名称及编号 《建筑电气工程施工质量验收规范》GB 50303 《电子信息系统机房施工及验收规范》GB50462-2008 施工质量验收内容 验收结论(记录) 通 用 1 电气装置、配件及其附属技术文件是否齐全; 2 线缆的型号、规格、敷设方式、相序、导通性、标志、保护等是否符合设计要求,已经隐蔽的应检查相关的隐蔽工程记录; 3 照明装置的型号、规格、安装方式、外观质量及开关动作的准确性与灵活性是否符合设计要求。 4 电气装置的型号、规格、安装方式是否符合设计要求; 电 气 装 置 1 电气装置...

1、当您付费下载文档后,您只拥有了使用权限,并不意味着购买了版权,文档只能用于自身使用,不得用于其他商业用途(如 [转卖]进行直接盈利或[编辑后售卖]进行间接盈利)。
2、本站所有内容均由合作方或网友上传,本站不对文档的完整性、权威性及其观点立场正确性做任何保证或承诺!文档内容仅供研究参考,付费前请自行鉴别。
3、如文档内容存在违规,或者侵犯商业秘密、侵犯著作权等,请点击“违规举报”。

碎片内容

数据中心机房工程验收记录表

您可能关注的文档

确认删除?
VIP
微信客服
  • 扫码咨询
会员Q群
  • 会员专属群点击这里加入QQ群
客服邮箱
回到顶部