电脑桌面
添加小米粒文库到电脑桌面
安装后可以在桌面快捷访问

完整版加固工程检验批汇总资料VIP免费

完整版加固工程检验批汇总资料_第1页
1/36
完整版加固工程检验批汇总资料_第2页
2/36
完整版加固工程检验批汇总资料_第3页
3/36
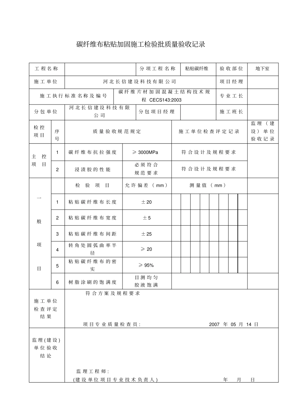
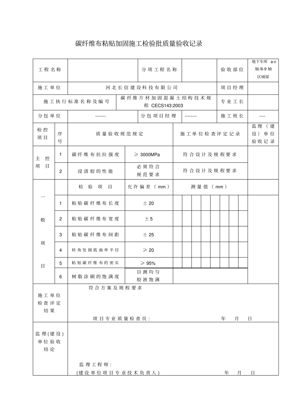
加固工程检验批汇总检验批施工用碳纤维布粘贴加固施工检验批质量验收记录工 程 名 称分 项 工 程 名 称粘贴碳纤维验 收 部 位地下室施 工 单 位河 北 长 信 建 设 科 技 有 限 公 司项 目 经 理施 工 执 行 标 准 名 称 及 编 号碳 纤 维 片 材 加 固 混 凝 土 结 构 技 术 规程 CECS143:2003 专 业 工 长分 包 单 位河 北 长 信 建 设 科 技 有 限公 司分 包 项 目 经 理施 工 班 长检 控项 目序号质 量 验 收 规 范 规 定施 工 单 位 检 查 评 定 记 录监 理 ( 建设 ) 单 位验 收 记 录主控项目1 碳 纤 维 布 抗 拉 强 度≥ 3000MPa 符 合 设 计 及 规 程 要 求2 浸 渍 胶 的 性 能必 须 符 合规 范 要 求符 合 设 计 及 规 程 要 求一般项目检验项目允 许 偏 差 ( mm )测 量 值 ( mm )1 粘 贴 碳 纤 维 布 长 度± 20 2 粘 贴 碳 纤 维 布 宽 度± 5 3 粘 贴 碳 纤 维 布 间 距± 25 4 转 角 处 圆 弧 曲 率 半径≥ 20 5 粘 贴 碳 纤 维 布 的 密实≥ 95% 6 树 脂 涂 刷 的 饱 满 度目 测 均 匀胶 液 饱 满施 工 单 位检 查 评 定结 果符 合 方 案 及 规 程 要 求项 目 专 业 质 量 检 查 员 : 2007 年 05 月 14 日监 理 ( 建 设 )单 位 验 收结 论监 理 工 程 师 : (建 设 单 位 项 目 专 业 技 术 负 责 人 ) 年月日碳纤维布粘贴加固施工检验批质量验收记录工 程 名 称分 项 工 程 名 称验 收 部 位地下车库 a-c 轴 /6-9 轴区域梁施 工 单 位河 北 长 信 建 设 科 技 有 限 公 司项 目 经 理施 工 执 行 标 准 名 称 及 编 号碳 纤 维 片 材 加 固 混 凝 土 结 构 技 术 规程 CECS143:2003 专 业 工 长分 包 单 位------- 分 包 项 目 经 理-------- 施 工 班 长---- 检 控项 目序号质 量 验 收 规 范 规 定施 工 单 位 检 查 评 定 记 录监 理 ( 建设 ) 单 位验 收 记 录主控项目1 碳 纤 维 布 抗 拉 强 度≥ 3000MPa 符 合 设 计 及 规 程 要 求2 浸 渍 胶 的 性 能必 须 符 合规 范 要 求符...

1、当您付费下载文档后,您只拥有了使用权限,并不意味着购买了版权,文档只能用于自身使用,不得用于其他商业用途(如 [转卖]进行直接盈利或[编辑后售卖]进行间接盈利)。
2、本站所有内容均由合作方或网友上传,本站不对文档的完整性、权威性及其观点立场正确性做任何保证或承诺!文档内容仅供研究参考,付费前请自行鉴别。
3、如文档内容存在违规,或者侵犯商业秘密、侵犯著作权等,请点击“违规举报”。

碎片内容

完整版加固工程检验批汇总资料

您可能关注的文档

确认删除?
VIP
微信客服
  • 扫码咨询
会员Q群
  • 会员专属群点击这里加入QQ群
客服邮箱
回到顶部