电脑桌面
添加小米粒文库到电脑桌面
安装后可以在桌面快捷访问

完整版哈工大制造系统自动化技术期末考试绝佳复习资料VIP免费

完整版哈工大制造系统自动化技术期末考试绝佳复习资料_第1页
1/8
完整版哈工大制造系统自动化技术期末考试绝佳复习资料_第2页
2/8
完整版哈工大制造系统自动化技术期末考试绝佳复习资料_第3页
3/8
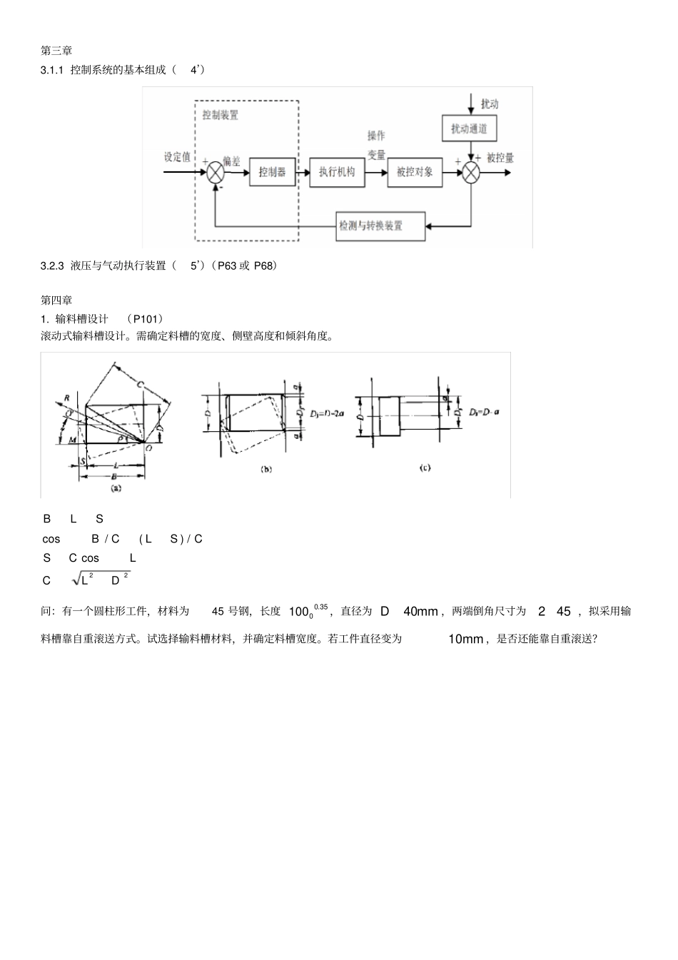
第一章1.1.1 制造( P1)概念( 2’):制造:一般是指将原材料转变为产品的过程。机械制造:将材料或毛坯加工成零件部件或产品的过程。机械:由零部件组成的,可实现运动、能量、信息传递或转换的,具有某种功能的机器、设备或仪器。机器:是以通过某种方式实现能量传递和转换为主的技术系统。设备:是以通过某种方式实现物料传递和转换为主的技术系统。仪器:是以通过某种方式实现信息传递和转换为主的技术系统。1.1.4 制造系统自动化定义与概念(P4)(6’)1.2 机械制造系统自动化发展过程、现状及趋势(P5)概念( 2’):CNC:计算机数字控制,在硬件数控基础上发展起来的,在计算机硬件支持下,由软件实现数控的部分或全部功能。DNC:是用一台或多台计算机对多台数控机床实施综合数字控制。FMS:柔性制造系统,由统一的信息控制系统、物料储运系统和一组数字控制加工组成,能适应加工对象变换的机械制造自动化系统。CIMS:计算机集成制造系统,企业各个生产环节是一个整体,整个制造过程实质上是一个信息采集、传递、加工处理的过程。第二章2.1 机械制造自动化系统建立的步骤(P17)(6’)自动化系统建立的步骤一般是按生命周期来划分。生命周期:是指一个产品或系统从提出建立或改造开始到系统脱离运行或被新的系统所代替的终止时间。寿命:是指系统或产品从投入使用到报废不再使用的时间区间。四个阶段:建立期、实现期、运行期、终止期2.6 自动化系统的可靠性分析1、串联模型( 5’或并)组成系统的所有单元中任一单元的故障就会导致整个系统故障的系统称串联系统,其逻辑框图如图所示。niistptp1)()(式中ps (t)——系统的可靠度;pi (t)——第 i 个单元的可靠度。例 1:由 4 个单元串联组成的系统,单元的可靠度分别为:pA=0.9 、pB =0.8 、 pC=0.7、pD=0.6,求系统的可靠度pS。解:pS=0.9×0.8× 0.7×0.6=0.3024 若系统各单元的失效时间服从指数分布,则系统的可靠度为:2、并联模型( 5’或串)组成系统的所有单元都故障时,系统才故障的系统叫并联系统,其逻辑框图如图所示。))(1()()(11niiniistptFtF))(1(1)(1)(11niiniistptFtp例 2:由 4 个单元并联组成的系统,单元的可靠度分别为:pA=0.9 、pB =0.8 、 pC=0.7、pD=0.6,求系统的可靠度pS。解:3、n 中取 r 模型(r/n) (4’)组成系统的n 个单元中,不故障的单元数不少于r (r 为介于 1 和 n 之间的某个数 )系统就不会故障,这样的系...

1、当您付费下载文档后,您只拥有了使用权限,并不意味着购买了版权,文档只能用于自身使用,不得用于其他商业用途(如 [转卖]进行直接盈利或[编辑后售卖]进行间接盈利)。
2、本站所有内容均由合作方或网友上传,本站不对文档的完整性、权威性及其观点立场正确性做任何保证或承诺!文档内容仅供研究参考,付费前请自行鉴别。
3、如文档内容存在违规,或者侵犯商业秘密、侵犯著作权等,请点击“违规举报”。

碎片内容

完整版哈工大制造系统自动化技术期末考试绝佳复习资料

确认删除?
VIP
微信客服
  • 扫码咨询
会员Q群
  • 会员专属群点击这里加入QQ群
客服邮箱
回到顶部