电脑桌面
添加小米粒文库到电脑桌面
安装后可以在桌面快捷访问

完整版国标泄漏量标准VIP免费

完整版国标泄漏量标准_第1页
1/2
完整版国标泄漏量标准_第2页
2/2
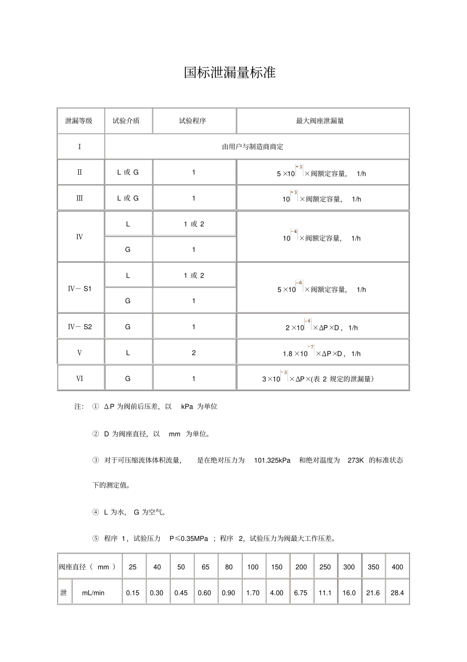
国标泄漏量标准泄漏等级试验介质试验程序最大阀座泄漏量Ⅰ由用户与制造商商定ⅡL 或 G 1 5 ×10×阀额定容量, 1/h ⅢL 或 G 1 10×阀额定容量, 1/h ⅣL 1 或 2 10×阀额定容量, 1/h G 1 Ⅳ- S1 L 1 或 2 5 ×10×阀额定容量, 1/h G 1 Ⅳ- S2 G 1 2 ×10×ΔP×D ,1/h ⅤL 2 1.8 ×10×ΔP×D ,1/h ⅥG 1 3×10×ΔP×(表 2 规定的泄漏量)注: ① Δ P 为阀前后压差,以kPa 为单位② D 为阀座直径,以mm 为单位。③ 对于可压缩流体体积流量,是在绝对压力为101.325kPa和绝对温度为273K 的标准状态下的测定值。④ L 为水, G 为空气。⑤ 程序 1 ,试验压力P≤0.35MPa ;程序 2,试验压力为阀最大工作压差。阀座直径( mm )25 40 50 65 80 100 150 200 250 300 350 400 泄mL/min 0.15 0.30 0.45 0.60 0.90 1.70 4.00 6.75 11.1 16.0 21.6 28.4 漏量气泡数/ min 1 2 3 4 6 11 27 45 - - - - 注: ① 每分种气泡数是用外径6mm 、壁厚 1mm的管子垂直浸入水下5~10mm深度的条件下测得的,管端表面应光滑,无倒角和毛刺② 如果阀座直径与表列值之一相差2mm以上,则泄漏系数可假设泄漏量与阀座直径的平方成正比的情况下,通过内推法取得。在计算确定泄漏量的允许值时,阀的额定容量应按表3 所列公式计算。△P< P1/2 △P< P1/2 液体Q 1=0.1K V气体Q 2=4.73K VQ 2=2.9P 1K V表中: Q 1-液体流量,m/h ;Q 2-标准状态下的气体流量,Nm/h ;K V-额定流量系数;P m= (P1+P2 )/2 ,kPa ;P 1 -阀前绝对压力,kPa P 2 -阀后绝对压力,kPa ;△P -阀前后压差,kPa ;t -试验介质温度,取20 ℃;G -气体比重,空气=1 ;ρ / ρ 0-相对密度(规定温度范围内的水ρ/ ρ 0= 1)

1、当您付费下载文档后,您只拥有了使用权限,并不意味着购买了版权,文档只能用于自身使用,不得用于其他商业用途(如 [转卖]进行直接盈利或[编辑后售卖]进行间接盈利)。
2、本站所有内容均由合作方或网友上传,本站不对文档的完整性、权威性及其观点立场正确性做任何保证或承诺!文档内容仅供研究参考,付费前请自行鉴别。
3、如文档内容存在违规,或者侵犯商业秘密、侵犯著作权等,请点击“违规举报”。

碎片内容

完整版国标泄漏量标准

您可能关注的文档

确认删除?
VIP
微信客服
  • 扫码咨询
会员Q群
  • 会员专属群点击这里加入QQ群
客服邮箱
回到顶部