电脑桌面
添加小米粒文库到电脑桌面
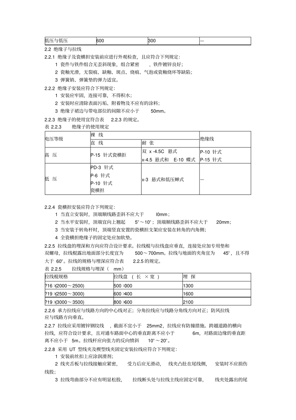
安装后可以在桌面快捷访问

完整版城道路照明工程施工及验收规程VIP免费

完整版城道路照明工程施工及验收规程_第1页
1/22
完整版城道路照明工程施工及验收规程_第2页
2/22
完整版城道路照明工程施工及验收规程_第3页
3/22
城市道路照明工程施工及验收规程学习笔记2010-06-09 16:40:59 阅读 328 评论 0 字号:大中小订阅本文引用自王者归来《引用城市道路照明工程施工及验收规程》引用王者归来wuhelo100 城市道路照明工程施工及验收规程Specification for Construction and Inspection Of Urban Road Lighting Engineering CJJ 89-2001 J 120-2001 关于发布行业标准《城市道路照明工程施工及验收规程》的通知建标[2001 ]165 号根据建设部《关于印发< 一九九九年工程建设城建、建工行业标准制订、修订计划> 的通知》 ( 建标[ 1999]309 号) 的要求,由北京市路灯管理处主编的《城市道路照明工程施工及验收规程》 ,经审查, 批准为行业标准, 其中 2.2.6、 2.2.10、 2.3.8、 2.3.17、 2.3.18、3.1.2、 3.2.3、 3.2.13、 5.3.5、 6.1.2、 6.1.3、 6.2.3、 6.3.5、 7.4.6 为强制性条文,必须严格执行。该标准编号为CJJ 89— 2001,自2001 年 11 月 1 日起施行。本标准由建设部城镇道路桥梁标准技术归口单位北京市市政工程设计研究总院负责管理,北京市路灯管理处负责具体解释,建设部标准定额研究所组织中国建筑工业出版社出版。中华人民共和国建设部2001 年 7 月 30 日前言根据建设部建标[1999]309 号文件的要求,规程编制组经广泛调研,认真总结实践经验,参考有关国际标准和国外先进标准,并在广泛征求意见的基础上,制定了本规程。本规程的主要技术内容是:1. 总则; 2. 架空线路; 3. 低压电缆线路; 4. 变压器、箱式变电站; 5. 配电装置与控制;6. 安全保护; 7. 路灯安装等。本规程由建设部城镇道路桥梁标准技术归口单位北京市市政工程设计研究总院归口管理,授权由主编单位负责具体解释。本规程主编单位是:北京市路灯管理处(地址:北京市丰台区方庄路2 号;邮政编码:100078)。本规程参加单位是:武汉供电局路灯分局深圳市路灯管理处沈阳市路灯管理处常州市路灯管理处本规程主要起草人员是:孙怡璞冀中义曾样礼李炯照鲍凯弘张华1总则1.0.1 为适应城市道路照明工程建设的发展,保证路灯工程的施工质量,促进技术进步,确保照明设施安全、经济的运行,制定本规。1.0.2 本规程适用于10kV 及以下城市道路照明设施安装、架空线路及低压电缆配线工程的施工及验收。1.0.3 城市道路照明所采用的器材、运输及保管,应符合现行国家标准《电气装置安装工程35kV 及以下架空电力线路施工...

1、当您付费下载文档后,您只拥有了使用权限,并不意味着购买了版权,文档只能用于自身使用,不得用于其他商业用途(如 [转卖]进行直接盈利或[编辑后售卖]进行间接盈利)。
2、本站所有内容均由合作方或网友上传,本站不对文档的完整性、权威性及其观点立场正确性做任何保证或承诺!文档内容仅供研究参考,付费前请自行鉴别。
3、如文档内容存在违规,或者侵犯商业秘密、侵犯著作权等,请点击“违规举报”。

碎片内容

完整版城道路照明工程施工及验收规程

您可能关注的文档

确认删除?
VIP
微信客服
  • 扫码咨询
会员Q群
  • 会员专属群点击这里加入QQ群
客服邮箱
回到顶部