电脑桌面
添加小米粒文库到电脑桌面
安装后可以在桌面快捷访问

完整版房屋建筑构造VIP免费

完整版房屋建筑构造_第1页
1/8
完整版房屋建筑构造_第2页
2/8
完整版房屋建筑构造_第3页
3/8
第 1 页 共 8 页房屋建筑构造第一次作业16. 门的主要作用是()、()和(). 答:门的主要作用是(交通)、(围护)和(通风)。17. 窗的主要作用是()、(),同时有眺望观景、分隔室内外空间和围护作用。答:窗的主要作用是(采光)和(通风),同时有眺望观景、分隔室内外空间和围护作用。18. 根据门扇的不同构造形式,民用建筑中常见的木门可分为()和()两大类. 答:根据门扇的不同构造形式,民用建筑中常见的木门可分为(镶板门)和(夹板门)两大类。19. 门窗的安装方法有()和()两种。答:门窗的安装方法有(立口式)和(塞口式)两种。20. 变形逢包括()、()和()。答:变形逢包括(伸缩缝)、(沉降缝)和(防震缝)。21. 简述柔性防水屋面的基本构造层次及作用。答:柔性防水屋面的基本构造层次从下至上依次有:结构层、找平层、结合层、防水层、保护层。结构层:屋面承重层;找平层:使基层平整,防止卷材凹陷或断裂;结合层:在基层与卷材胶粘剂间形成一层胶质薄膜,使卷材与基层胶结牢固;防水层:屋面防水。22. 混凝土刚性防水屋面中,设置隔离层的目的是什么?其常用的构造做法是什么?答:为了减少结构层变形及温度变化对防水层的不利影响,宜在结构层与防水层间设隔离层使二者脱开。 隔离层可采用铺纸筋灰、低强度等级砂浆,或薄砂层上干铺一层油毡等做法。教材 1:P84。23. 刚性防水面为什么要设置分格缝?通常在哪能些部位设置分格缝?答:设置分格缝的目的在于防止温度变形引起防水层开裂,防止结构变形将防水层拉坏。位置设置在温度变形允许的范围内和结构变形敏感的部位,如屋面转折处、 现浇屋面板与预制屋面板的交接处、泛水与立墙交接处等部位。24. 楼梯一般有几部分组成,各部分的作用是什么? 答:楼梯一般由梯段、平台和栏杆扶手三部分组成。楼梯梯段:是联系两个不同标高平台的倾斜构件, 由若干个踏步构成。楼梯平台:是联系两个楼梯段的水平构件,主要是为了解决楼梯段的转折和与楼层连接,同时也使人在上下楼时能在此处稍做休息。一般分成楼层平台和中间平台。 栏杆和扶手: 为了确保使用安全, 应在楼梯段的临空边缘设置栏杆或栏板。25. 楼梯平台宽度、栏杆扶手高度和楼梯净空高度各有什么规定?答:楼梯中间平台宽度不小于梯段宽度,并且不小于1.1m;栏杆扶手高度:室内楼梯一力受不宜小于900mm,靠楼梯井一侧水平扶手长度超过0.5m 时,其高度不应小于1. 05m ;第 2 ...

1、当您付费下载文档后,您只拥有了使用权限,并不意味着购买了版权,文档只能用于自身使用,不得用于其他商业用途(如 [转卖]进行直接盈利或[编辑后售卖]进行间接盈利)。
2、本站所有内容均由合作方或网友上传,本站不对文档的完整性、权威性及其观点立场正确性做任何保证或承诺!文档内容仅供研究参考,付费前请自行鉴别。
3、如文档内容存在违规,或者侵犯商业秘密、侵犯著作权等,请点击“违规举报”。

碎片内容

完整版房屋建筑构造

您可能关注的文档

确认删除?
VIP
微信客服
  • 扫码咨询
会员Q群
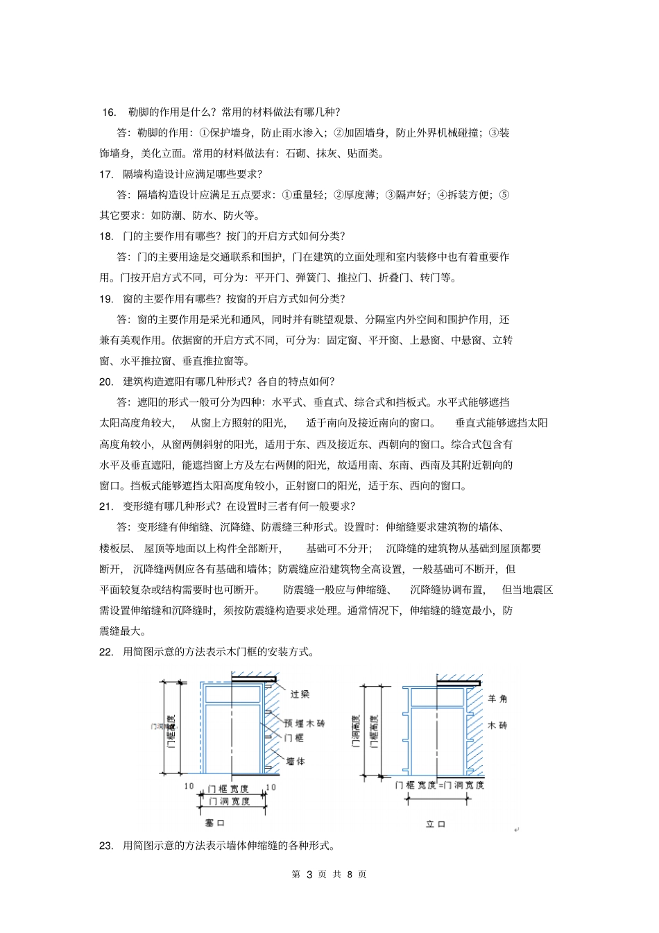
  • 会员专属群点击这里加入QQ群
客服邮箱
回到顶部